Exploded View
MECHANICAL STEERING COLUMN
Courtesy of NISSAN NORTH AMERICA, INC.
|
1.
|
Collar
|
2.
|
Lower joint
|
3.
|
Steering member
|
|
4.
|
Steering column
|

|
Front
|
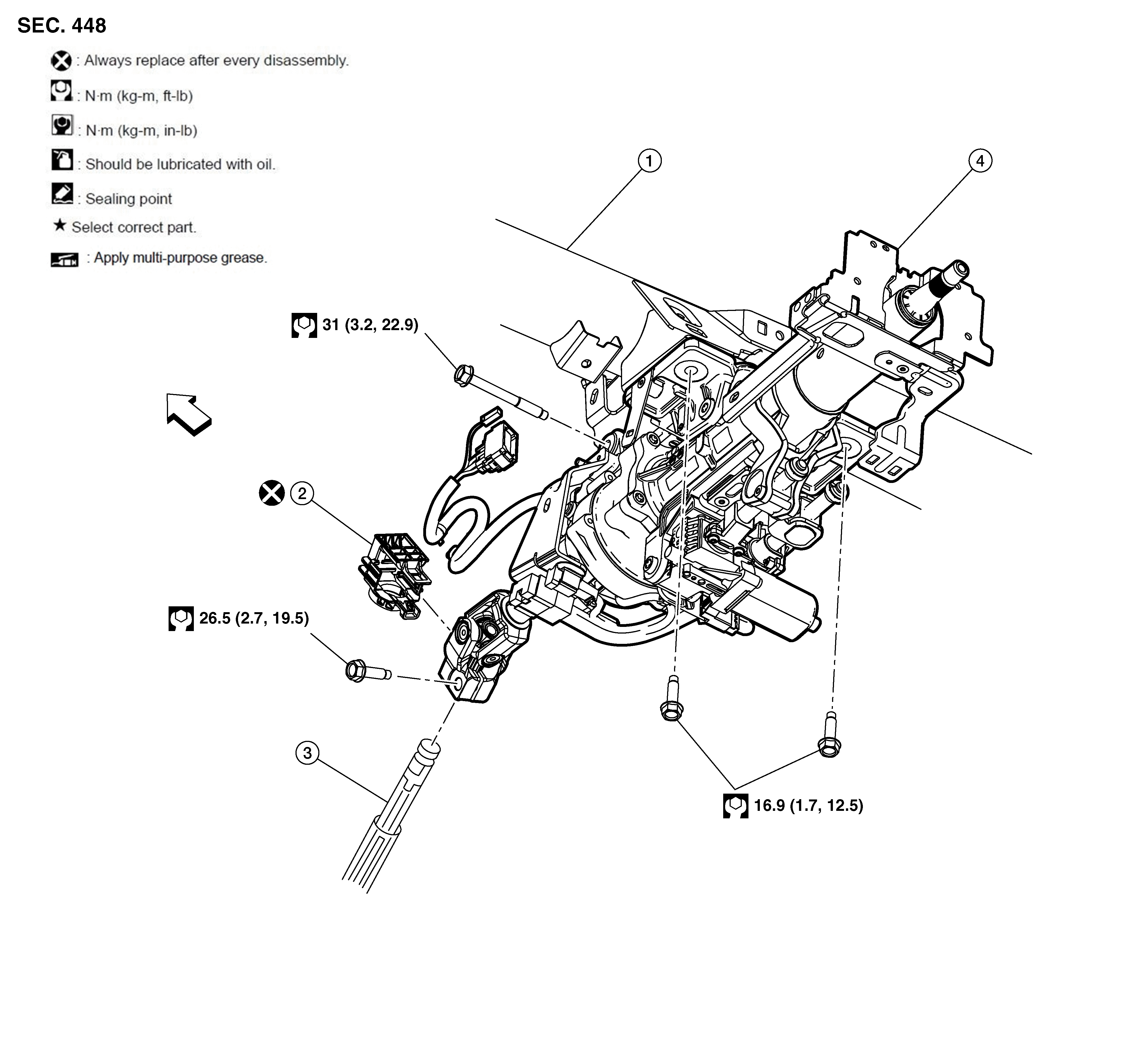
ELECTRIC STEERING COLUMN
Courtesy of NISSAN NORTH AMERICA, INC.
|
1.
|
Steering member
|
2.
|
Collar
|
3.
|
Lower joint
|
|
4.
|
Steering column
|

|
Front
|