LEMON Manuals: Even more car manuals for everyone: 1960-2025
Home >> Lexus >> 2001 >> LS 430 >> Repair and Diagnosis >> Body & Frame >> Body, Cab Control Systems >> Body Control Systems >> Circuit Tests >> Fog Light Circuit
April 5, 2026: LEMON Manuals is launched! Read the announcement.

Fog Light Circuit

NOTE: If LEXUS scan tool is available, start test from step  1. If this scan tool is not available, start test from step  2.
  1. Using scan tool, operate fog lights in ACTIVE TEST. If fog lights do not operate, go to next step. If fog lights operate, go to next test listed in BODY NO. 2 CONTROL SYSTEM  table under TROUBLE SHOOTING .
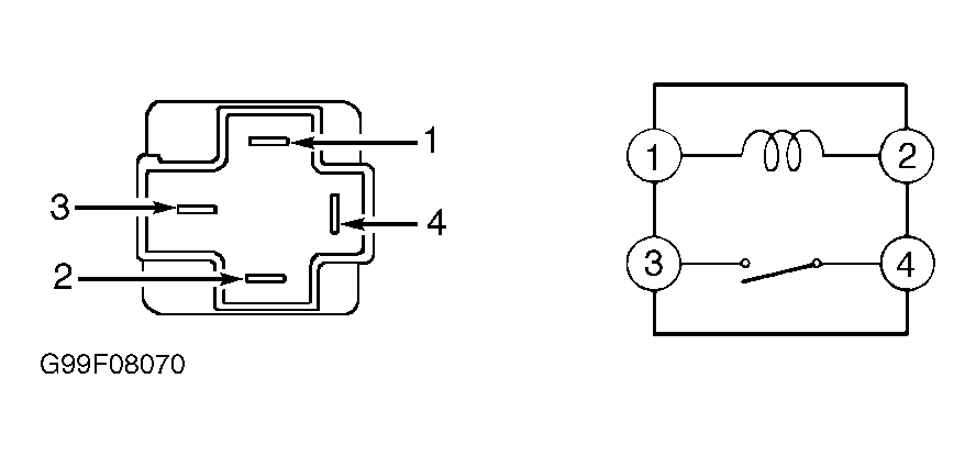
  2. Check FR FOG fuse located in engine room junction block. Replace fuse as necessary. If fuse is okay, ensure ignition is off. Disconnect body No. 5 ECU connector. Measure voltage between connector terminals No. 3 and 25. See PIN VOLTAGE TESTS . If 10-14 volts are present, go to next test listed in appropriate SYMPTOM DIAGNOSIS table under TROUBLE SHOOTING . If 10-14 volts are not present, check foglights. Replace foglights as necessary. If foglights are okay, check foglight relay. See Fig 1. If foglight relay is okay, check circuits for faults between foglight, body No. 5 ECU and battery. See WIRING DIAGRAMS . Repair or replace as necessary.
Fig 1: Identifying Foglight & Headlight Relay Terminals
G99F08070Courtesy of © TOYOTA, LICENSE AGREEMENT TMS1002