LEMON Manuals: Even more car manuals for everyone: 1960-2025
Home >> Lexus >> 2002 >> ES 300 >> Repair and Diagnosis (Single Page) >> Engine Performance >> Engine Control Systems >> Throttle Body Assembly >> Components >> Notes
April 5, 2026: LEMON Manuals is launched! Read the announcement.

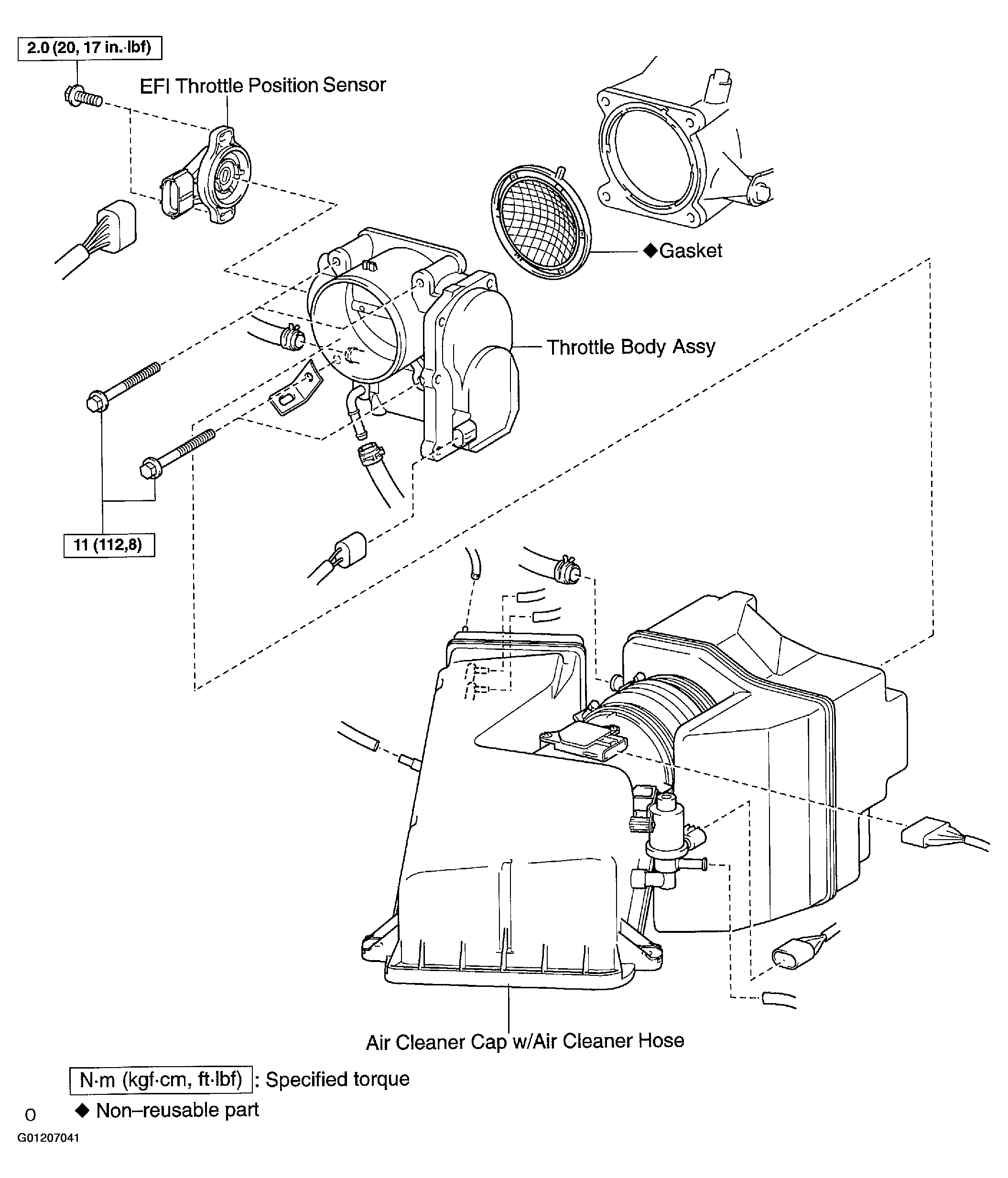
Throttle Body Assembly: Components: Notes

Fig 1: Displaying Throttle Body Assembly Components
G01207041Courtesy of © TOYOTA, LICENSE AGREEMENT TMS1002