LEMON Manuals: Even more car manuals for everyone: 1960-2025
Home >> Lexus >> 2002 >> ES 300 >> Repair and Diagnosis >> External Pages >> Different car >> Section 203 (Power Window Control System) >> Inspection
April 5, 2026: LEMON Manuals is launched! Read the announcement.

Section 203 (Power Window Control System): Inspection

WARNING: This page is about a different car, the 2004 Toyota Camry. However, it is still accessible from the selected car via links, so may be relevant.
  1. INSPECT POWER WINDOW REGULATOR MASTER SWITCH ASSY
    1. Check the continuity between each terminal of the connector.
    NOTE: Whether the operation is good or bad can be judged by the basic function check, because the continuity cannot be checked by UP/DOWN operation of the driver side switch.
    Fig 1: Inspecting Power Window Regulator Master Switch
    G02891050Courtesy of © TOYOTA, LICENSE AGREEMENT TMS1002
    STANDARD (WINDOW UNLOCK)

    Switch position Passenger Side Terminals No. Rear RH Terminals No. Rear LH Terminals No.
    UP 6 - 13 *1 (6 - 18*2 ), 1 - 15 6 - 18 *1 (6 - 10 *2 ), 1 - 16 6 - 12, 1 - 10 *1 (1 - 13 *2 )
    OFF 1 -13*1 (1 -18*2 ), 1 -15 1 -18*1 (1 -10*2 ), 1 -16 6 - 12, 1 - 10*1 (1 - 12 *2 )
    DOWN 6-15, 1 -13 *1 (1 -18*2 ) 6 - 16, 1 - 18 *1 (1 - 10 *2 ) 6 - 10 *1 (6 - 13 *2 ), 1 - 12
    STANDARD (WINDOW LOCK)

    Switch position Passenger Side Terminals No. RH Terminals No. LH Terminals No.
    UP 6- 13 *1 (6 - 18 *2 ) 6-18 *1 (6 - 10 *2 ) 6-12
    OFF 13 - 15 *1 (18-15 *2 ) 16-18 *1 (1 -10 *2 ) 10-12
    DOWN 6-15 6-16 6 - 10 *1 (6 - 13 *2 )

    *1 : w/ Jam protection *2 : w/o Jam protection f the continuity is not as specified replace the switch.

  2. INSPECT POWER WINDOW REGULATOR SWITCH ASSY 
    1. Check the continuity between each terminal of the connector when operating the switch.

    Standard: 

    INSTALLING SWITCH POSITION

    Switch position Terminals No. Condition
    UP 1 - 2 Continuity
    UP 3 - 4 Continuity
    OFF 1 - 2 Continuity
    OFF 3 - 5 Continuity
    DOWN 1 - 4 Continuity
    DOWN 3 - 5 Continuity

    If the continuity is not as specified, replace the switch.

    Fig 2: Inspecting Power Window Regulator Switch Assembly
    G02891051Courtesy of © TOYOTA, LICENSE AGREEMENT TMS1002
  3. INSPECT POWER WINDOW REGULATOR MOTOR ASSY LH 
    NOTE:
    • Be sure not to apply battery voltage to terminals 2,3 and 6 of the power window regulator motor assy LH connector, because it might damage the pulse sensor and the limit switch.
    • Be sure to reset the power window regulator motor assembly (initial position setting of the limit switch) when the power window regulator motor assy LH is installed to the regulator.
    1. Inspect operation of the front LH power window regulator motor assembly.
      1. When adding battery voltage to each connector terminal, check that the motor operates smoothly.

      Standard: 

      STANDARD

      Measurement condition Operational direction
      Battery positive - Terminal 5 Battery negative - Terminal 4 Clockwise
      Battery positive - Terminal 4 Battery negative - Terminal 5 Counterclockwise
      Fig 3: Inspecting Operation Front LH Power Window Regulator Motor Assembly
      G02891052Courtesy of © TOYOTA, LICENSE AGREEMENT TMS1002
    2. Check operation of the PTC inside the power window regulator motor.
    NOTE: Work must be performed with the power window regulator and door glass installed to the vehicle.
    1. Set the DC 400 A probe to terminal 4 or 5 of the wire harness.
      NOTE: Match the arrow mark of the probe with the current direction.
    2. Set the door glass at the fully closed position.
    3. When approximately 60 seconds have passed after fully closing the door glass, check how long the current takes to change from approximately 16 - 34 A to less than 1 A when pulling the power regulator switch UP furthermore (at initial time).

      Standard: Approximately 4 - 90 seconds 

    4. When approximately 60 seconds have passed after the cut-off check, check that the door glass goes down when the power regulator switch is pressed DOWN.
      Fig 4: Measurement Condition Chart
      G02891053Courtesy of © TOYOTA, LICENSE AGREEMENT TMS1002
  4. INSPECT POWER WINDOW REGULATOR MOTOR ASSY RH 
    1. Inspect operation of the front RH power window regulator motor assembly.
      1. When adding battery voltage to each connector terminal, check that the motor operates smoothly.

      Standard: 

      MEASUREMENT CONDITION

      Measurement condition Operational direction
      Battery positive - Terminal 5 Battery negative - Terminal 4 Clockwise
      Battery positive - Terminal 4 Battery negative - Terminal 5 Counterclockwise
    2. Check operation of the PTC inside the power window regulator motor.
      NOTE: Work must be performed with the power window regulator and door glass installed to the vehicle.
      1. Set the DC 400 A probe to terminal 4 or 5 of the wire harness.
        NOTE: Match the arrow mark of the probe with the current direction.
      2. Set the door glass at the fully closed position.
      3. When approximately 60 seconds have passed after fully closing the door glass, check how long the current takes to change from approximately 16 - 34 A to less than 1 A when pulling the power regulator switch UP furthermore (at initial time).

        Standard: Approximately 4 - 90 seconds 

      4. When approximately 60 seconds have passed after the cut-off check, check that the door glass goes down when the power regulator switch is pressed DOWN.
        Fig 5: Inspecting Power Window Regulator Motor Assembly LH
        G02891054Courtesy of © TOYOTA, LICENSE AGREEMENT TMS1002
  5. INSPECT POWER WINDOW REGULATOR MOTOR ASSY LH 
    1. Inspect operation of the rear LH power window regulator motor assembly.
      1. When adding battery voltage to each connector terminal, check that the motor operates smoothly.

      Standard: 

      MEASUREMENT CONDITION

      Measurement condition Operational direction
      Battery positive - Terminal 5 Battery negative - Terminal 4 Clockwise
      Battery positive - Terminal 4 Battery negative - Terminal 5 Counterclockwise
    2. Check operation of the PTC inside the power window regulator motor.
      NOTE: Work must be performed with the power window regulator and door glass installed to the vehicle.
      1. Set the DC 400 A probe terminal 4 or 5 of the wire harness.
        NOTE: Match the arrow mark of the probe with the current direction.
      2. Set the door glass at the fully closed position.
      3. When approximately 60 seconds have passed after fully closing the door glass, check how long the current takes to change from approximately 16 - 34 A to less than 1 A when pulling the power regulator switch UP furthermore (at initial time).

        Standard: Approximately 4 - 90 seconds 

      4. When approximately 60 seconds have passed after the cut-off check, check that the door glass goes down when the power regulator switch is pressed DOWN.
  6. INSPECT POWER WINDOW REGULATOR MOTOR ASSY RH 
    1. Inspect operation of the rear RH power window regulator motor assembly.
      1. When adding battery voltage to each connector terminal, check that the motor operates smoothly.
        Fig 6: Inspecting Power Window Regulator Motor Assembly
        G02891055Courtesy of © TOYOTA, LICENSE AGREEMENT TMS1002

      Standard: 

      MEASUREMENT CONDITION

      Measurement condition Operational direction
      Battery positive - Terminal 5 Battery negative - Terminal 4 Clockwise
      Battery positive - Terminal 4 Battery negative - Terminal 5 Counterclockwise
    2. Check operation of the PTC inside the power window regulator motor.
      NOTE: Work must be performed with the power window regulator and door glass installed to the vehicle.
      1. Set the DC 400 A probe to terminal 4 or 5 of the wire harness.
        NOTE: Match the arrow mark of the probe with the current direction.
      2. Set the door glass at the fully closed position.
      3. When approximately 60 seconds have passed after fully closing the door glass, check how long the current takes to change from approximately 16 - 34 A to less than 1 A when pulling the power regulator switch UP furthermore (at initial time).

        Standard: Approximately 4 - 90 seconds 

      4. When approximately 60 seconds have passed after the cut-off check, check that the door glass goes down when the power regulator switch is pressed DOWN.
        Fig 7: Measurement Condition
        G02891056Courtesy of © TOYOTA, LICENSE AGREEMENT TMS1002
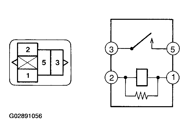
  7. INSPECT POWER WINDOW RELAY ASSY 
    1. Inspect the power window relay continuity.

      Standard: 

    SPECIFICATION TERMINAL CONDITION

    Terminals No. Condition Specified Condition
    1 - 2 Constant Continuity
    3 - 5 Constant No continuity
    3 - 5 Apply B + to terminals 1 and 2 Continuity

    If the continuity is not as specified, replace the relay.