LEMON Manuals: Even more car manuals for everyone: 1960-2025
Home >> Lexus >> 2002 >> IS 300 Base, Standard >> Repair and Diagnosis >> Brakes >> Traction Control >> Anti-Lock >> Diagnostic Trouble Code Definitions >> DTC C1246 >> Testing Procedure
April 5, 2026: LEMON Manuals is launched! Read the announcement.

Testing Procedure

For wiring diagram, see Fig 1. For testing procedure, see Fig 2 and Fig 3 .

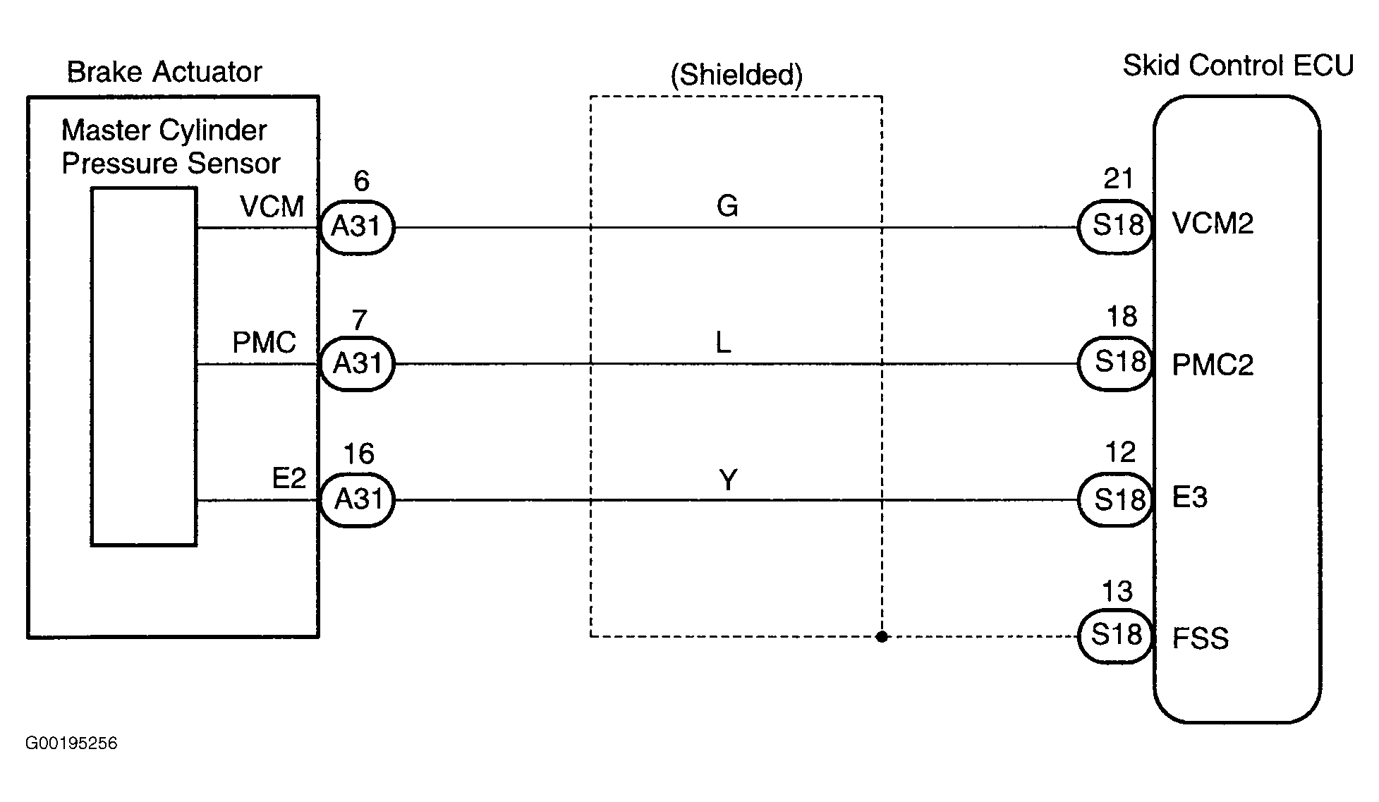
Fig 1: Wiring Diagram Master Cylinder Pressure Sensor Circuit
G00195256Courtesy of © TOYOTA, LICENSE AGREEMENT TMS1002
Fig 2: Testing Procedure Master Cylinder Pressure Sensor (1 Of 2)
G00195257Courtesy of © TOYOTA, LICENSE AGREEMENT TMS1002
Fig 3: Testing Procedure Master Cylinder Pressure Sensor (2 of 2)
G00195258Courtesy of © TOYOTA, LICENSE AGREEMENT TMS1002