LEMON Manuals: Even more car manuals for everyone: 1960-2025
Home >> Lexus >> 2002 >> LS 430 >> Repair and Diagnosis >> External Pages >> Different car >> Section 546 (Power Mirror Control System) >> System Diagram
April 5, 2026: LEMON Manuals is launched! Read the announcement.

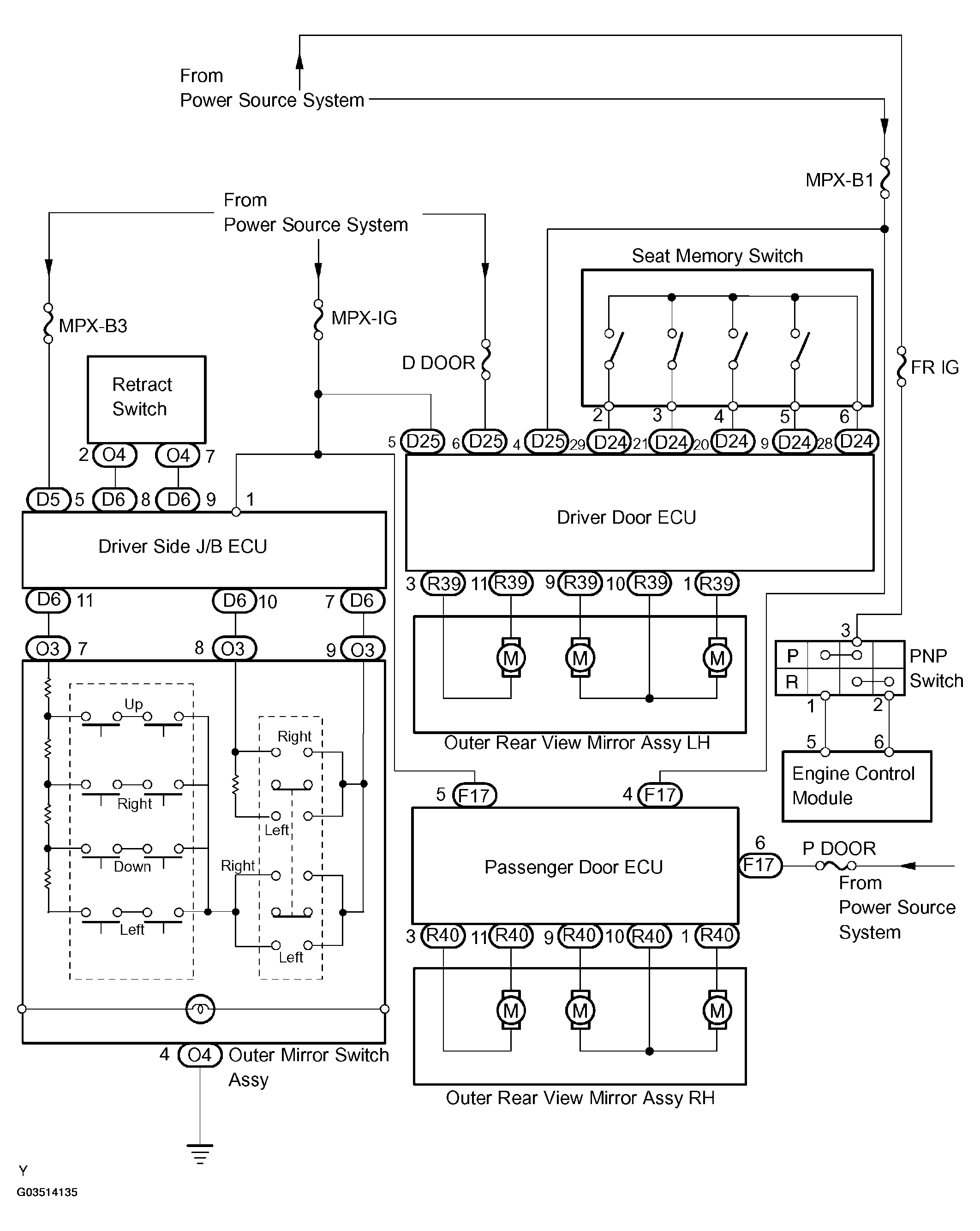
System Diagram

WARNING: This page is about a different car, the 2004 Lexus LS 430. However, it is still accessible from the selected car via links, so may be relevant.
Fig 1: Power Mirror Control System Diagram
G03514135Courtesy of © TOYOTA, LICENSE AGREEMENT TMS1002