LEMON Manuals: Even more car manuals for everyone: 1960-2025
Home >> Lexus >> 2002 >> LS 430 >> Repair and Diagnosis >> Suspension >> Electronic Suspension >> Diagnostic Trouble Code Definitions >> DTC C1742 >> Testing Procedure
April 5, 2026: LEMON Manuals is launched! Read the announcement.

Testing Procedure

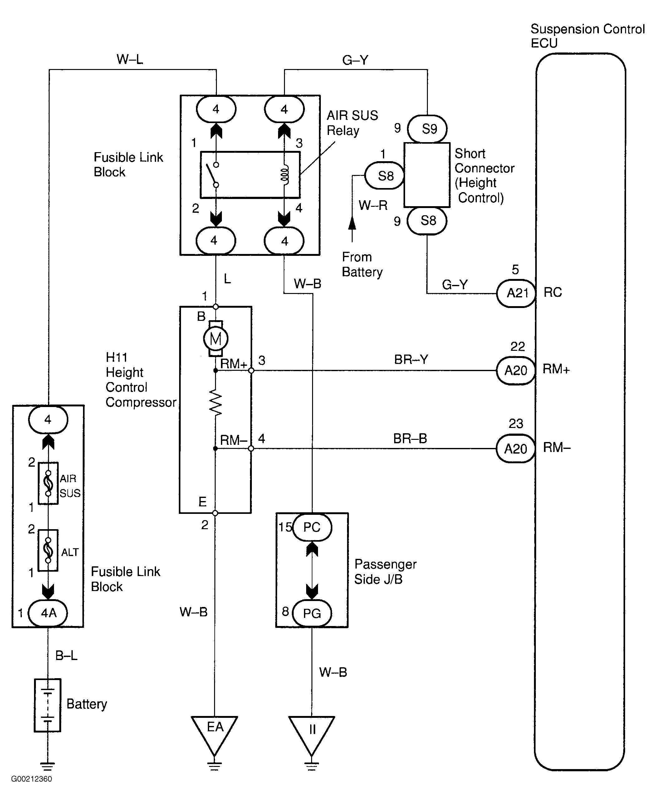
For wiring diagram see Fig 1. For testing procedure see Fig 2 - Fig 4 .

Fig 1: Wiring Diagram Height Control Compressor Circuit
G00212360Courtesy of © TOYOTA, LICENSE AGREEMENT TMS1002
Fig 2: Testing Procedure Height Control Compressor Circuit (1 Of 3)
G00212361Courtesy of © TOYOTA, LICENSE AGREEMENT TMS1002
Fig 3: Testing Procedure Height Control Compressor Circuit (2 Of 3)
G00212362Courtesy of © TOYOTA, LICENSE AGREEMENT TMS1002
Fig 4: Testing Procedure Height Control Compressor Circuit (3 Of 3)
G00212363Courtesy of © TOYOTA, LICENSE AGREEMENT TMS1002