LEMON Manuals: Even more car manuals for everyone: 1960-2025
Home >> Lexus >> 2002 >> RX 300 FWD >> Repair and Diagnosis >> Brakes >> Traction Control >> Anti-Lock >> Diagnostic Trouble Code Definitions >> DTC C1231 >> Testing Procedure
April 5, 2026: LEMON Manuals is launched! Read the announcement.

Testing Procedure

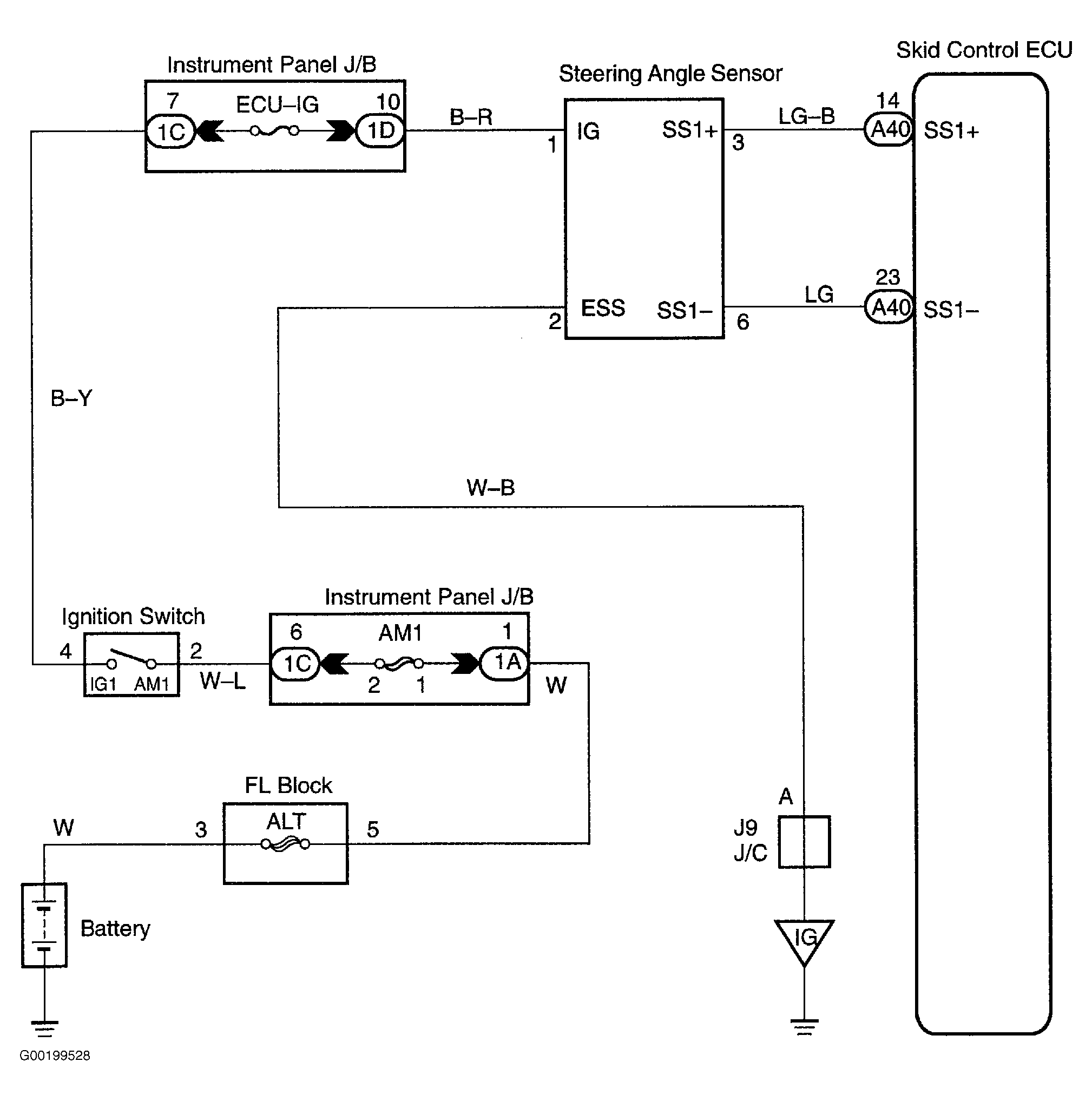
For wiring diagram, see Fig 1. For testing procedure, see Fig 2 and Fig 3 .

Fig 1: Wiring Diagram Steering Angle Sensor Circuit
G00199528Courtesy of © TOYOTA, LICENSE AGREEMENT TMS1002
Fig 2: Testing Procedure Steering Angle Sensor Circuit (1 Of 2)
G00199529Courtesy of © TOYOTA, LICENSE AGREEMENT TMS1002
Fig 3: Testing Procedure Steering Angle Sensor Circuit (2 Of 2)
G00199530Courtesy of © TOYOTA, LICENSE AGREEMENT TMS1002