LEMON Manuals: Even more car manuals for everyone: 1960-2025
Home >> Lexus >> 2002 >> SC 430 >> Repair and Diagnosis >> External Pages >> Different car >> Section 298 (LEXUS Navigation System - Diagnosis) >> No Navigation Screen Displayed When "Map", "Menu" Or Destination" Switch Pressed (Screen Cannot Be Switched) >> Wiring Diagram
April 5, 2026: LEMON Manuals is launched! Read the announcement.

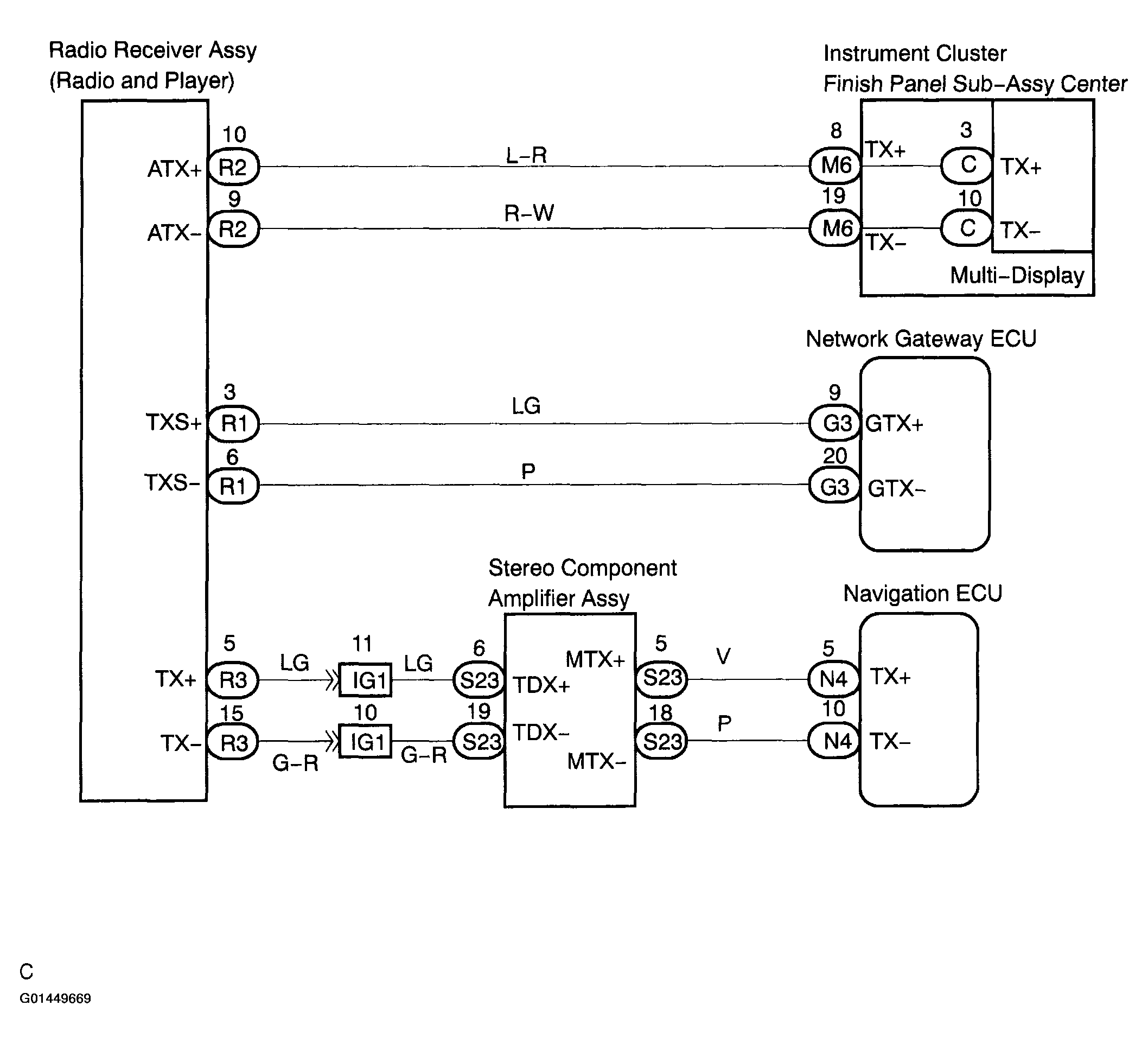
No Navigation Screen Displayed When "Map", "Menu" Or Destination" Switch Pressed (Screen Cannot Be Switched): Wiring Diagram

WARNING: This page is about a different car, the 2004 Lexus SC 430. However, it is still accessible from the selected car via links, so may be relevant.
Fig 1: Radio Receiver Assembly Circuit Diagram
G01449669Courtesy of © TOYOTA, LICENSE AGREEMENT TMS1002