LEMON Manuals: Even more car manuals for everyone: 1960-2025
Home >> Lexus >> 2002 >> SC 430 >> Repair and Diagnosis >> External Pages >> Different car >> Section 298 (LEXUS Navigation System - Diagnosis) >> Touch Switch Does Not Function (Navigation Screen Only) >> Wiring Diagram
April 5, 2026: LEMON Manuals is launched! Read the announcement.

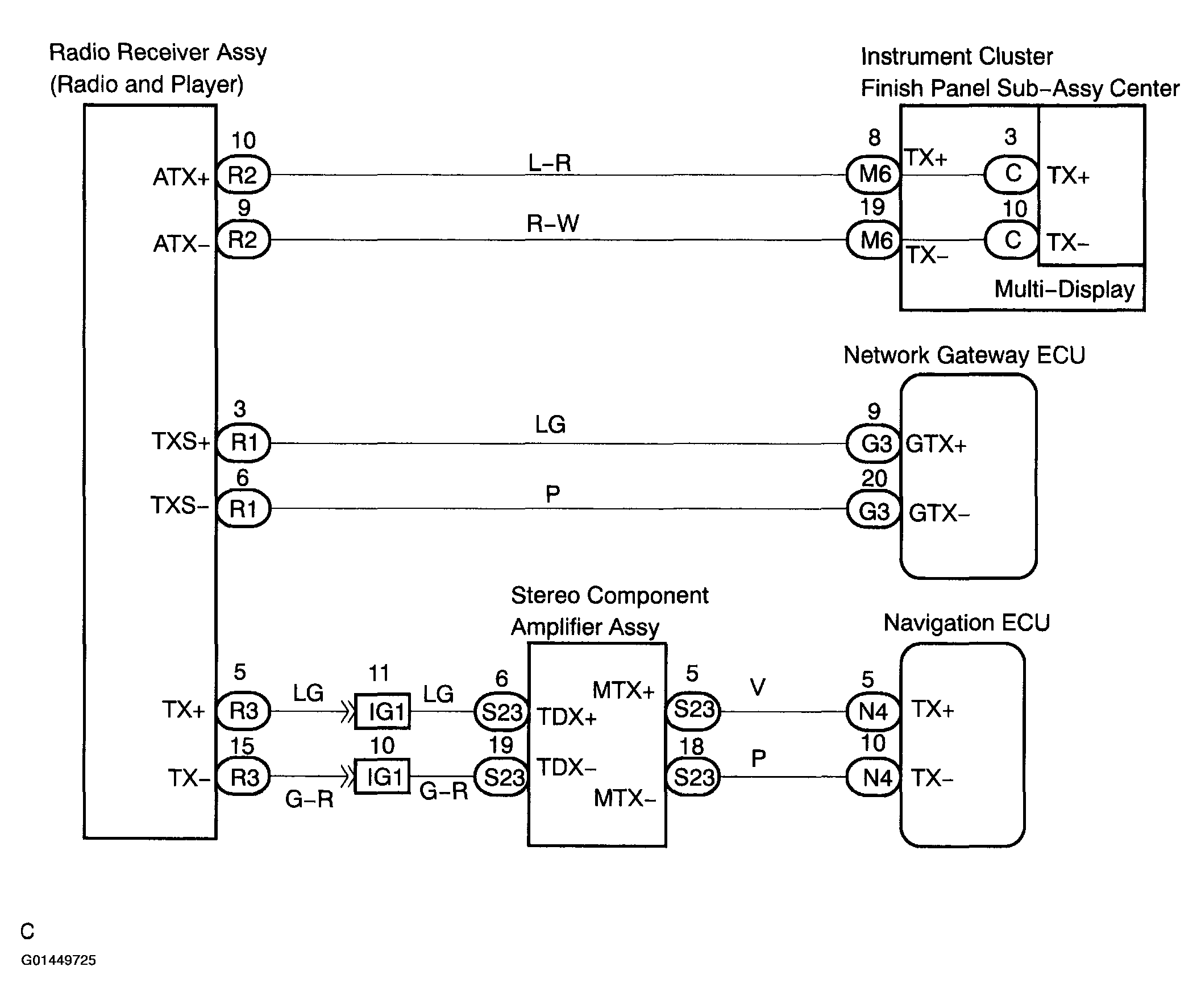
Touch Switch Does Not Function (Navigation Screen Only): Wiring Diagram

WARNING: This page is about a different car, the 2004 Lexus SC 430. However, it is still accessible from the selected car via links, so may be relevant.
Fig 1: Radio Receiver Circuit Diagram
G01449725Courtesy of © TOYOTA, LICENSE AGREEMENT TMS1002