LEMON Manuals: Even more car manuals for everyone: 1960-2025
Home >> Lexus >> 2004 >> ES 330 >> Repair and Diagnosis >> External Pages >> Different car >> Section 189 (Lighting System) >> Inspection
April 5, 2026: LEMON Manuals is launched! Read the announcement.

Section 189 (Lighting System): Inspection

WARNING: This page is about a different car, the 2004 Toyota Sienna. However, it is still accessible from the selected car via links, so may be relevant.
  1. HEADLAMP DIMMER SWITCH ASSY 
    1. Inspect light control switch continuity.
      1. Check that there is continuity between the terminals at each switch position as shown in the chart.

      Standard: 

      LIGHT CONTROL SWITCH CONTINUITY

      Switch operation Tester connection Specified condition
      OFF - No continuity
      TAIL 14-16 Continuity
      HEAD 13-16 - 14 Continuity
      AUTO 12 - 16 Continuity
      Fig 1: Identifying Headlamp Dimmer Switch Assy Terminals
      G03063270Courtesy of © TOYOTA, LICENSE AGREEMENT TMS1002
    2. Inspect headlight dimmer switch continuity.
      1. Check that there is continuity between the terminals at each switch position as shown in the chart.

      Standard: 

      HEADLIGHT DIMMER SWITCH CONTINUITY

      Switch operation Tester connection Specified condition
      FLASH 7-8-16 Continuity
      LOW BEAM 16 - 17 Continuity
      HI BEAM 7 - 16 Continuity
    3. Inspect turn signal switch continuity.
      1. Check that there is continuity between the terminals at each switch position as shown in the chart.

      Standard: 

      TURN SIGNAL SWITCH CONTINUITY

      Switch operation Tester connection Specified condition
      Right turn 2 - 3 Continuity
      Neutral - No continuity
      Left turn 1 - 2 Continuity
    4. Inspect front fog light switch continuity.
      1. Check that there is continuity between the terminals at each switch position as shown in the chart.

      Standard: 

      FRONT FOG LIGHT SWITCH CONTINUITY

      Switch operation Tester connection Specified condition
      OFF - No continuity
      ON 11 - 18 Continuity
  2. HAZARD WARNING SIGNAL SWITCH ASSY 
    1. Check that there is continuity between the terminals at each switch position as shown in the chart.

      Standard: 

      HAZARD WARNING SIGNAL SWITCH TERMINAL CONTINUITY

      Switch operation Tester connection Specified condition
      OFF 3 - 4 No continuity
      ON 3-4 Continuity
      Illumination circuit 5 - 6 Continuity
      Fig 2: Identifying Hazard Warning Signal Switch Assy Terminals
      G03063271Courtesy of © TOYOTA, LICENSE AGREEMENT TMS1002
    2. Inspect illumination operation.
      1. Connect the positive (+) lead from the battery to the terminal 6 and negative (-) lead to the terminal 5, then check that the illumination comes on.
  3. FRONT DOOR COURTESY LAMP SWITCH ASSY 
    1. Check that there is continuity between the terminal and the switch body when the switch is operated.

      Standard: 

      ON (When shaft is pressed): No continuity 

      OFF (When shaft is not pressed): Continuity 

  4. REAR DOOR COURTESY LAMP SWITCH ASSY 
    1. Check that there is continuity between the terminal and the switch body when the switch is operated.

      Standard: 

      ON (When shaft is pressed): No continuity 

      OFF (When shaft is not pressed): Continuity 

  5. BACK DOOR LOCK ASSY (W/O POWER BACK DOOR) 
    1. Inspect back door courtesy lamp switch operation.
      1. Check that there is continuity between the terminal 5 and the terminal 6 when the back door is open and closed.

      Standard: 

      Back door is open: No continuity 

      Back door is closed: Continuity 

    Fig 3: Identifying Back Door Lock Assy Terminals (W/O Power Back Door)
    G03063272Courtesy of © TOYOTA, LICENSE AGREEMENT TMS1002
  6. BACK DOOR LOCK ASSY (W/ POWER BACK DOOR) 
    1. Inspect back door courtesy lamp switch operation.
      1. Check that there is continuity between the terminal 3 and the terminal 4 when the back door is open and closed.

      Standard: 

      Back door is open: No continuity 

      Back door is closed: Continuity 

    Fig 4: Identifying Back Door Lock Assy Terminals (W/ Power Back Door)
    G03063273Courtesy of © TOYOTA, LICENSE AGREEMENT TMS1002
  7. HEADLAMP RELAY 
    1. Inspect relay continuity.

    Standard: 

    HEADLAMP RELAY CONTINUITY

    Condition Tester connection Specified condition
    Always 1 - 2 Continuity
    Always 3 - 5 No continuity
    Apply B+ between the terminal 1 and 2 3 - 5 Continuity
    Fig 5: Identifying Headlamp Relay
    G03063274Courtesy of © TOYOTA, LICENSE AGREEMENT TMS1002
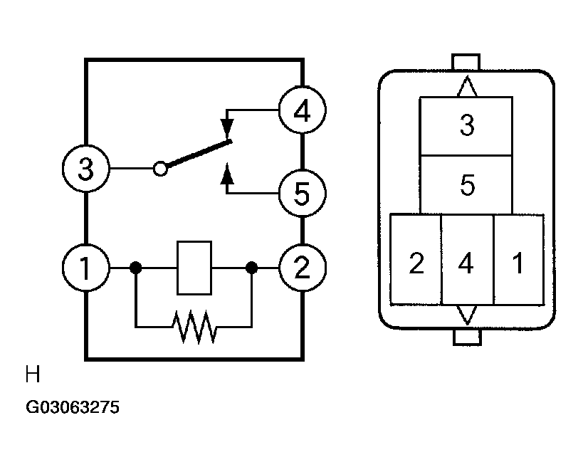
  8. TAIL LAMP RELAY 
    1. Inspect relay continuity.

      Standard: 

      TAIL LAMP RELAY CONTINUITY

      Condition Tester connection Specified condition
      Always 1 - 2 3-4 Continuity
      Always 3 - 5 No continuity
      Apply B+ between the terminal 1 and 2 3 - 5 Continuity
      Fig 6: Identifying Tail Lamp Relay
      G03063275Courtesy of © TOYOTA, LICENSE AGREEMENT TMS1002
  9. FOG LAMP RELAY 
    1. Inspect relay continuity.

      Standard: 

      FOG LAMP RELAY CONTINUITY

      Condition Tester connection Specified condition
      Always 1 - 2 Continuity
      Always 3 - 5 No continuity
      Apply B+ between the terminal 1 and 2 3 - 5 Continuity
      Fig 7: Identifying Fog Lamp Relay
      G03063276Courtesy of © TOYOTA, LICENSE AGREEMENT TMS1002
  10. RUNNING LIGHT RELAY 
    1. Inspect relay continuity.

      Standard: 

      RUNNING LIGHT RELAY CONTINUITY

      Condition Tester connection Specified condition
      Always 1 - 2 3-4 Continuity
      Always 3 - 5 No continuity
      Apply B+ between the terminal 1 and 2 3 - 5 Continuity
      Fig 8: Identifying Running Light Relay
      G03063277Courtesy of © TOYOTA, LICENSE AGREEMENT TMS1002
  11. HEADLAMP DAY DIM LIGHT RELAY 
    1. Inspect relay continuity.

      Standard: 

      HEADLAMP DAY DIM LIGHT RELAY CONTINUITY

      Condition Tester connection Specified condition
      Always 1 - 2 Continuity
      Always 3 - 5 No continuity
      Apply B+ between the terminal 1 and 2 3 - 5 Continuity
      Fig 9: Identifying Headlamp Day Dim Light Relay
      G03063278Courtesy of © TOYOTA, LICENSE AGREEMENT TMS1002
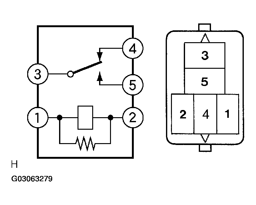
  12. BRK RELAY 
    1. Inspect relay continuity.

      Standard: 

      BRK RELAY CONTINUITY

      Condition Tester connection Specified condition
      Always 1 - 2 3-4 Continuity
      Always 3 - 5 No continuity
      Apply B+ between the terminal 1 and 2 3 - 5 Continuity
      Fig 10: Identifying BRK Relay
      G03063279Courtesy of © TOYOTA, LICENSE AGREEMENT TMS1002
  13. KEY CYLINDER LAMP ASSY 
    1. Connect the battery positive (+) lead to the terminal 1 and the battery negative (-) lead to the terminal 2, and check that the indicator light comes on.
    Fig 11: Identifying Key Cylinder Lamp Assy Terminals
    G03063280Courtesy of © TOYOTA, LICENSE AGREEMENT TMS1002
  14. TRANSPONDER KEY AMPLIFIER 
    1. Inspect key cylinder lamp operation.
      1. Connect the battery positive (+) lead to the terminal 2 and the battery negative (-) lead to the terminal 6, and check that the indicator light comes on.
    Fig 12: Identifying Transponder Key Amplifier Terminals
    G03063281Courtesy of © TOYOTA, LICENSE AGREEMENT TMS1002
  15. ROOF CONSOLE BOX ASSY 
    1. Inspect map light assy continuity.
      1. Check the continuity between the terminals at each switch position as shown in the chart.

      Standard: 

      MAP LIGHT ASSY CONTINUITY

      Switch operation Tester connection Specified condition
      OFF - No continuity
      DOOR 2 - 3 Continuity
      ON 1 - 2 Continuity
      Fig 13: Identifying Roof Console Box Terminal Connector
      G03063282Courtesy of © TOYOTA, LICENSE AGREEMENT TMS1002
  16. AIR OUTLET REGISTER ASSY NO. 1 
    1. Inspect interior light LH No. 1 continuity.
      1. Check that there is continuity between the terminals at each switch position as shown in the chart.

      Standard: 

      INTERIOR LIGHT LH NO. 1 CONTINUITY

      Switch operation Tester connection Specified condition
      OFF - No continuity
      DOOR 2 - 3 Continuity
      ON 1 - 2 Continuity
      Fig 14: Identifying Roof Console Box Terminal Connector
      G03063283Courtesy of © TOYOTA, LICENSE AGREEMENT TMS1002
  17. AIR OUTLET REGISTER ASSY NO. 2 
    1. Inspect interior light RH No. 1 continuity.
      1. Check that there is continuity between the terminals at each switch position as shown in the chart.

      Standard: 

      INTERIOR LIGHT RH NO. 1 CONTINUITY

      Switch operation Tester connection Specified condition
      OFF - No continuity
      DOOR 2 - 3 Continuity
      ON 1 - 2 Continuity
      Fig 15: Identifying Roof Console Box Terminal Connector
      G03063284Courtesy of © TOYOTA, LICENSE AGREEMENT TMS1002
  18. AIR DUCT REGISTER ASSY NO. 3 
    1. Inspect interior light LH No. 2 continuity.
      1. Check that there is continuity between the terminals at each switch position as shown in the chart.

      Standard: 

      INTERIOR LIGHT LH NO. 2 CONTINUITY

      Switch operation Tester connection Specified condition
      OFF - No continuity
      DOOR 2 - 3 Continuity
      ON 1 - 2 Continuity
      Fig 16: Identifying Roof Console Box Terminal Connector
      G03063285Courtesy of © TOYOTA, LICENSE AGREEMENT TMS1002
  19. AIR OUTLET REGISTER ASSY NO. 4 
    1. Inspect interior light RH No. 2 continuity.
      1. Check that there is continuity between the terminals at each switch position as shown in the chart.

      Standard: 

      INTERIOR LIGHT RH NO. 2 CONTINUITY

      Switch operation Tester connection Specified condition
      OFF - No continuity
      DOOR 2 - 3 Continuity
      ON 1 - 2 Continuity
      Fig 17: Identifying Roof Console Box Terminal Connector
      G03063286Courtesy of © TOYOTA, LICENSE AGREEMENT TMS1002
  20. FRONT DOOR TRIM BOARD SUB-ASSY LH 
    1. Inspect front door courtesy lamp.
      1. Check that the continuity exists between the terminals.

      Standard: There is continuity 

  21. FRONT DOOR TRIM BOARD SUB-ASSY RH 
    1. Inspect front door courtesy lamp.
      1. Check that the continuity exists between the terminals.

      Standard: There is continuity 

  22. REAR DOOR COURTESY LAMP ASSY LH 
    1. Check that the continuity exists between the terminals.

      Standard: There is continuity 

  23. REAR DOOR COURTESY LAMP ASSY RH 
    1. Check that the continuity exists between the terminals.

      Standard: There is continuity 

  24. ROOM LAMP ASSY NO. 2 
    1. Check that the continuity exists between the terminals.

      Standard: There is continuity 

  25. LH VISOR ASSY 
    1. Inspect vanity light continuity.
      1. Check that the continuity exists between the terminal 1 and the terminal 2 when the light is operated.

      Standard: 

      OFF (closed): No continuity 

      ON (opened): Continuity 

  26. RH VISOR ASSY 
    1. Inspect vanity light continuity.
      1. Check that the continuity exists between the terminal 1 and the terminal 2 when the light is operated.

      Standard: 

      OFF (closed): No continuity 

      ON (opened): Continuity 

  27. HEADLAMP LEVELING SWITCH 
    1. Connect the battery positive (+) lead to the terminal 1 and the battery negative (-) lead to the terminal 5.
    2. Measure the resistance between the terminal 4 and the battery negative (-) lead when headlamp leveling switch is operated.
    3. Measure the resistance between the terminal 5 and the battery negative (-) lead when headlamp leveling switch is operated.

      Standard: 

      HEADLAMP LEVELING SWITCH RESISTANCE

      Switch position Specified voltage (V)
      0 9.0 to 12.6
      1 7.9 to 11.1
      2 6.9 to 9.6
      3 5.8 to 8.2
      4 4.7 to 6.6
      5 3.7 to 5.1
      Fig 18: Testing Headlight Leveling Switch
      G03063287Courtesy of © TOYOTA, LICENSE AGREEMENT TMS1002
    4. Inspect switch illumination.
      1. Connect the battery positive (+) lead to the terminal 3 and the battery negative (-) lead to the terminal 6, and check that the illumination comes on.
      Fig 19: Checking Headlight Leveling Switch Illumination
      G03063288Courtesy of © TOYOTA, LICENSE AGREEMENT TMS1002
  28. STOP LAMP SWITCH ASSY 
    1. Check the continuity between the terminals at each switch position as shown in the chart.

      Standard: 

      STOP LAMP SWITCH CONTINUITY

      Switch position Tester connection Specified condition
      Switch pin free 1 - 2 No continuity
      Switch pin free 3 - 4 Continuity
      Switch pin pushed in 1 - 2 Continuity
      Switch pin pushed in 3-4 No continuity
      Fig 20: Checking Stop Lamp Switch Assy
      G03063289Courtesy of © TOYOTA, LICENSE AGREEMENT TMS1002
  29. INTERIOR DOME LAMP SWITCH ASSY 
    1. Check that there is continuity between the terminals at each switch position as shown in the chart.

      Standard: 

      Fig 21: Identifying Interior Dome Lamp Switch Assy Terminals
      G03063290Courtesy of © TOYOTA, LICENSE AGREEMENT TMS1002
      Fig 22: Interior Dome Lamp Switch Assy Reference Chart
      G03063291Courtesy of © TOYOTA, LICENSE AGREEMENT TMS1002
    2. Inspect illumination operation.
      1. Connect the battery positive (+) lead to the terminal 4 and the battery negative (-) lead to the terminal 1, and check that the illumination comes on.
  30. LIGHT CONTROL RELAY 
    1. Inspect relay continuity.

      Standard: 

      LIGHT CONTROL RELAY CONTINUITY

      Switch operation Tester connection Specified condition
      Always 1 - 2 Continuity
      Always 3 - 5 No continuity
      Apply B+ between the terminal 1 and 2 3 - 5 Continuity
      Fig 23: Identifying Light Control Relay Terminals
      G03063292Courtesy of © TOYOTA, LICENSE AGREEMENT TMS1002