LEMON Manuals: Even more car manuals for everyone: 1960-2025
Home >> Lexus >> 2004 >> GS 300 >> Repair and Diagnosis >> Electrical >> Gauges >> Combination Meter >> Circuit
April 5, 2026: LEMON Manuals is launched! Read the announcement.

Combination Meter: Circuit

Fig 1: Identifying Combination Meter Wiring Circuit Connectors
G03471108Courtesy of © TOYOTA, LICENSE AGREEMENT TMS1002
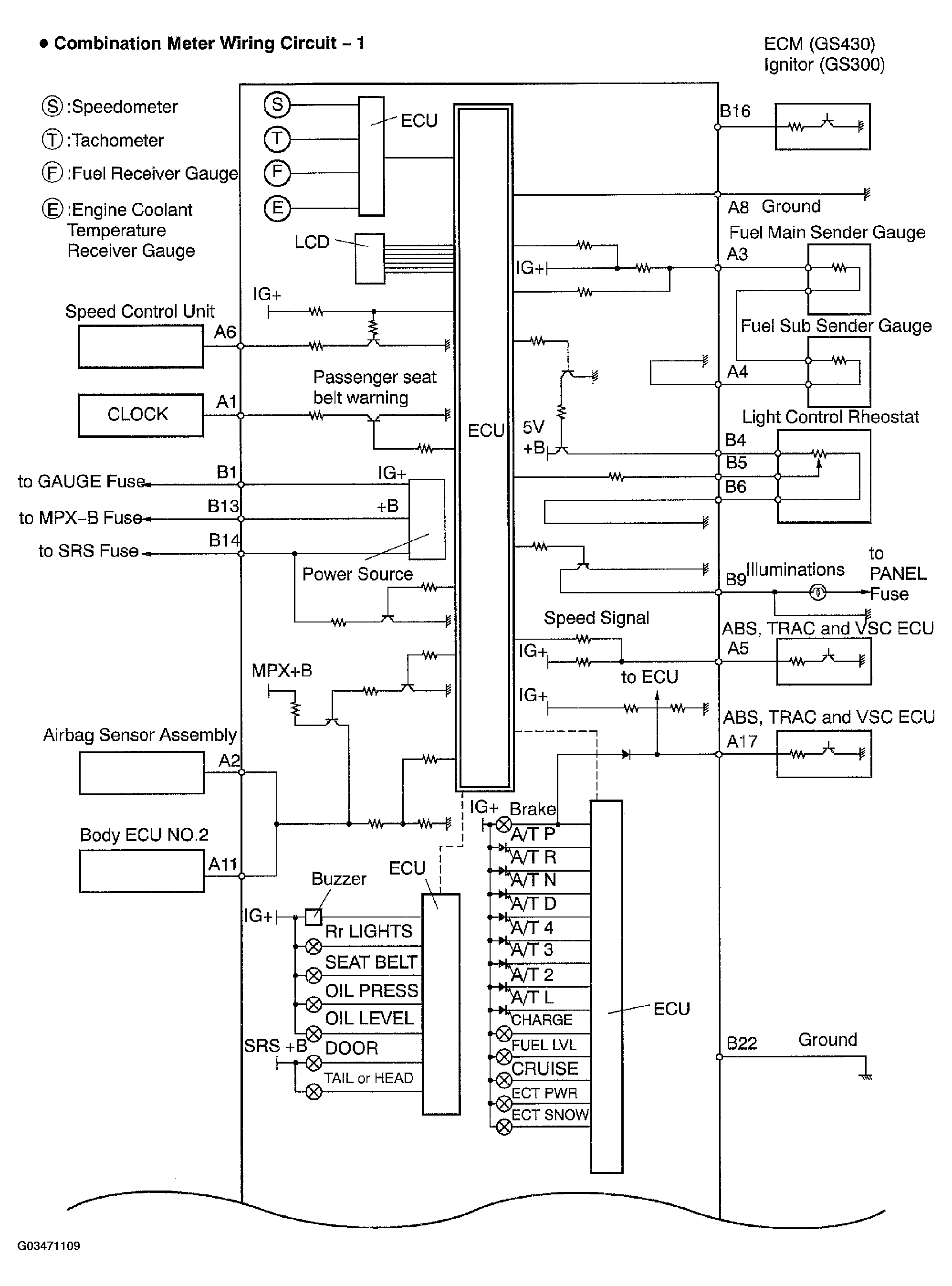
Fig 2: Combination Meter Wiring Circuit Diagram - 1
G03471109Courtesy of © TOYOTA, LICENSE AGREEMENT TMS1002
Fig 3: Combination Meter Wiring Circuit Diagram - 2 (1 Of 2)
G03471110Courtesy of © TOYOTA, LICENSE AGREEMENT TMS1002
Fig 4: Combination Meter Wiring Circuit Diagram - 2 (2 Of 2)
G03471111Courtesy of © TOYOTA, LICENSE AGREEMENT TMS1002
Fig 5: Identifying Combination Meter ECU Plate
G03471112Courtesy of © TOYOTA, LICENSE AGREEMENT TMS1002
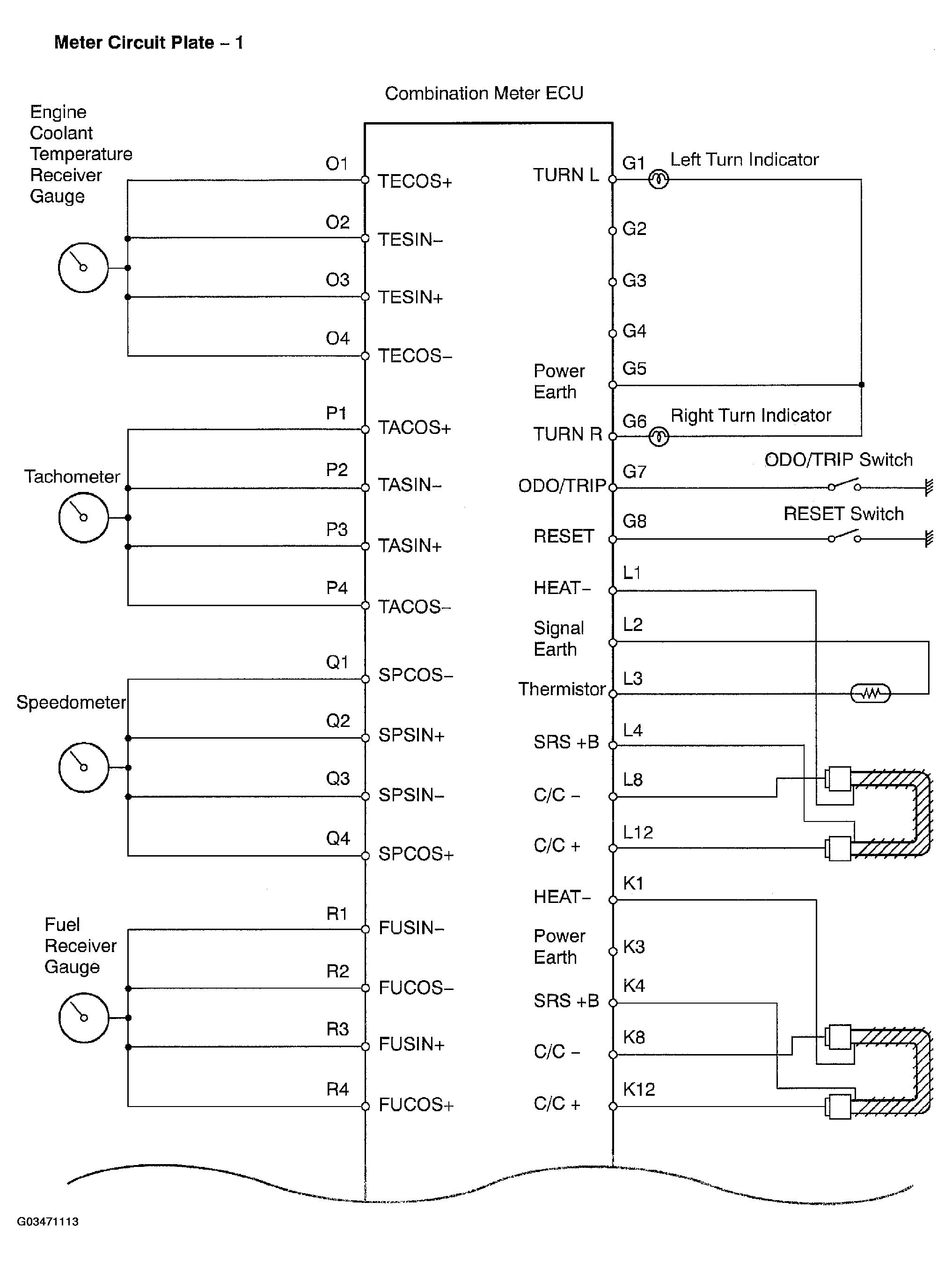
Fig 6: Identifying Meter Circuit Plate - 1
G03471113Courtesy of © TOYOTA, LICENSE AGREEMENT TMS1002
Fig 7: Identifying Meter Circuit Plate - 2
G03471114Courtesy of © TOYOTA, LICENSE AGREEMENT TMS1002