LEMON Manuals: Even more car manuals for everyone: 1960-2025
Home >> Lexus >> 2004 >> IS 300 Base, Automatic >> Repair and Diagnosis (Single Page) >> Transmission >> Automatic Trans >> Automatic Transmission >> Automatic Transmission Unit >> Components
April 5, 2026: LEMON Manuals is launched! Read the announcement.

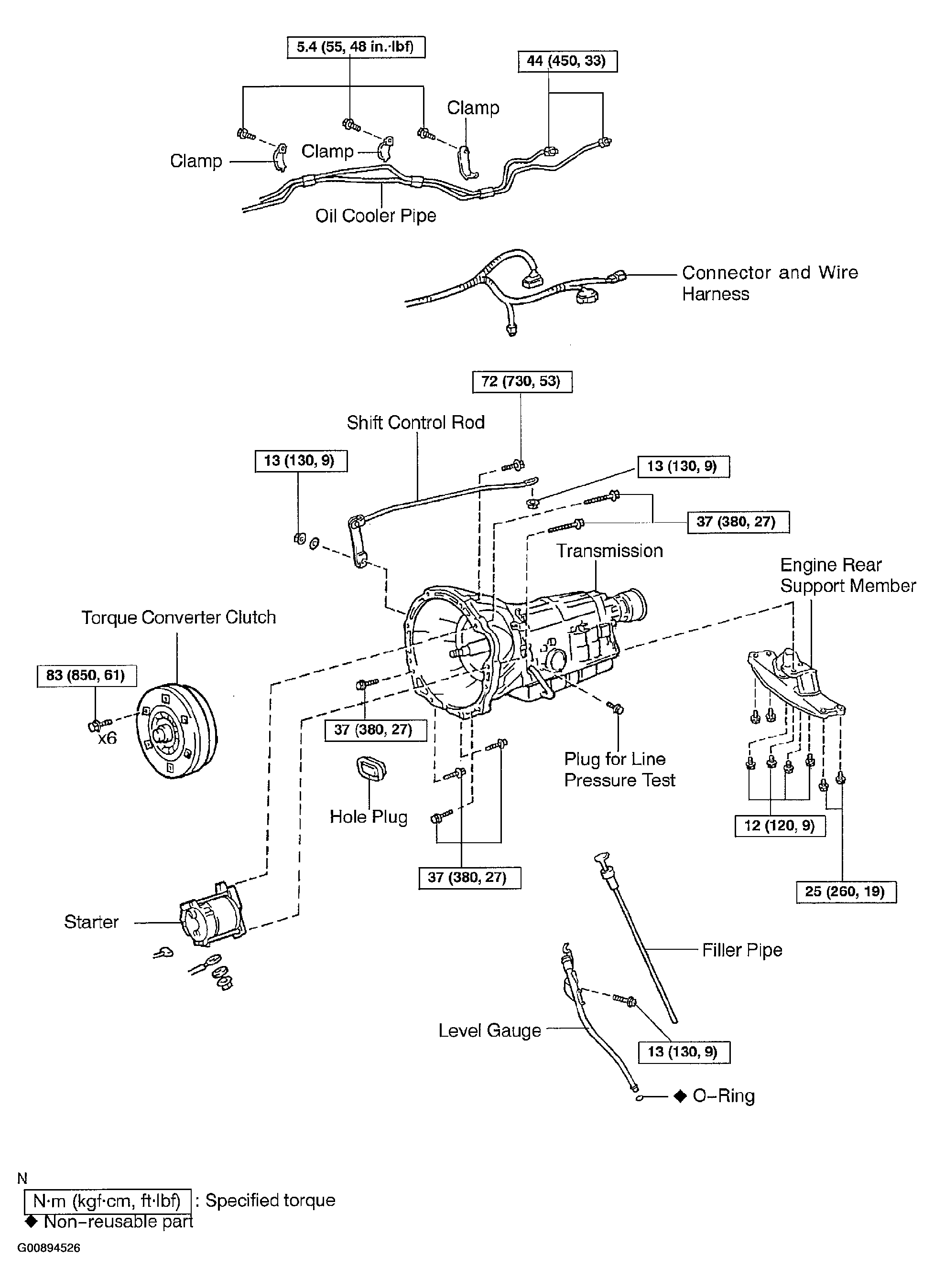
Automatic Transmission Unit: Components

Fig 1: Identifying Automatic Transmission Unit Components (1 Of 2)
G00894525Courtesy of © TOYOTA, LICENSE AGREEMENT TMS1002
Fig 2: Identifying Automatic Transmission Unit Components (2 Of 2)
G00894526Courtesy of © TOYOTA, LICENSE AGREEMENT TMS1002