LEMON Manuals: Even more car manuals for everyone: 1960-2025
Home >> Lexus >> 2004 >> IS 300 Base, Automatic >> Repair and Diagnosis >> External Pages >> Different car >> Section 51 (Engine Controls - Self-Diagnostics) >> Diagnostic Tests >> DTC P0134: Oxygen Sensor Circuit No Activity Detected (Bank 1 Sensor 1) & DTC P0154: Oxygen Sensor Circuit No Activity Detected (Bank 2 Sensor 1) >> Diagnosis & Repair
April 5, 2026: LEMON Manuals is launched! Read the announcement.

Diagnosis & Repair

WARNING: This page is about a different car, the 2003 Lexus ES 300. However, it is still accessible from the selected car via links, so may be relevant.

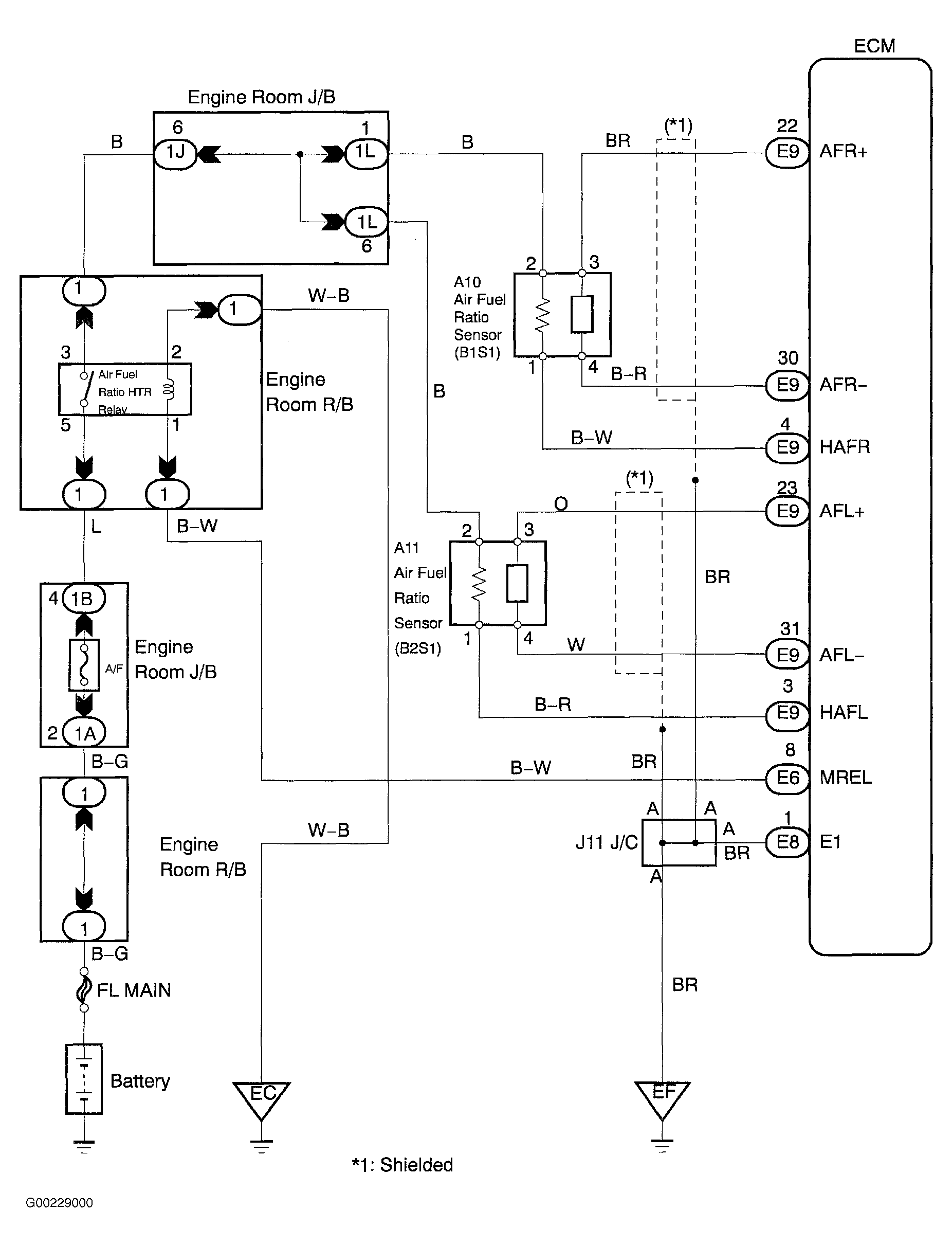
For wiring diagram, see Figure. For diagnosis and repair, see Fig 1-Fig 5 .

Fig 1: Diagnosis & Repair Of Oxygen Sensor Circuit (1 Of 5)
G00229025Courtesy of © TOYOTA, LICENSE AGREEMENT TMS1002
Fig 2: Diagnosis & Repair Of Oxygen Sensor Circuit (2 Of 5)
G00229026Courtesy of © TOYOTA, LICENSE AGREEMENT TMS1002
Fig 3: Diagnosis & Repair Of Oxygen Sensor Circuit (3 Of 5)
G00229027Courtesy of © TOYOTA, LICENSE AGREEMENT TMS1002
Fig 4: Diagnosis & Repair Of Oxygen Sensor Circuit (4 Of 5)
G00229028Courtesy of © TOYOTA, LICENSE AGREEMENT TMS1002
Fig 5: Diagnosis & Repair Of Oxygen Sensor Circuit (5 Of 5)
G00229029Courtesy of © TOYOTA, LICENSE AGREEMENT TMS1002