LEMON Manuals: Even more car manuals for everyone: 1960-2025
Home >> Lexus >> 2004 >> IS 300 Base, Automatic >> Repair and Diagnosis >> External Pages >> Different car >> Section 51 (Engine Controls - Self-Diagnostics) >> Diagnostic Tests >> DTC P0705: Transmission Range Sensor Circuit Malfunction (PRNDL Input) & P0850: Park/Neutral Switch Input Circuit >> Diagnosis & Repair
April 5, 2026: LEMON Manuals is launched! Read the announcement.

Diagnosis & Repair

WARNING: This page is about a different car, the 2003 Lexus ES 300. However, it is still accessible from the selected car via links, so may be relevant.

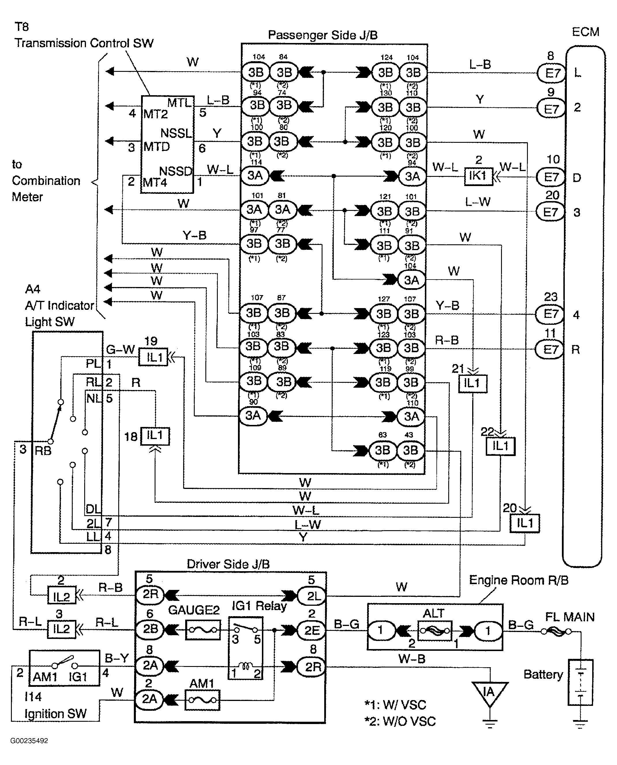
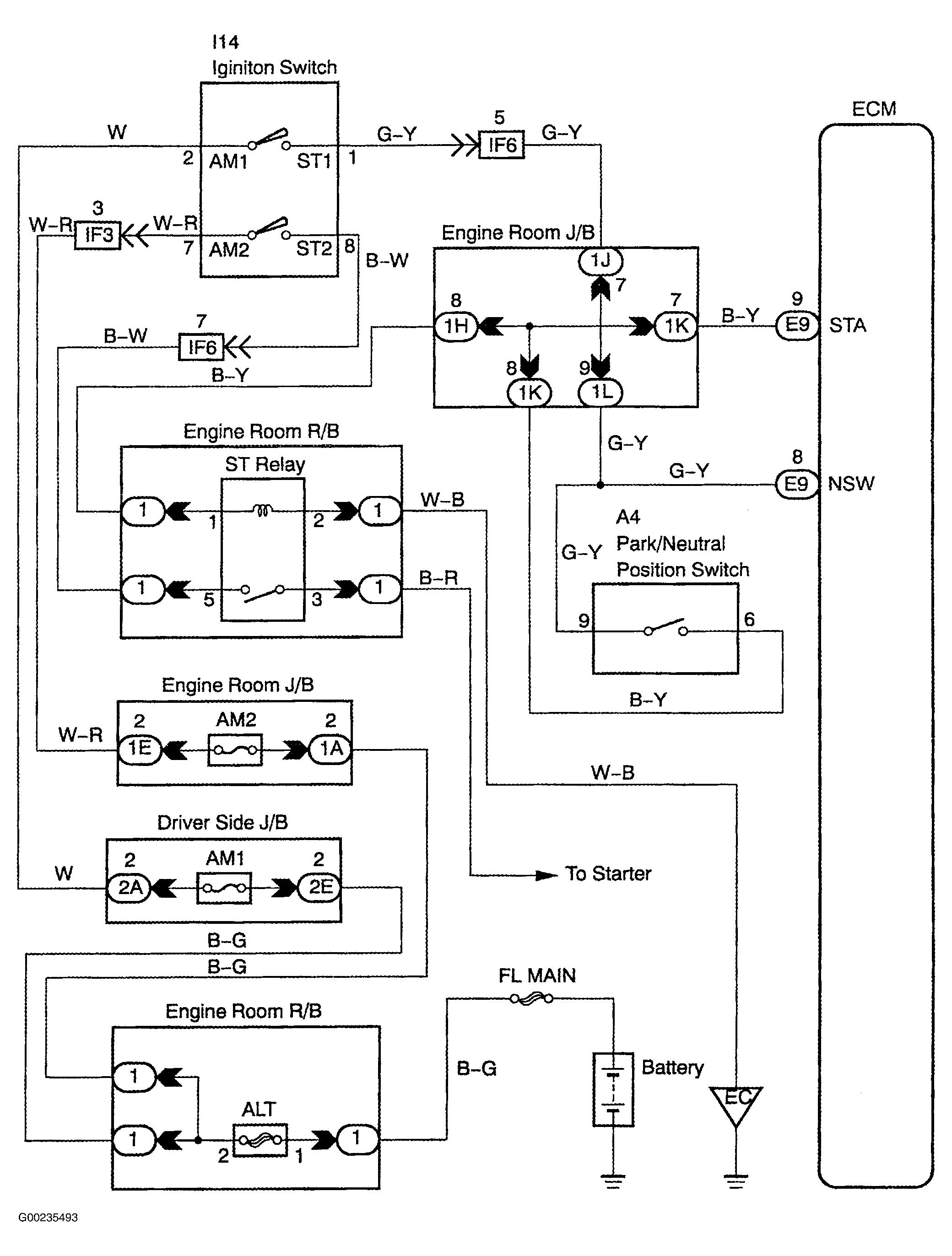
For wiring diagram, see Fig 1 and Fig 2 . For diagnosis and repair, see Fig 3-Fig 5 .

Fig 1: Transmission Range Sensor Circuit Wiring Diagram
G00235492Courtesy of © TOYOTA, LICENSE AGREEMENT TMS1002
Fig 2: Park/Neutral Position Switch Circuit Wiring Diagram
G00235493Courtesy of © TOYOTA, LICENSE AGREEMENT TMS1002
Fig 3: Diagnosis & Repair Of Park/Neutral Position Switch Assembly (1 Of 3)
G00235494Courtesy of © TOYOTA, LICENSE AGREEMENT TMS1002
Fig 4: Diagnosis & Repair Of Park/Neutral Position Switch Assembly (2 Of 3)
G00235495Courtesy of © TOYOTA, LICENSE AGREEMENT TMS1002
Fig 5: Diagnosis & Repair Of Park/Neutral Position Switch Assembly (3 Of 3)
G00235496Courtesy of © TOYOTA, LICENSE AGREEMENT TMS1002