LEMON Manuals: Even more car manuals for everyone: 1960-2025
Home >> Lexus >> 2004 >> IS 300 Base, Standard >> Repair and Diagnosis >> Engine Performance >> Engine Control System - Diagnosis >> Circuit Inspection >> IACV Control Circuit >> Wiring Diagram
April 5, 2026: LEMON Manuals is launched! Read the announcement.

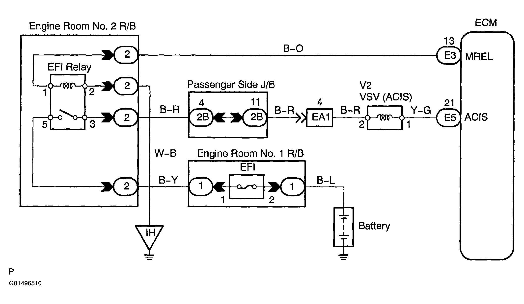
IACV Control Circuit: Wiring Diagram

Fig 1: IACV Control Circuit Wiring Diagram
G01496510Courtesy of © TOYOTA, LICENSE AGREEMENT TMS1002