LEMON Manuals: Even more car manuals for everyone: 1960-2025
Home >> Lexus >> 2004 >> IS 300 Base, Standard >> Repair and Diagnosis >> External Pages >> Different car >> Section 249 (Air Conditioning System (Diagnosis)) >> Circuit Inspection >> ACC Power Source Circuit >> Wiring Diagram
April 5, 2026: LEMON Manuals is launched! Read the announcement.

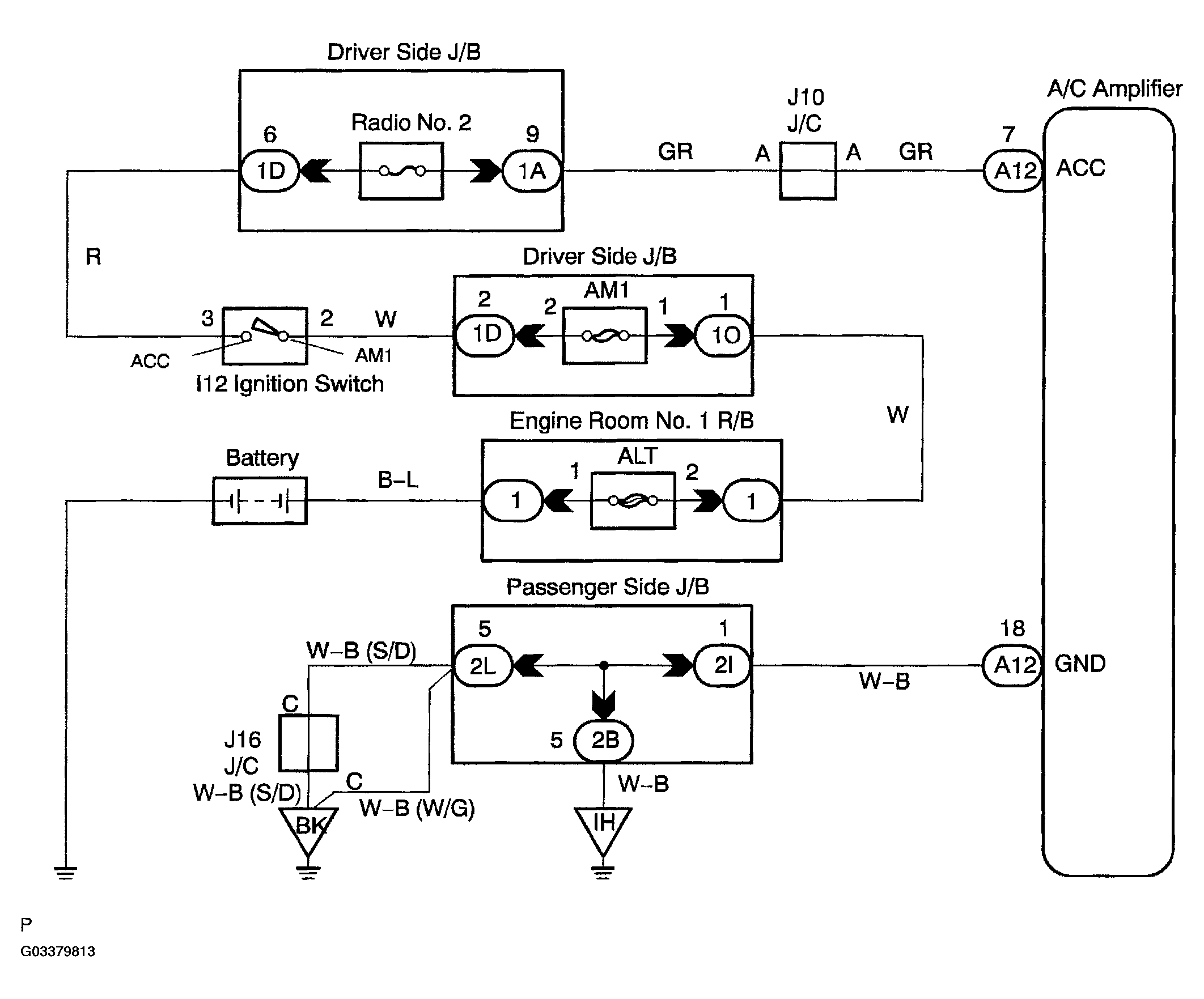
ACC Power Source Circuit: Wiring Diagram

WARNING: This page is about a different car, the 2003 Lexus IS 300. However, it is still accessible from the selected car via links, so may be relevant.
Fig 1: Wiring Diagram - ACC Power Source
G03379813Courtesy of © TOYOTA, LICENSE AGREEMENT TMS1002