LEMON Manuals: Even more car manuals for everyone: 1960-2025
Home >> Lexus >> 2004 >> IS 300 Base, Standard >> Repair and Diagnosis >> External Pages >> Different car >> Section 56 (Engine Controls - Self-Diagnostics) >> Diagnostic Tests >> DTC P0134: Oxygen Sensor Circuit No Activity Detected (Bank 1, Sensor 1) Or P0154: Oxygen Sensor Circuit No Activity Detected (Bank 2, Sensor 1) >> Diagnosis & Repair
April 5, 2026: LEMON Manuals is launched! Read the announcement.

Diagnosis & Repair

WARNING: This page is about a different car, the 2003 Lexus IS 300. However, it is still accessible from the selected car via links, so may be relevant.

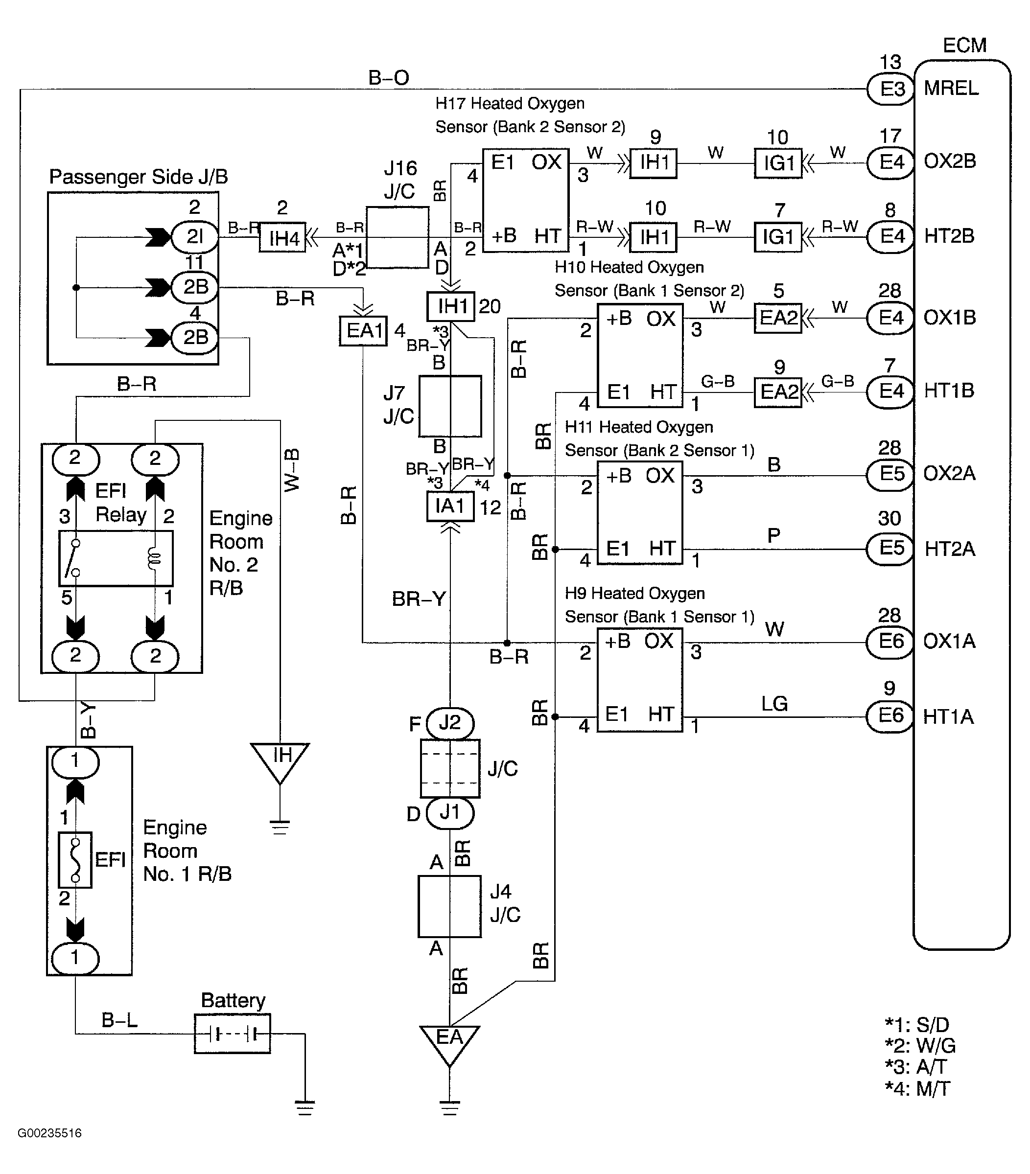
For wiring diagram, see Figure. For diagnosis and repair, see Fig 1-Fig 3 .

Fig 1: Diagnosis & Repair Of Oxygen Sensor Circuit No Activity Detected (Step 1-4)
G00235302Courtesy of © TOYOTA, LICENSE AGREEMENT TMS1002
Fig 2: Diagnosis & Repair Of Oxygen Sensor Circuit No Activity Detected (Step 5-8)
G00235303Courtesy of © TOYOTA, LICENSE AGREEMENT TMS1002
Fig 3: Diagnosis & Repair Of Oxygen Sensor Circuit No Activity Detected (Step 9-12)
G00235304Courtesy of © TOYOTA, LICENSE AGREEMENT TMS1002