LEMON Manuals: Even more car manuals for everyone: 1960-2025
Home >> Lexus >> 2004 >> LS 430 >> Repair and Diagnosis >> External Pages >> Different car >> Section 83 (Electronic - Active Height Control) >> Diagnostic Trouble Code Definitions >> DTC C1786 >> Testing Procedure
April 5, 2026: LEMON Manuals is launched! Read the announcement.

Testing Procedure

WARNING: This page is about a different car, the 2002 Lexus LX 470. However, it is still accessible from the selected car via links, so may be relevant.

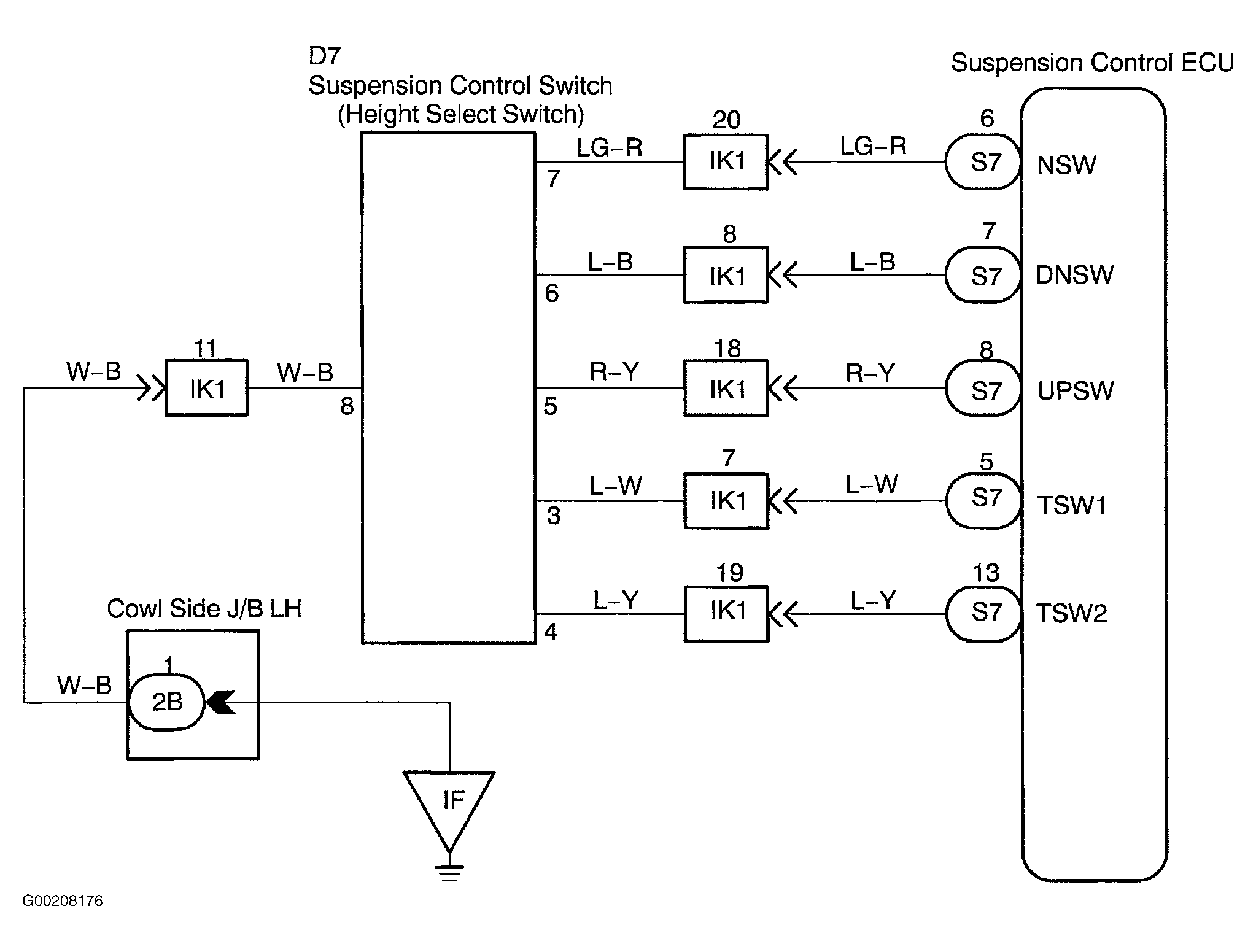
For wiring diagram, see Fig 1. For testing procedure, see Fig 2 and Fig 3 .

Fig 1: Wiring Diagram Height Select Switch circuit
G00208176Courtesy of © TOYOTA, LICENSE AGREEMENT TMS1002
Fig 2: Testing Procedure Height Select Switch Circuit (1 Of 2)
G00208177Courtesy of © TOYOTA, LICENSE AGREEMENT TMS1002
Fig 3: Testing Procedure Height Select Switch Circuit (2 Of 2)
G00208178Courtesy of © TOYOTA, LICENSE AGREEMENT TMS1002