LEMON Manuals: Even more car manuals for everyone: 1960-2025
Home >> Lexus >> 2004 >> LS 430 >> Repair and Diagnosis >> External Pages >> Different car >> Section 83 (Electronic - Active Height Control) >> System Tests >> Test B: Height Control Off Indicator Light Circuit >> Testing Procedure
April 5, 2026: LEMON Manuals is launched! Read the announcement.

Testing Procedure

WARNING: This page is about a different car, the 2002 Lexus LX 470. However, it is still accessible from the selected car via links, so may be relevant.

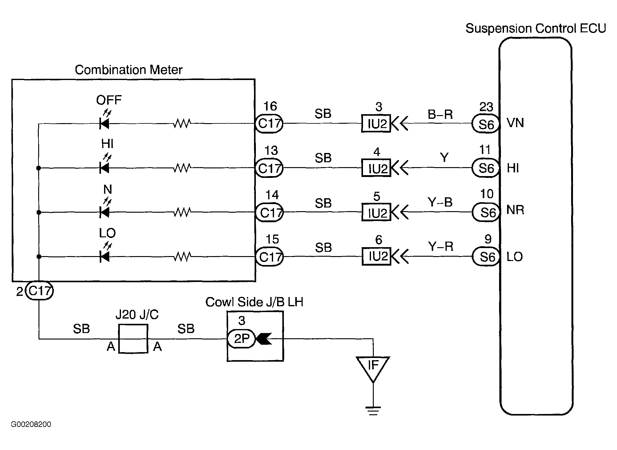
For wiring diagram, see Fig 1. For testing procedure, see Fig 2 and Fig 3 .

Fig 1: Wiring Diagram Height Control OFF Indicator Light Circuit
G00208200Courtesy of © TOYOTA, LICENSE AGREEMENT TMS1002
Fig 2: Testing Procedure Height Control OFF Indicator Light Circuit (1 Of 2)
G00208201Courtesy of © TOYOTA, LICENSE AGREEMENT TMS1002
Fig 3: Testing Procedure Height Control OFF Indicator Light Circuit (2 Of 2)
G00208202Courtesy of © TOYOTA, LICENSE AGREEMENT TMS1002