LEMON Manuals: Even more car manuals for everyone: 1960-2025
Home >> Lexus >> 2004 >> LX 470 V8-4.7L (2UZ-FE) >> Repair and Diagnosis >> Powertrain Management >> Computers and Control Systems >> Information Bus >> Diagrams >> Electrical Diagrams >> Multiplex Communication System >> Multiplex Communication System Part 23
April 5, 2026: LEMON Manuals is launched! Read the announcement.

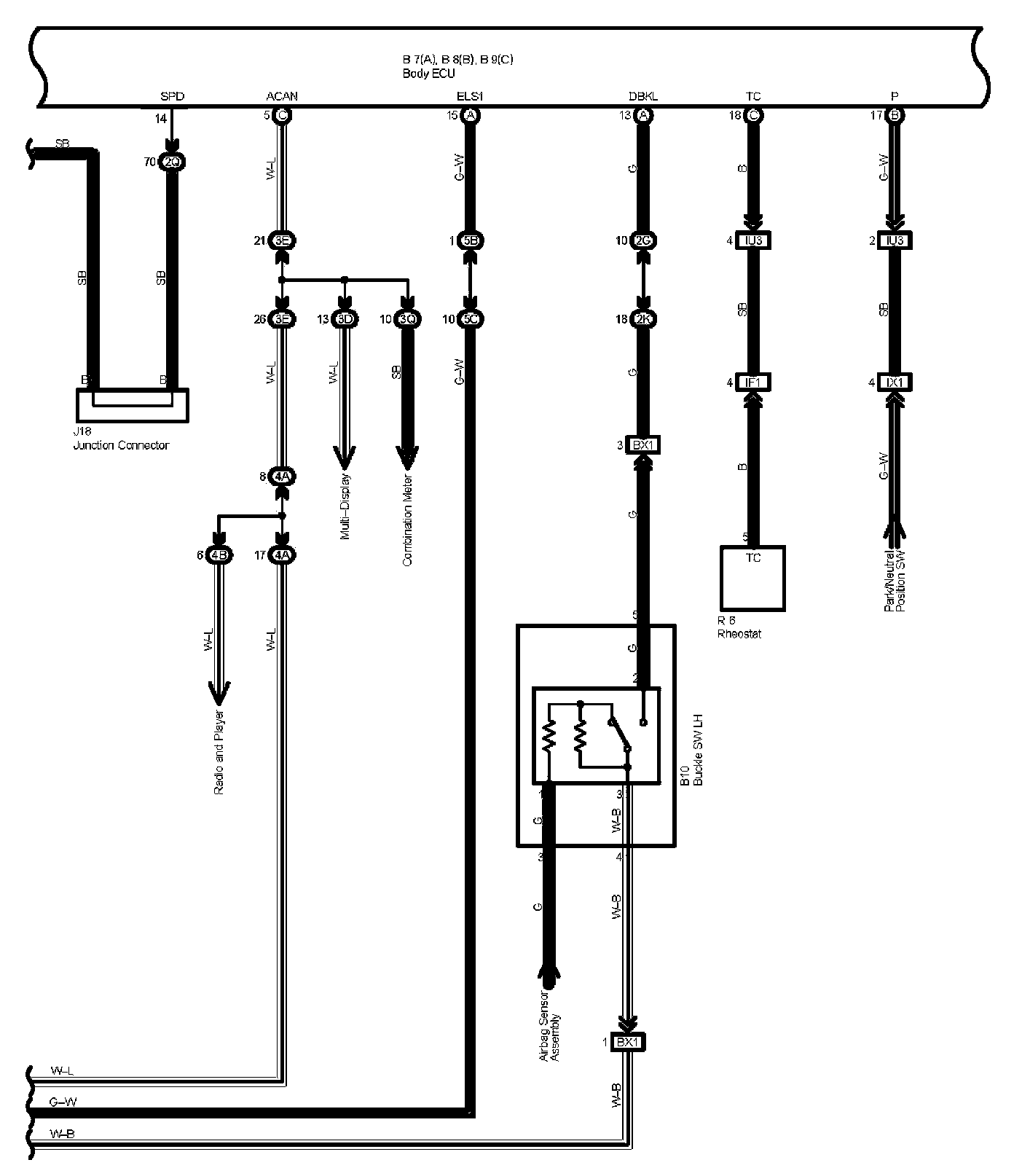
Multiplex Communication System Part 23

Multiplex Communication System Part 23:




Diagram Legend Part 1:




Diagram Legend Part 2:




Diagram Legend Part 3:






Next Diagram Multiplex Communication System Part 24

Previous Diagram Multiplex Communication System Part 22

Locations: The locations of components, connectors, ground points, and splices referred to within these diagrams can be found at Vehicle Locations. Locations

Connector Views: The connector views for connectors referred to within these diagrams can be found at the Vehicle level Connector Views. Connector Views