LEMON Manuals: Even more car manuals for everyone: 1960-2025
Home >> Lexus >> 2004 >> LX 470 >> Repair and Diagnosis >> Electrical >> Gauges >> Combination Meter >> Circuit
April 5, 2026: LEMON Manuals is launched! Read the announcement.

Combination Meter: Circuit

Fig 1: Identifying Connector Terminal (1 Of 3)
G03485846Courtesy of © TOYOTA, LICENSE AGREEMENT TMS1002
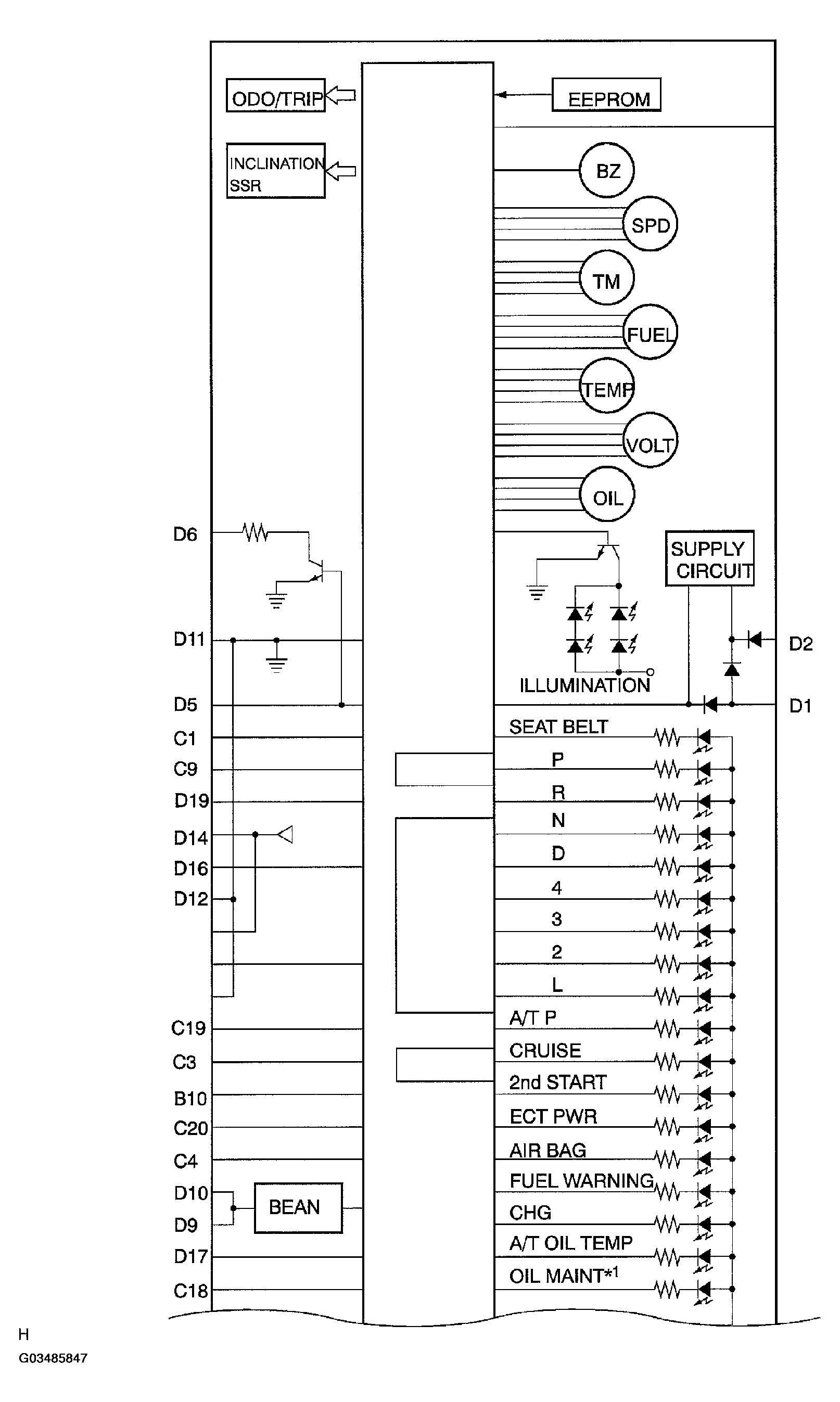
Fig 2: Identifying Connector Terminal (2 Of 3)
G03485847Courtesy of © TOYOTA, LICENSE AGREEMENT TMS1002
Fig 3: Identifying Connector Terminal (3 Of 3)
G03485848Courtesy of © TOYOTA, LICENSE AGREEMENT TMS1002
WIRING CONNECTOR TABLE

No. Wiring connector side
A 1
2
4
5
6
7
8
11
19
20
MET Fuse
Body Control ECU (Sub)
Light Control Switch
Flasher Relay
H/L R-HI Fuse
Flasher Relay
Body Control ECU (Main)
H/L L-LO Fuse
ABS, TRC, VSC ECU
Washer Level Warning Switch
B 1
4
5
6
7
8
9
12
13
14
15
16
17
18
19
ECM
CTR DIFF Switch
ABS, TRC, VSC ECU
ABS, TRC, VSC ECU
ABS, TRC, VSC ECU
ABS, TRC, VSC ECU
Airbag ECU
FR DIFF Switch
RR DIFF Switch
Suspension Control ECU
Suspension Control ECU
Suspension Control ECU
Suspension Control ECU
PANEL Fuse
VGRS ECU
C 1
3
4
7
9
10
11
12
13
14
15
18
19
20
ECM
Oil Level Sensor
Oil Pressure Sender Gauge
Airbag ECU
Fuel SMT Switch
Body Control ECU (Main)
Brake Fluid Level Switch
ABS, TRC, VSC ECU
ABS, TRC, VSC ECU
Multi-Display
Multi-Display
Body Control ECU (Main)
ABS ECU
Driver Seat Belt Buckle Switch
D 1
2
3
4
5
6
7
9
10
11
12
14
16
17
19
20
GAUGE 1 Fuse
ECU-B2 Fuse
ACC Fuse
DOME Fuse
Speed Sensor
Speed Control Unit
Lamp Failure Relay
Gateway ECU
Engine ECU
Engine Earth
Main Fuel Sender Gauge
Main Fuel Sender Gauge
Main Fuel Sender Gauge
Light Control Rheostat
Key Unlock Warning Switch
Door Courtesy Switch