LEMON Manuals: Even more car manuals for everyone: 1960-2025
Home >> Lexus >> 2004 >> RX 330 AWD >> Repair and Diagnosis >> External Pages >> Different car >> Section 371 (Navigation System - Diagnostics) >> Navigation System >> Power Source Circuit (Stereo Component Amplifier ASSY) >> Wiring Diagram
April 5, 2026: LEMON Manuals is launched! Read the announcement.

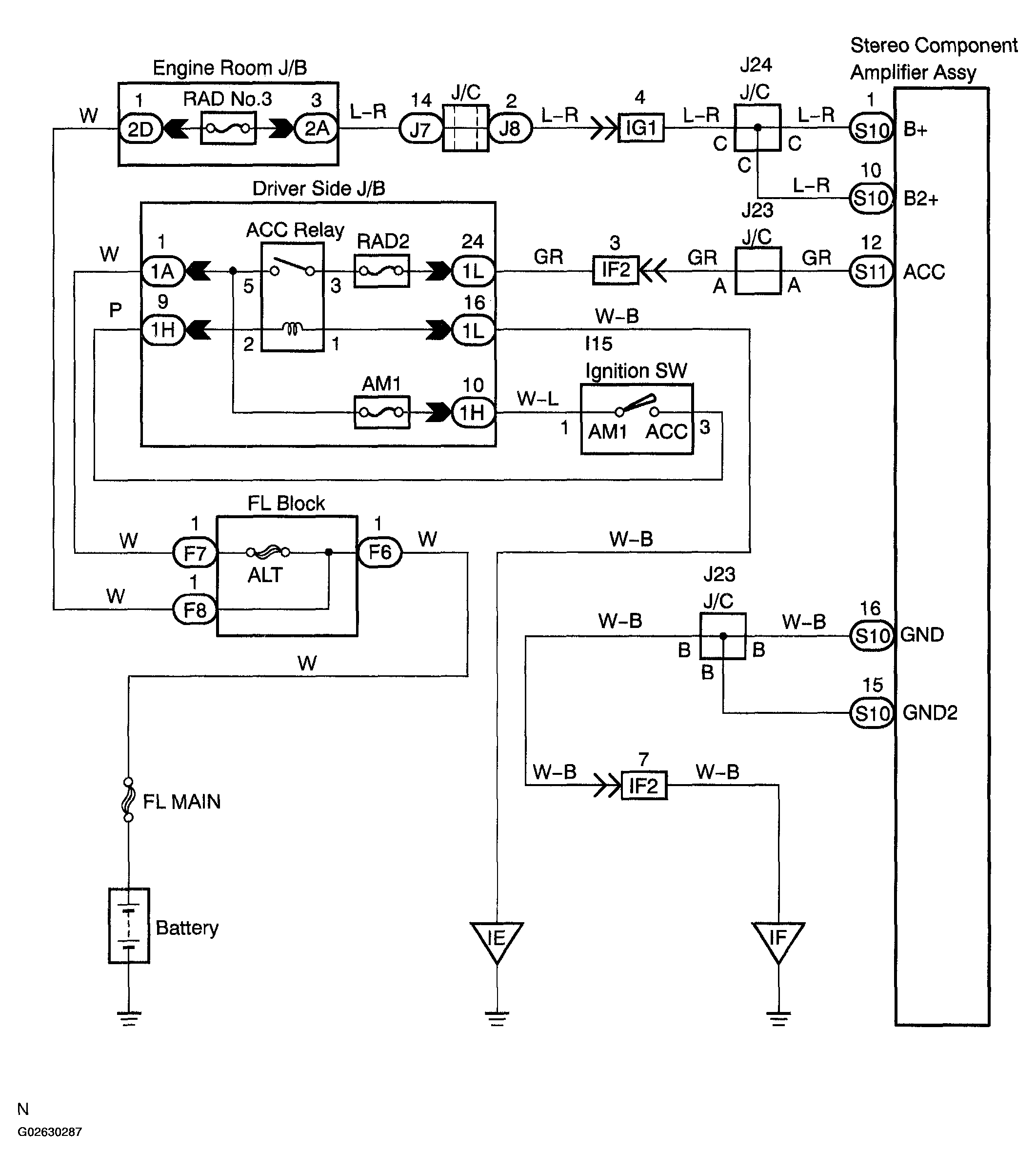
Power Source Circuit (Stereo Component Amplifier ASSY): Wiring Diagram

WARNING: This page is about a different car, the 2005 Toyota Sienna. However, it is still accessible from the selected car via links, so may be relevant.
Fig 1: Power Source Circuit (Stereo Component Amplifier Assy)
G02630287Courtesy of © TOYOTA, LICENSE AGREEMENT TMS1002