LEMON Manuals: Even more car manuals for everyone: 1960-2025
Home >> Lexus >> 2004 >> RX 330 AWD >> Repair and Diagnosis >> External Pages >> Different car >> Section 440 (LEXUS Navigation System - Diagnostics) >> Display Signal Circuit (Navigation Ecu - Multi-Display Controller Sub-ASSY) >> Wiring Diagram
April 5, 2026: LEMON Manuals is launched! Read the announcement.

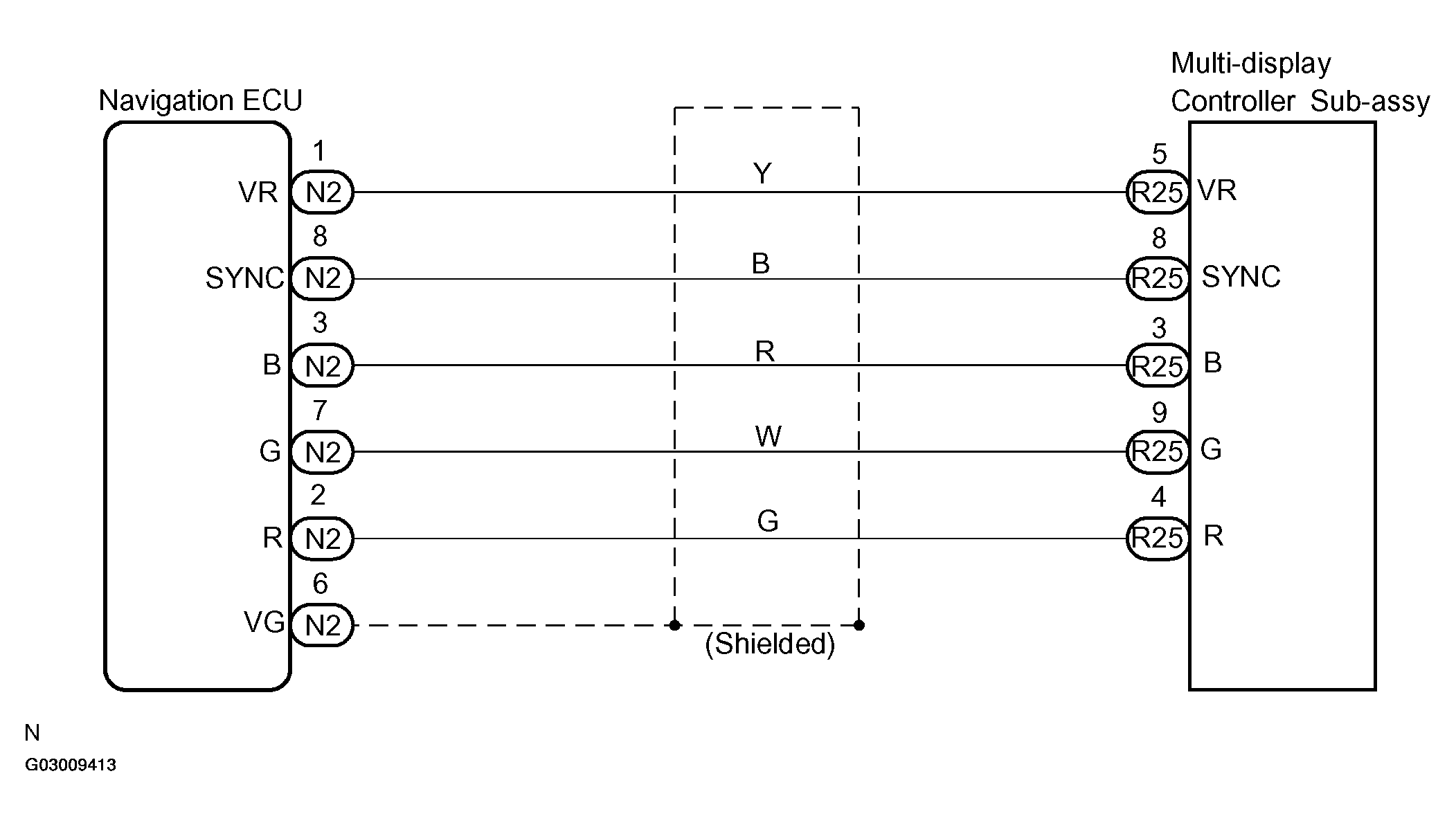
Display Signal Circuit (Navigation Ecu - Multi-Display Controller Sub-ASSY): Wiring Diagram

WARNING: This page is about a different car, the 2005 Lexus RX 330. However, it is still accessible from the selected car via links, so may be relevant.
Fig 1: Display Signal Circuit (Navigation ECU - Multi-Display Controller Sub-Assy) - Wiring Diagram
G03009413Courtesy of © TOYOTA, LICENSE AGREEMENT TMS1002