LEMON Manuals: Even more car manuals for everyone: 1960-2025
Home >> Lexus >> 2004 >> RX 330 AWD >> Repair and Diagnosis >> External Pages >> Different car >> Section 445 (Power Mirror Control System (W/ Memory) - Diagnostics) >> Ecu Power Source Circuit >> Wiring Diagram
April 5, 2026: LEMON Manuals is launched! Read the announcement.

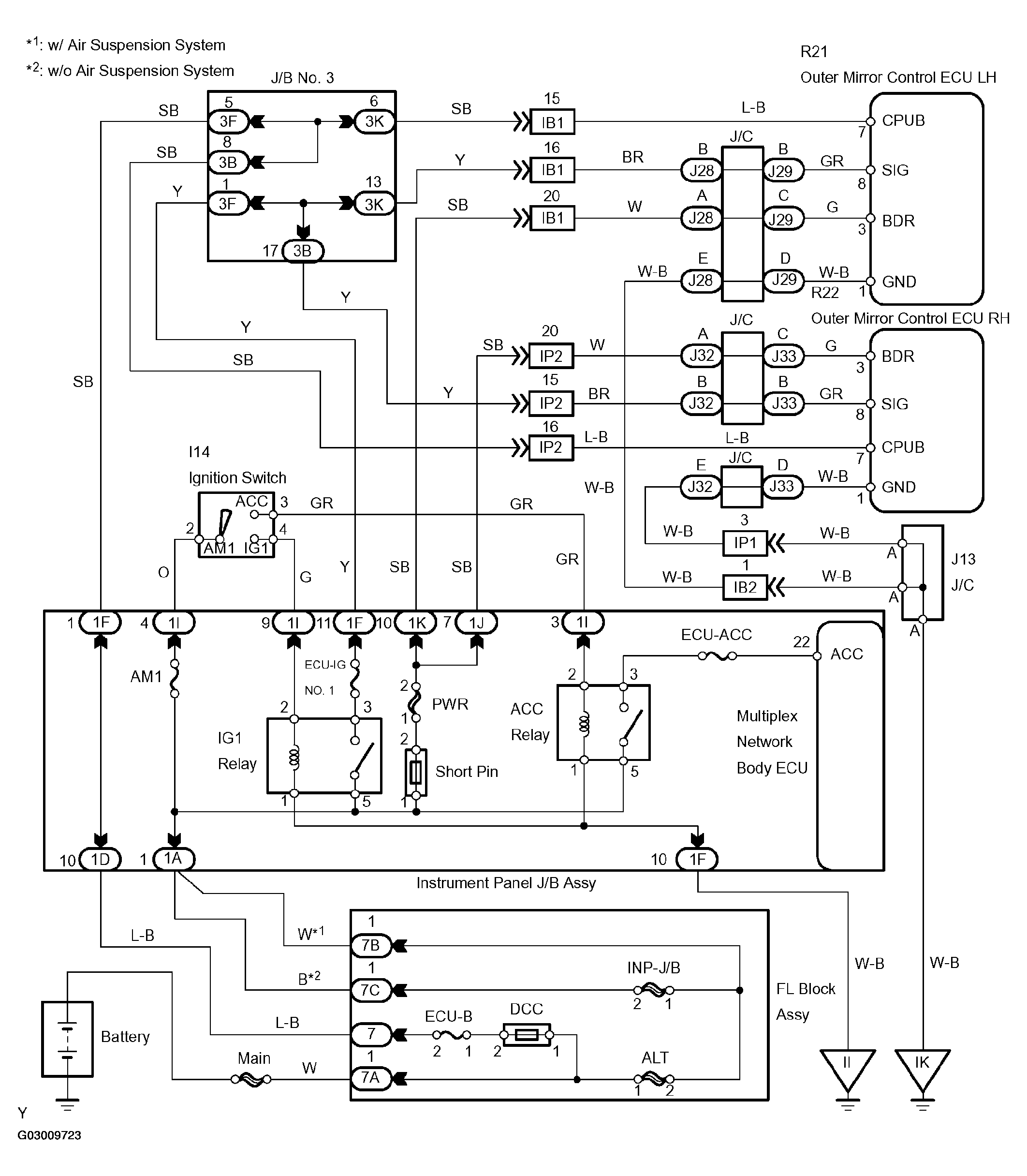
Ecu Power Source Circuit: Wiring Diagram

WARNING: This page is about a different car, the 2005 Lexus RX 330. However, it is still accessible from the selected car via links, so may be relevant.
Fig 1: ECU Power Source Circuit Wiring Diagram
G03009723Courtesy of © TOYOTA, LICENSE AGREEMENT TMS1002