LEMON Manuals: Even more car manuals for everyone: 1960-2025
Home >> Lexus >> 2004 >> RX 330 AWD >> Repair and Diagnosis >> External Pages >> Different car >> Section 522 (Cruise Control) >> Dynamic Laser Cruise Control System >> Distance Control Switch Circuit >> Wiring Diagram
April 5, 2026: LEMON Manuals is launched! Read the announcement.

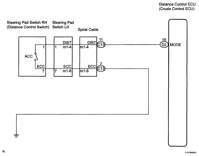
Distance Control Switch Circuit: Wiring Diagram

WARNING: This page is about a different car, the 2007 Lexus RX 350. However, it is still accessible from the selected car via links, so may be relevant.
Fig 1: Identifying Distance Control Switch Circuit Wiring Diagram
G05273685Courtesy of © TOYOTA, LICENSE AGREEMENT TMS1002