LEMON Manuals: Even more car manuals for everyone: 1960-2025
Home >> Lexus >> 2004 >> SC 430 >> Repair and Diagnosis >> Brakes >> Traction Control >> Anti-Lock Brake System >> System Testing >> Test G: Skid Control Buzzer Circuit >> Testing Procedure
April 5, 2026: LEMON Manuals is launched! Read the announcement.

Testing Procedure

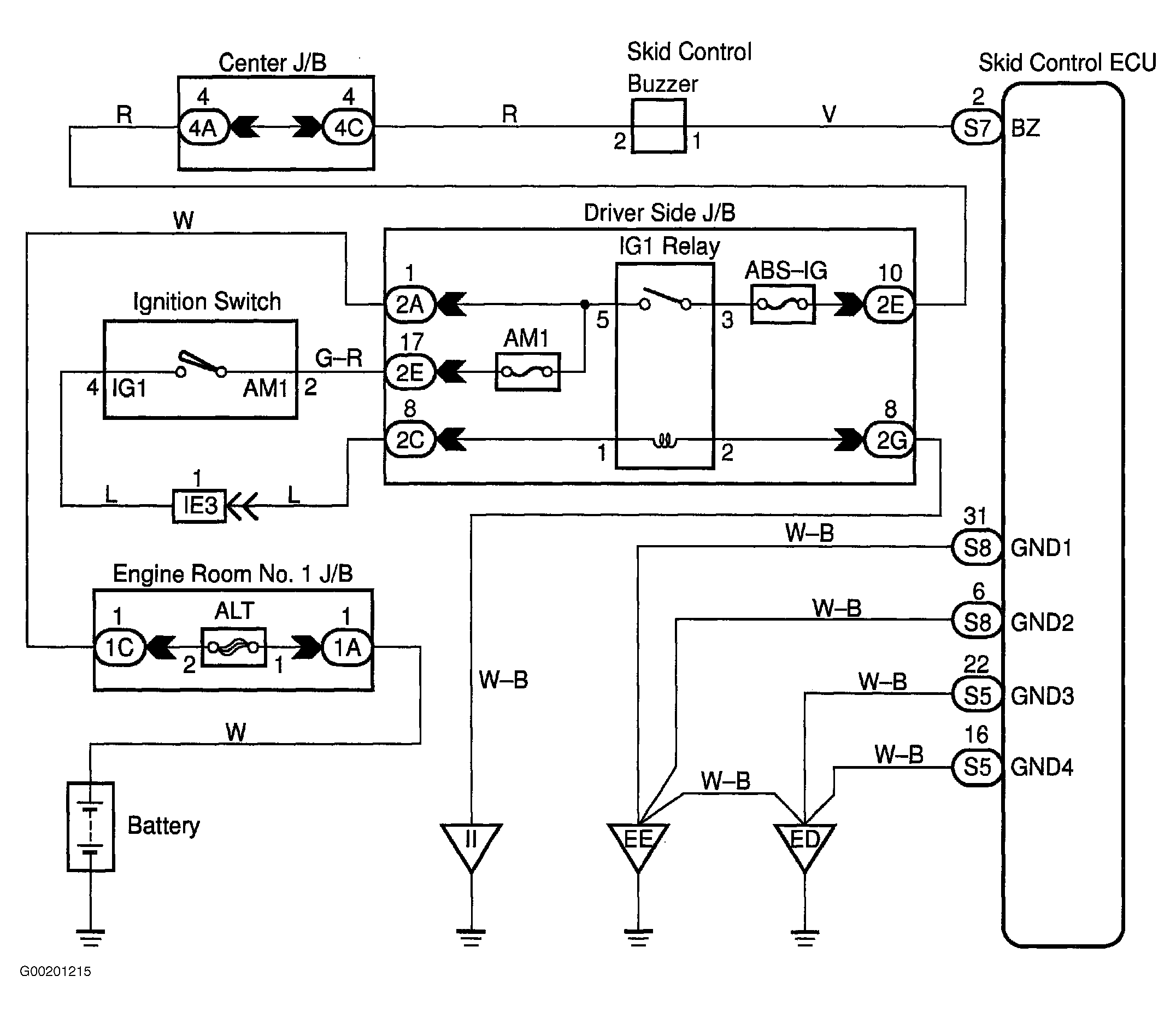
For wiring diagram see Fig 1. For testing procedure see Fig 2.

Fig 1: Wiring Diagram Skid Control Buzzer Circuit
G00201215Courtesy of © TOYOTA, LICENSE AGREEMENT TMS1002
Fig 2: Testing Procedure Skid Control Buzzer Circuit
G00201216Courtesy of © TOYOTA, LICENSE AGREEMENT TMS1002