LEMON Manuals: Even more car manuals for everyone: 1960-2025
Home >> Lexus >> 2006 >> GX 470 >> Repair and Diagnosis >> External Pages >> Different car >> Section 25 (Audio / Visual) >> Audio And Visual System >> Radio Receiver Power Source Circuit >> Wiring Diagram
April 5, 2026: LEMON Manuals is launched! Read the announcement.

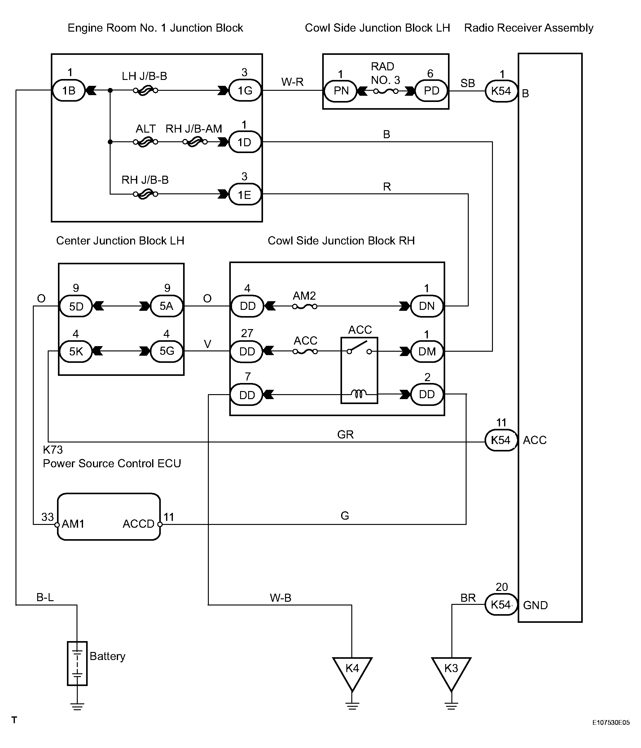
Radio Receiver Power Source Circuit: Wiring Diagram

WARNING: This page is about a different car, the 2006 Lexus GS 430 and 2006 Lexus GS 300. However, it is still accessible from the selected car via links, so may be relevant.
Fig 1: Radio Receiver Power Source Circuit - Wiring Diagram
G04022182Courtesy of © TOYOTA, LICENSE AGREEMENT TMS1002
  1. INSPECT FUSE (RAD NO.3, ACC) 
    1. Remove the RAD NO.3 fuse from the cowl side junction block LH.
    2. Remove the ACC fuse from the cowl side junction block RH.
    3. Measure the resistance of the fuses.

      Standard resistance: Below 1 Ω 

    NG : REPLACE FUSE 

    OK : GO TO NEXT STEP 

  2. CHECK RADIO RECEIVER (+B, ACC, GND) 
    1. Disconnect the K54 receiver connector.
    2. Measure the resistance of the wire harness side connector.

      Standard resistance 

      TESTER CONNECTION AND SPECIFIED CONDITION CHART

      Tester Connection Condition Specified Condition
      K54-20 (GND) - Body ground Always Below 1 Ω
      Fig 2: Identifying K54 Receiver Connector Terminals
      G04022183Courtesy of © TOYOTA, LICENSE AGREEMENT TMS1002
    3. Measure the voltage according to the value(s) in the table below.

      Standard voltage 

      TESTER CONNECTION AND SPECIFIED CONDITION CHART

      Tester Connection Condition Specified Condition
      K54-1 (+B) - K54-20 (GND) Always 10 to 14 V
      K54-11 (ACC) - K54-20 (GND) Engine switch on (ACC) 10 to 14 V

    NG : REPAIR OR REPLACE HARNESS AND CONNECTOR 

    OK : PROCEED TO NEXT CIRCUIT INSPECTION SHOWN IN  PROBLEM SYMPTOMS TABLE