LEMON Manuals: Even more car manuals for everyone: 1960-2025
Home >> Lexus >> 2007 >> ES 350 >> Repair and Diagnosis (Single Page) >> Body & Frame >> Windows >> Windshield/WINDOWGLASS >> Power Window Control System >> System Diagram
April 5, 2026: LEMON Manuals is launched! Read the announcement.

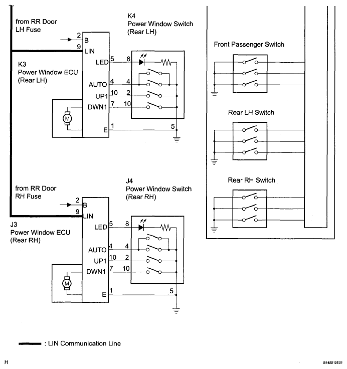
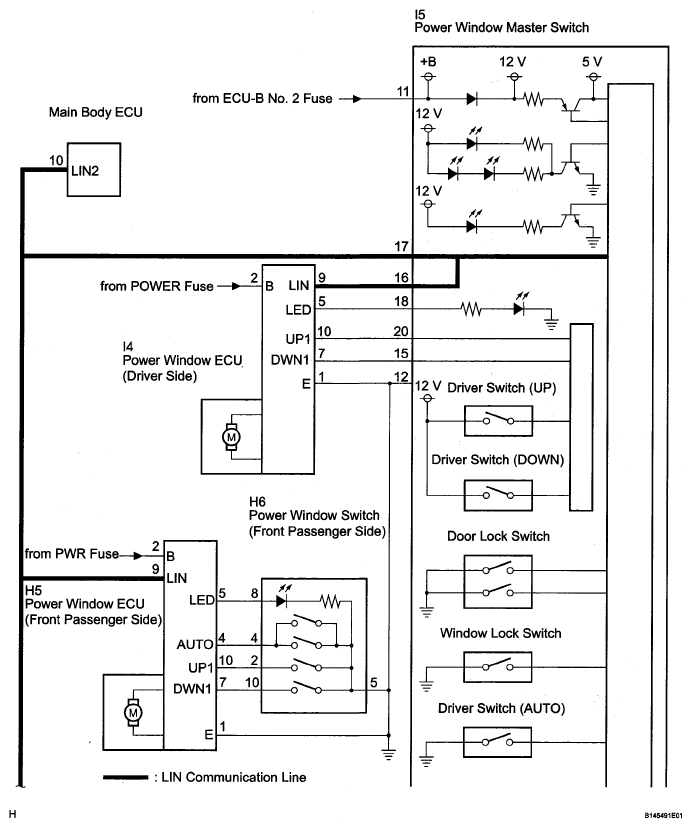
System Diagram

Fig 1: Power Window Control System - System Diagram (1 Of 2)
G05253560Courtesy of © TOYOTA, LICENSE AGREEMENT TMS1002
Fig 2: Power Window Control System - System Diagram (2 Of 2)
G05253561Courtesy of © TOYOTA, LICENSE AGREEMENT TMS1002