LEMON Manuals: Even more car manuals for everyone: 1960-2025
Home >> Lexus >> 2007 >> ES 350 >> Repair and Diagnosis >> Electrical >> Body Electrical >> OEM Ground Points >> Ground Point >> Notes
April 5, 2026: LEMON Manuals is launched! Read the announcement.

Ground Point: Notes

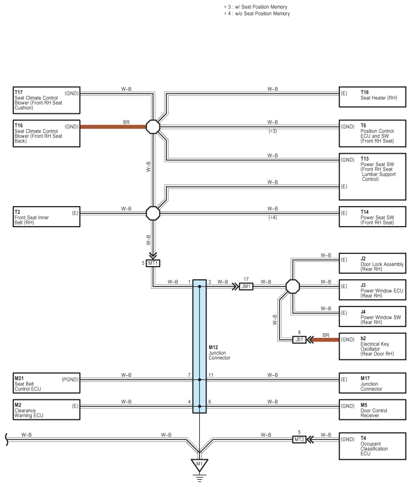
Fig 1: Ground Point Wiring Diagram (1 Of 7)
G08916969Courtesy of © TOYOTA, LICENSE AGREEMENT TMS1002
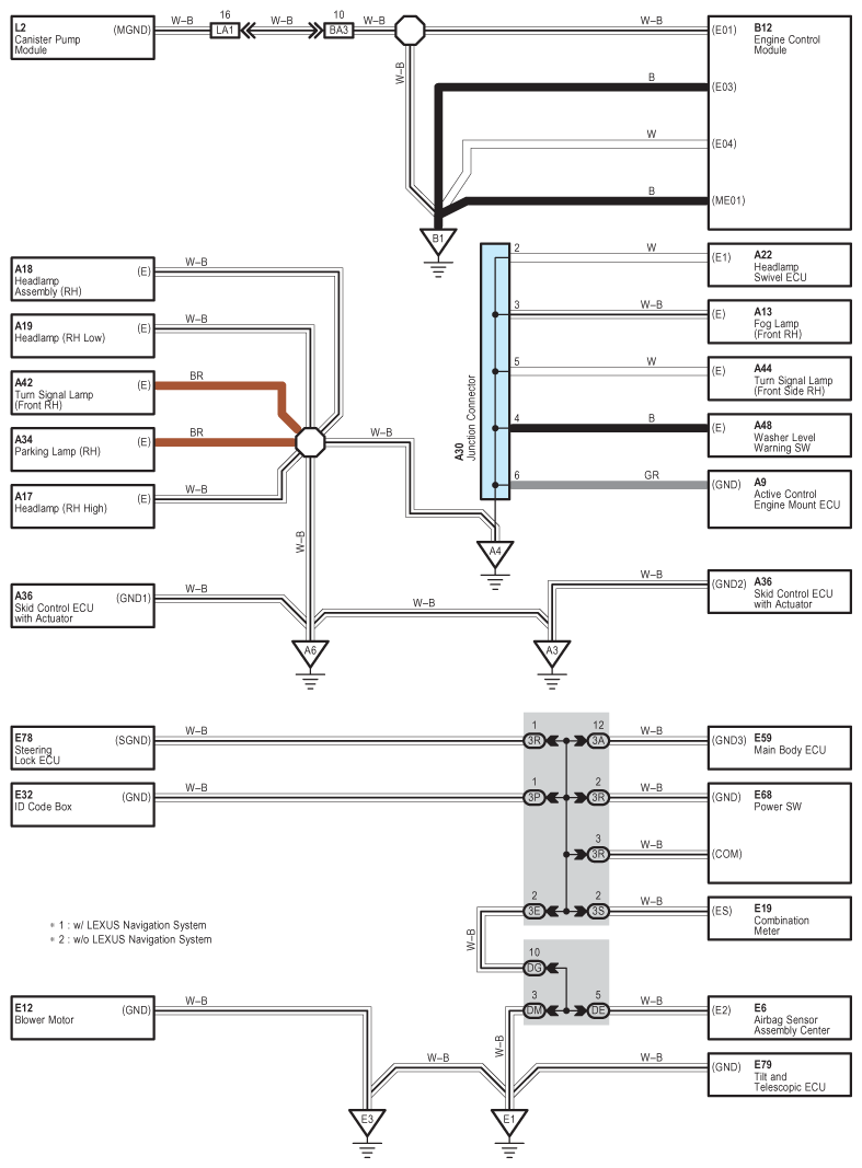
Fig 2: Ground Point Wiring Diagram (2 Of 7)
G08916970Courtesy of © TOYOTA, LICENSE AGREEMENT TMS1002
Fig 3: Ground Point Wiring Diagram (3 Of 7)
G08916971Courtesy of © TOYOTA, LICENSE AGREEMENT TMS1002
Fig 4: Ground Point Wiring Diagram (4 Of 7)
G08916972Courtesy of © TOYOTA, LICENSE AGREEMENT TMS1002
Fig 5: Ground Point Wiring Diagram (5 Of 7)
G08916973Courtesy of © TOYOTA, LICENSE AGREEMENT TMS1002
Fig 6: Ground Point Wiring Diagram (6 Of 7)
G08916974Courtesy of © TOYOTA, LICENSE AGREEMENT TMS1002
Fig 7: Ground Point Wiring Diagram (7 Of 7)
G08916975Courtesy of © TOYOTA, LICENSE AGREEMENT TMS1002