LEMON Manuals: Even more car manuals for everyone: 1960-2025
Home >> Lexus >> 2007 >> ES 350 >> Repair and Diagnosis >> Electrical >> Body Electrical >> OEM System Circuits >> ABS, TRAC and VSC >> Notes
April 5, 2026: LEMON Manuals is launched! Read the announcement.

ABS, TRAC and VSC: Notes

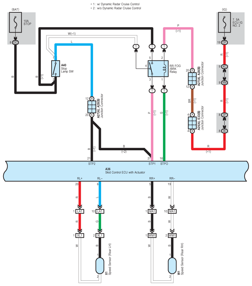
Fig 1: ABS, TRAC And VSC System Wiring Diagram (1 Of 7)
G08916883Courtesy of © TOYOTA, LICENSE AGREEMENT TMS1002
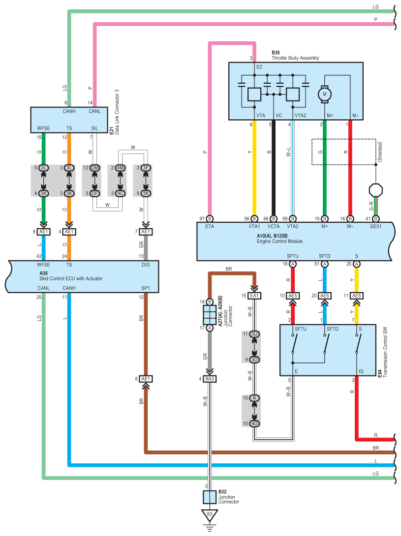
Fig 2: ABS, TRAC And VSC System Wiring Diagram (2 Of 7)
G08916884Courtesy of © TOYOTA, LICENSE AGREEMENT TMS1002
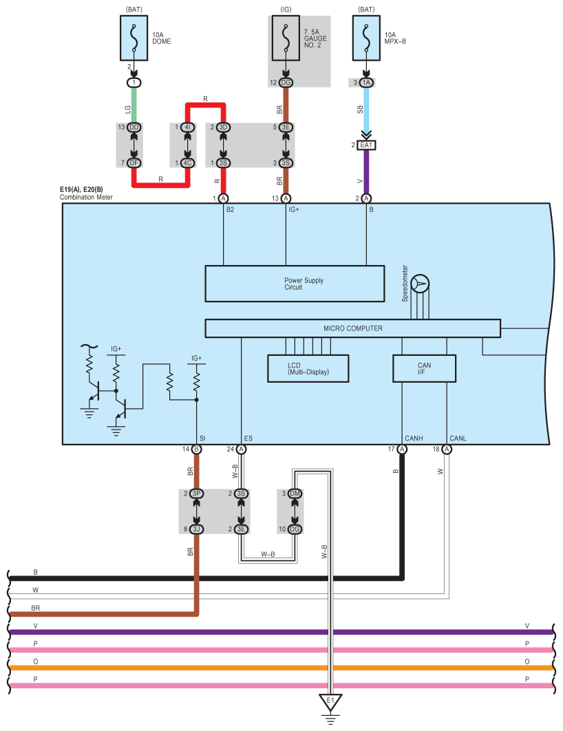
Fig 3: ABS, TRAC And VSC System Wiring Diagram (3 Of 7)
G08916885Courtesy of © TOYOTA, LICENSE AGREEMENT TMS1002
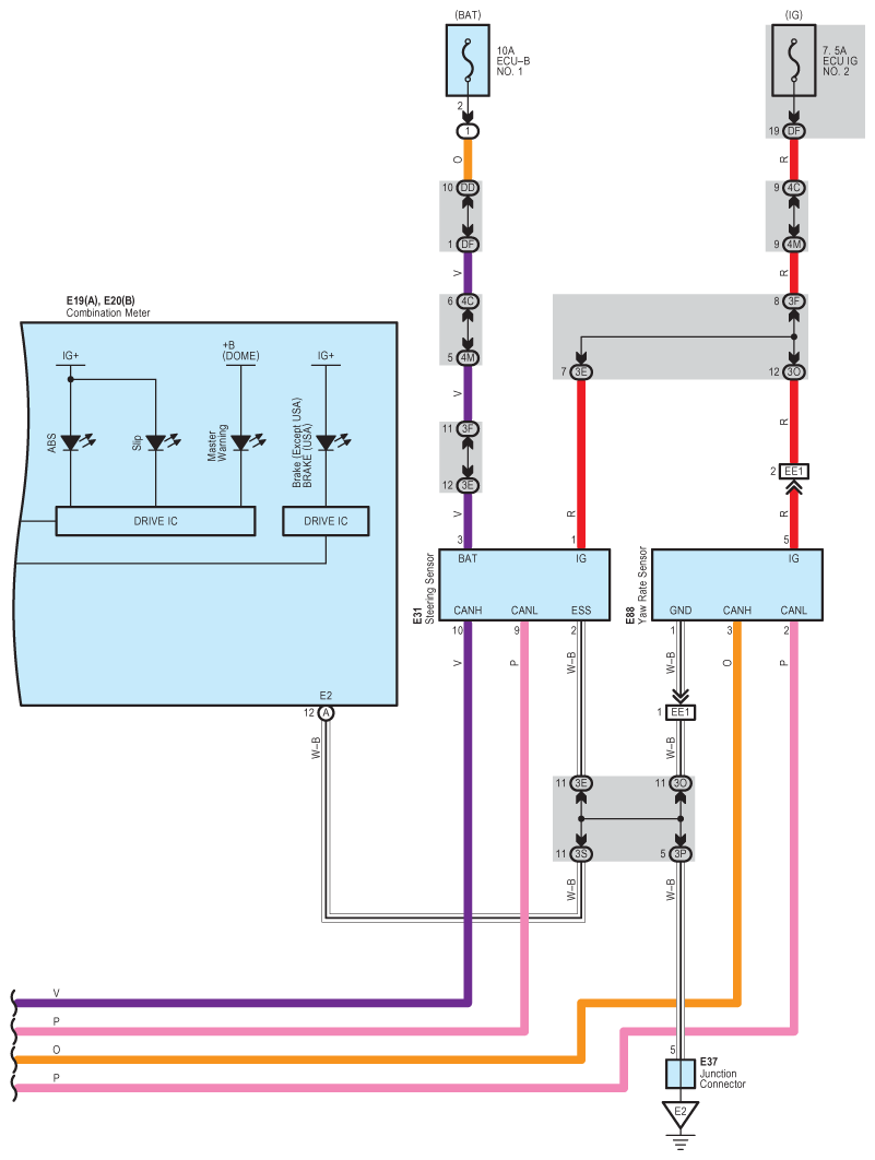
Fig 4: ABS, TRAC And VSC System Wiring Diagram (4 Of 7)
G08916886Courtesy of © TOYOTA, LICENSE AGREEMENT TMS1002
Fig 5: ABS, TRAC And VSC System Wiring Diagram (5 Of 7)
G08916887Courtesy of © TOYOTA, LICENSE AGREEMENT TMS1002
Fig 6: ABS, TRAC And VSC System Wiring Diagram (6 Of 7)
G08916888Courtesy of © TOYOTA, LICENSE AGREEMENT TMS1002
Fig 7: ABS, TRAC And VSC System Wiring Diagram (7 Of 7)
G08916889Courtesy of © TOYOTA, LICENSE AGREEMENT TMS1002