LEMON Manuals: Even more car manuals for everyone: 1960-2025
Home >> Lexus >> 2007 >> ES 350 >> Repair and Diagnosis >> Electrical >> Body Electrical >> OEM System Circuits >> ECT and A/T Indicator >> Notes
April 5, 2026: LEMON Manuals is launched! Read the announcement.

ECT and A/T Indicator: Notes

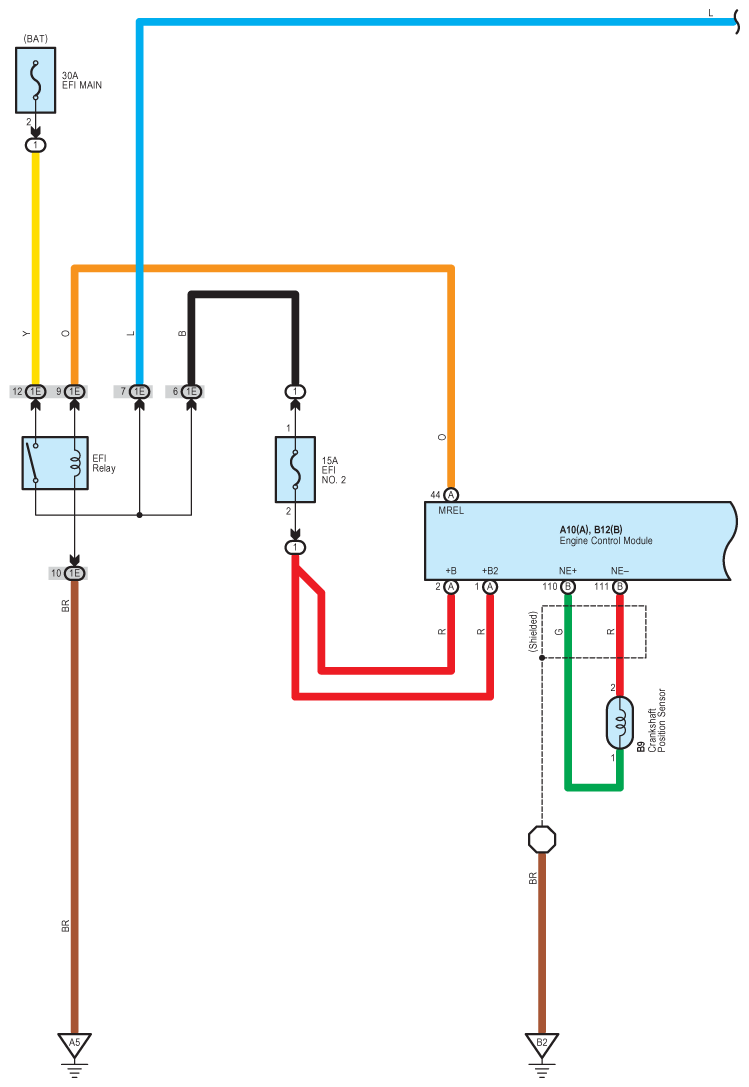
Fig 1: ECT And A/T Indicator System Wiring Diagram (1 Of 10)
G08916850Courtesy of © TOYOTA, LICENSE AGREEMENT TMS1002
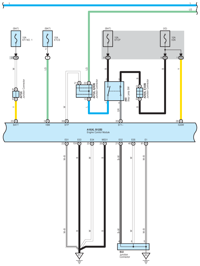
Fig 2: ECT And A/T Indicator System Wiring Diagram (2 Of 10)
G08916851Courtesy of © TOYOTA, LICENSE AGREEMENT TMS1002
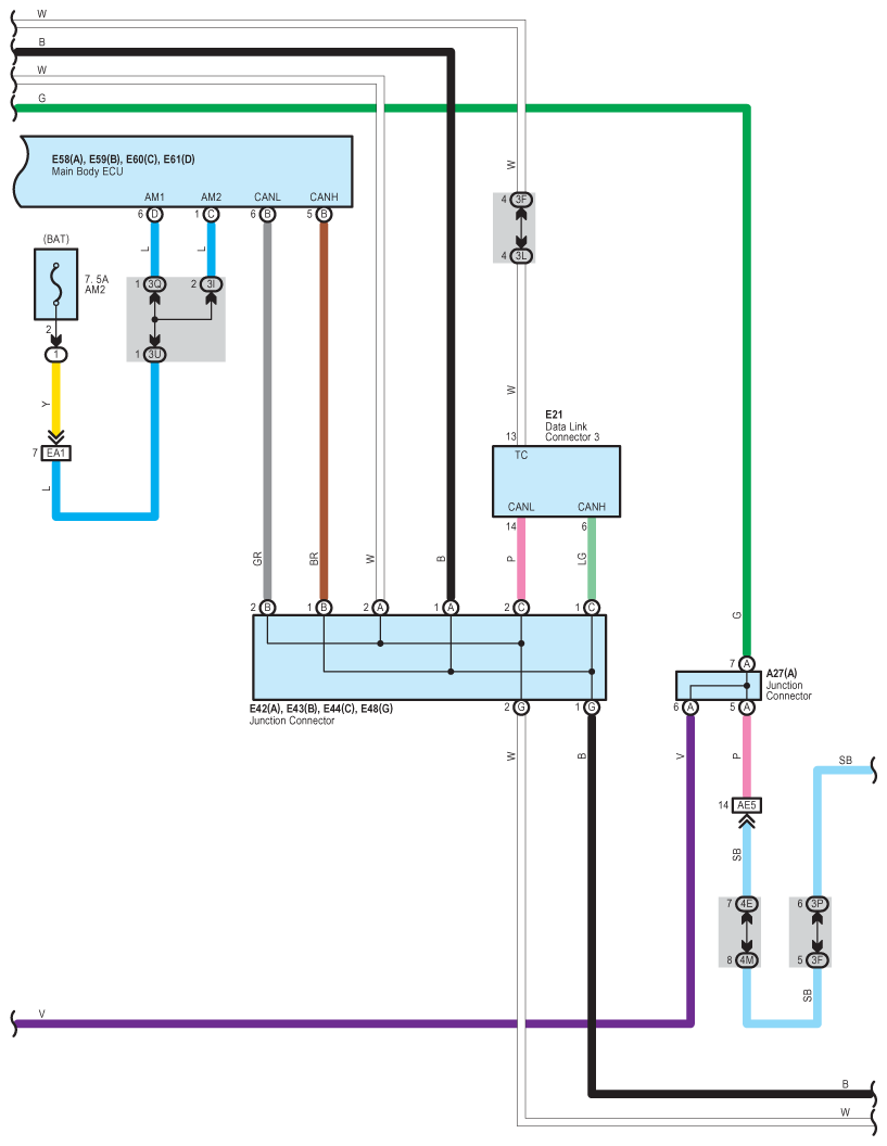
Fig 3: ECT And A/T Indicator System Wiring Diagram (3 Of 10)
G08916852Courtesy of © TOYOTA, LICENSE AGREEMENT TMS1002
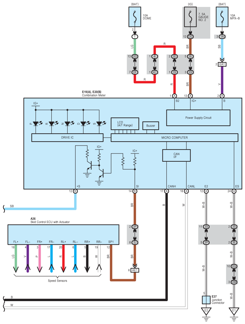
Fig 4: ECT And A/T Indicator System Wiring Diagram (4 Of 10)
G08916853Courtesy of © TOYOTA, LICENSE AGREEMENT TMS1002
Fig 5: ECT And A/T Indicator System Wiring Diagram (5 Of 10)
G08916854Courtesy of © TOYOTA, LICENSE AGREEMENT TMS1002
Fig 6: ECT And A/T Indicator System Wiring Diagram (6 Of 10)
G08916855Courtesy of © TOYOTA, LICENSE AGREEMENT TMS1002
Fig 7: ECT And A/T Indicator System Wiring Diagram (7 Of 10)
G08916856Courtesy of © TOYOTA, LICENSE AGREEMENT TMS1002
Fig 8: ECT And A/T Indicator System Wiring Diagram (8 Of 10)
G08916857Courtesy of © TOYOTA, LICENSE AGREEMENT TMS1002
Fig 9: ECT And A/T Indicator System Wiring Diagram (9 Of 10)
G08916858Courtesy of © TOYOTA, LICENSE AGREEMENT TMS1002
Fig 10: ECT And A/T Indicator System Wiring Diagram (10 Of 10)
G08916859Courtesy of © TOYOTA, LICENSE AGREEMENT TMS1002