LEMON Manuals: Even more car manuals for everyone: 1960-2025
Home >> Lexus >> 2007 >> ES 350 >> Repair and Diagnosis >> Electrical >> Body Electrical >> OEM System Circuits >> Theft Deterrent >> Notes
April 5, 2026: LEMON Manuals is launched! Read the announcement.

Theft Deterrent: Notes

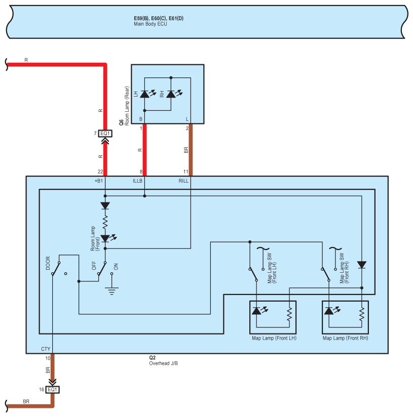
Fig 1: Theft Deterrent System Wiring Diagram (1 Of 9)
G08916841Courtesy of © TOYOTA, LICENSE AGREEMENT TMS1002
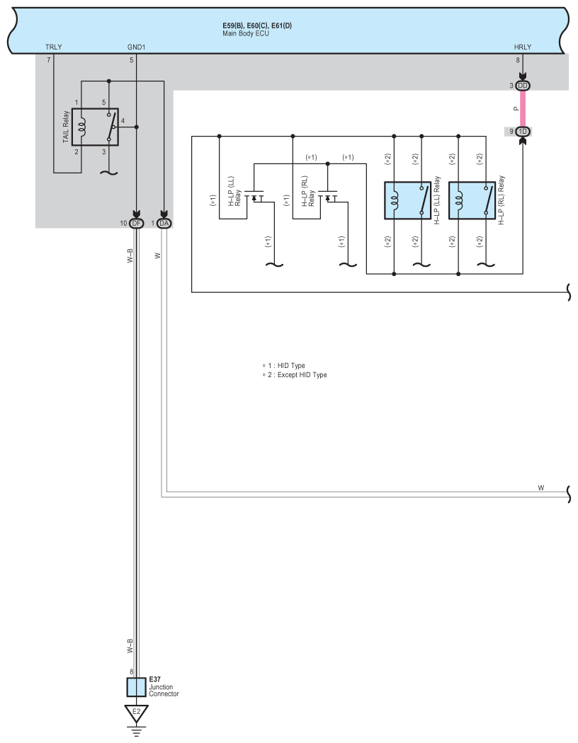
Fig 2: Theft Deterrent System Wiring Diagram (2 Of 9)
G08916842Courtesy of © TOYOTA, LICENSE AGREEMENT TMS1002
Fig 3: Theft Deterrent System Wiring Diagram (3 Of 9)
G08916843Courtesy of © TOYOTA, LICENSE AGREEMENT TMS1002
Fig 4: Theft Deterrent System Wiring Diagram (4 Of 9)
G08916844Courtesy of © TOYOTA, LICENSE AGREEMENT TMS1002
Fig 5: Theft Deterrent System Wiring Diagram (5 Of 9)
G08916845Courtesy of © TOYOTA, LICENSE AGREEMENT TMS1002
Fig 6: Theft Deterrent System Wiring Diagram (6 Of 9)
G08916846Courtesy of © TOYOTA, LICENSE AGREEMENT TMS1002
Fig 7: Theft Deterrent System Wiring Diagram (7 Of 9)
G08916847Courtesy of © TOYOTA, LICENSE AGREEMENT TMS1002
Fig 8: Theft Deterrent System Wiring Diagram (8 Of 9)
G08916848Courtesy of © TOYOTA, LICENSE AGREEMENT TMS1002
Fig 9: Theft Deterrent System Wiring Diagram (9 Of 9)
G08916849Courtesy of © TOYOTA, LICENSE AGREEMENT TMS1002