LEMON Manuals: Even more car manuals for everyone: 1960-2025
Home >> Lexus >> 2007 >> ES 350 >> Repair and Diagnosis >> Engine Mechanical >> Starter >> Starting >> Smart Access System With Push-Button Start >> Engine does not Start >> Description
April 5, 2026: LEMON Manuals is launched! Read the announcement.

Engine does not Start: Description

  1. ENGINE START SYSTEM FUNCTION 
    1. If the engine switch is pressed with the shift lever in the P or N position and the brake pedal depressed, the main body ECU determines that it is an engine start request.
    2. The certification ECU and other ECUs perform key verification via the LIN communication line.
    3. The main body ECU activates the ACC relay.
    4. The main body ECU activates the IG1 and IG2 relays.
    5. The certification ECU outputs a steering UNLOCK signal. The signal is sent to the main body ECU via the steering lock ECU.
    6. The main body ECU sends an engine start request signal to the ECM.
    7. The ECM sends an ACC cut request signal to the main body ECU.
    8. The ECM and main body ECU activate the ST relay.
    9. The main body ECU deactivates the ACC relay until the ECU detects an engine start.
    10. When engine revolution speed reaches 1200 rpm, the ECU determines that the engine has been started.

      The ECM stop sending an ACC cut request signal to the main body ECU.

      The main body ECU reactivates the ACC relay and turns off the engine switch indicator light.

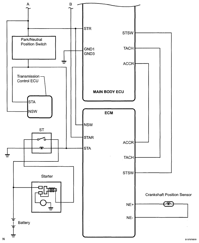
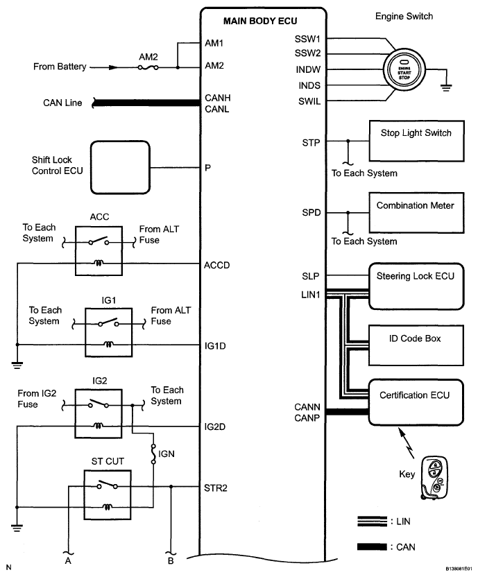
      MAIN BODY ECU SYMBOLS AND SIGNALS REFERENCE

      Symbols of main body ECU Signals
      STP Stop light switch ON signal Input
      SSW1/SSW2 Engine switch ON signal Input
      ACCD ACC relay operation signal Output
      SLP Shift lock actuator position signal Input
      STP Stop light signal Input
      IG1D IG1 relay operation signal Output
      P Shift lock signal Input
      IG2D IG2 relay operation signal Output
      STR2 ST relay operation signal (Sub) Output
      STR Park / neutral position switch signal Input
      TACH Engine start detection signal Input
      STSW Starter activation request signal Output
      ACCR ACC cut request signal Input
      ECM SYMBOLS AND SIGNALS REFERENCE

      Symbols of ECM Signals
      ACCR ACC cut request signal Output
      TACH Engine revolution speed signal Output
      STSW Starter activation request signal Input
      NSW Park / neutral position switch signal Input
      STAR ST relay operation signal (Main) Output
      STA Starter activation signal Input
      Fig 1: Engine Start System - Wiring Diagram (1 Of 2)
      G05248801Courtesy of © TOYOTA, LICENSE AGREEMENT TMS1002
      Fig 2: Engine Start System - Wiring Diagram (2 Of 2)
      G05248802Courtesy of © TOYOTA, LICENSE AGREEMENT TMS1002