LEMON Manuals: Even more car manuals for everyone: 1960-2025
Home >> Lexus >> 2007 >> ES 350 >> Repair and Diagnosis >> Engine Performance >> System >> Engine Control System - SFI System Introduction, Precautions, Parts Location, Diagnosis System, Diagnostic Trouble Code Table >> SFI System >> System Diagram
April 5, 2026: LEMON Manuals is launched! Read the announcement.

System Diagram

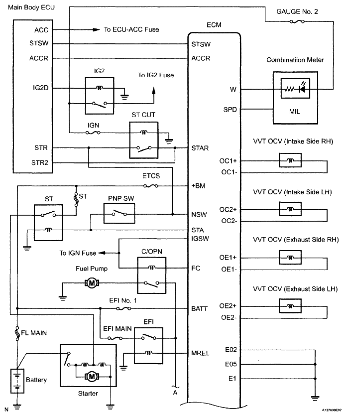
Fig 1: Identifying Engine Control System Diagram (1 Of 5)
G04973423Courtesy of © TOYOTA, LICENSE AGREEMENT TMS1002
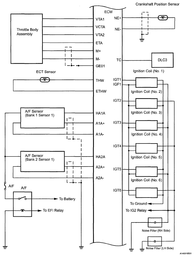
Fig 2: Identifying Engine Control System Diagram (2 Of 5)
G05247573Courtesy of © TOYOTA, LICENSE AGREEMENT TMS1002
Fig 3: Identifying Engine Control System Diagram (3 Of 5)
G04973420Courtesy of © TOYOTA, LICENSE AGREEMENT TMS1002
Fig 4: Identifying Engine Control System Diagram (4 Of 5)
G05247575Courtesy of © TOYOTA, LICENSE AGREEMENT TMS1002
Fig 5: Identifying Engine Control System Diagram (5 Of 5)
G04973422Courtesy of © TOYOTA, LICENSE AGREEMENT TMS1002