LEMON Manuals: Even more car manuals for everyone: 1960-2025
Home >> Lexus >> 2007 >> GS 350 AWD V6-3.5L (2GR-FSE) >> Repair and Diagnosis >> Powertrain Management >> Computers and Control Systems >> Information Bus >> Testing and Inspection >> Component Tests and General Diagnostics >> Skid Control ECU Communication Stop Mode
April 5, 2026: LEMON Manuals is launched! Read the announcement.

Skid Control ECU Communication Stop Mode

Skid Control ECU Communication Stop Mode




DESCRIPTION

HINT: For vehicles with 3UZ-FE only.

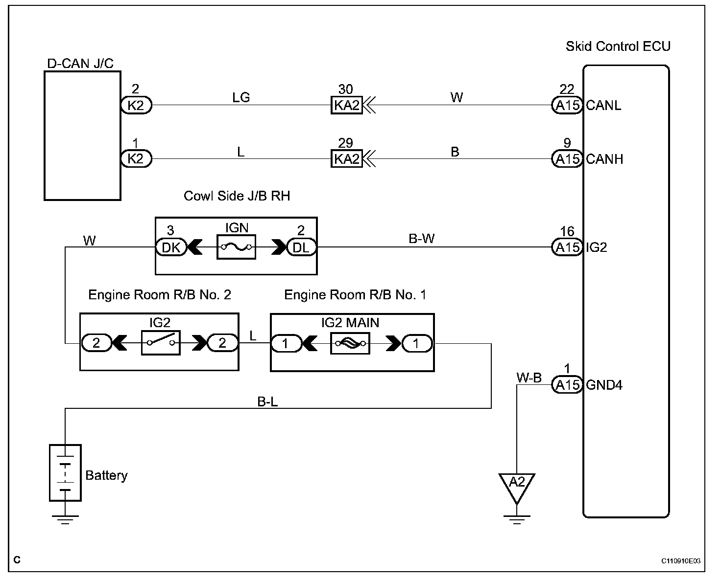
Wiring Diagram:






Step 1:




Step 1 (Continued)-2:




INSPECTION PROCEDURE