LEMON Manuals: Even more car manuals for everyone: 1960-2025
Home >> Lexus >> 2007 >> GS 350 AWD >> Repair and Diagnosis >> Electrical >> Body Electrical >> OEM System Circuits >> Back-Up Light >> Notes
April 5, 2026: LEMON Manuals is launched! Read the announcement.

Back-Up Light: Notes

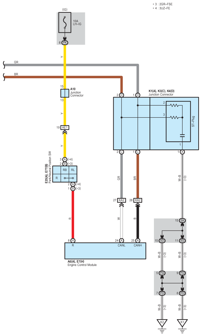
Fig 1: Back-Up Light System Wiring Diagram (1 Of 3)
G08915671Courtesy of © TOYOTA, LICENSE AGREEMENT TMS1002
Fig 2: Back-Up Light System Wiring Diagram (2 Of 3)
G08915672Courtesy of © TOYOTA, LICENSE AGREEMENT TMS1002
Fig 3: Back-Up Light System Wiring Diagram (3 Of 3)
G08915673Courtesy of © TOYOTA, LICENSE AGREEMENT TMS1002