LEMON Manuals: Even more car manuals for everyone: 1960-2025
Home >> Lexus >> 2007 >> GS 350 AWD >> Repair and Diagnosis >> External Pages >> Different car >> Section 1 (Automatic Transaxle) >> Electronic Controlled Automatic Transmission System >> DTC P0705 Transmission Range Sensor Circuit Malfunction (PRNDL Input); DTC P0850 Park / Neutral Switch Input Circuit >> Wiring Diagram
April 5, 2026: LEMON Manuals is launched! Read the announcement.

DTC P0705 Transmission Range Sensor Circuit Malfunction (PRNDL Input); DTC P0850 Park / Neutral Switch Input Circuit: Wiring Diagram

WARNING: This page is about a different car, the 2007 Lexus GS 430. However, it is still accessible from the selected car via links, so may be relevant.
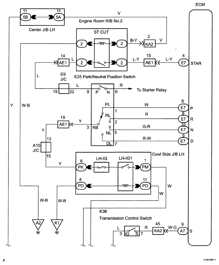
Fig 1: Park/Neutral Position Switch - Wiring Diagram (1 Of 2)
G05295213Courtesy of © TOYOTA, LICENSE AGREEMENT TMS1002
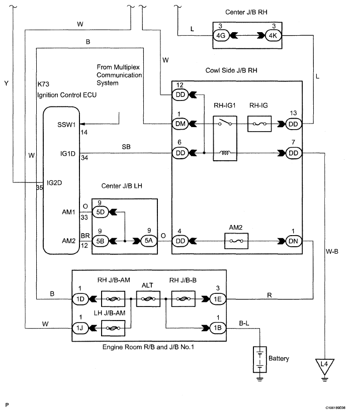
Fig 2: Park/Neutral Position Switch - Wiring Diagram (2 Of 2)
G05295214Courtesy of © TOYOTA, LICENSE AGREEMENT TMS1002