LEMON Manuals: Even more car manuals for everyone: 1960-2025
Home >> Lexus >> 2007 >> GS 350 RWD >> Repair and Diagnosis >> Brakes >> Anti-Lock Brakes >> Brake Control >> Electronically Controlled Brake System >> DTC U0073/94 Control Module Communication Bus OFF; DTC U0100/65 Lost Communication with ECM / PCM; DTC U0123/62 Lost Communication with Yaw Rate Sensor Module; DTC U0124/95 Lost Communication with Lateral Acceleration Sensor Module; DTC U0126/63 Lost Communication with Steering Angle Sensor Module; DTC U0130/68 Lost Communication with Steering Effort Control Module; DTC U0131/67 Lost Communication with Power Steering Control Module >> Wiring Diagram
April 5, 2026: LEMON Manuals is launched! Read the announcement.

DTC U0073/94 Control Module Communication Bus OFF; DTC U0100/65 Lost Communication with ECM / PCM; DTC U0123/62 Lost Communication with Yaw Rate Sensor Module; DTC U0124/95 Lost Communication with Lateral Acceleration Sensor Module; DTC U0126/63 Lost Communication with Steering Angle Sensor Module; DTC U0130/68 Lost Communication with Steering Effort Control Module; DTC U0131/67 Lost Communication with Power Steering Control Module: Wiring Diagram

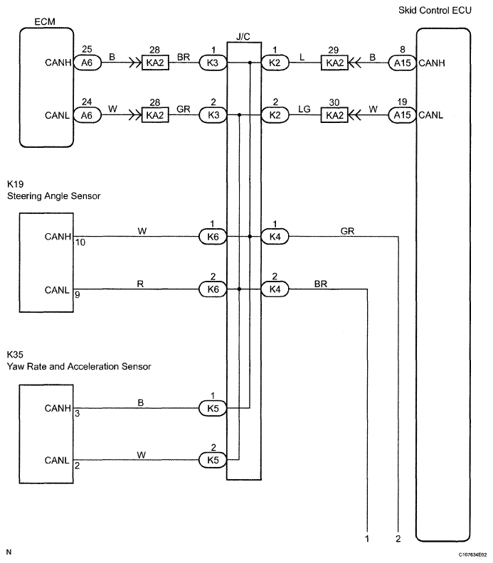
Fig 1: Steering Angle Sensor - Wiring Diagram (1 Of 2)
G05297107Courtesy of © TOYOTA, LICENSE AGREEMENT TMS1002
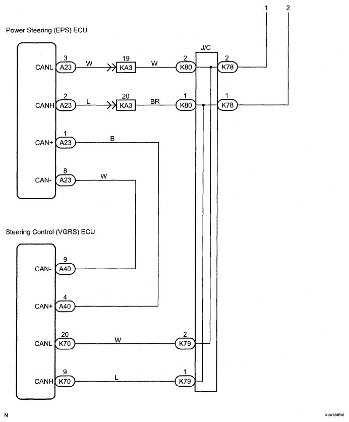
Fig 2: Steering Angle Sensor - Wiring Diagram (2 Of 2)
G05297108Courtesy of © TOYOTA, LICENSE AGREEMENT TMS1002