LEMON Manuals: Even more car manuals for everyone: 1960-2025
Home >> Lexus >> 2007 >> GS 350 RWD >> Repair and Diagnosis >> Brakes >> Traction Control >> Brake Control >> Electronically Controlled Brake System >> Wiring Diagram >> Notes
April 5, 2026: LEMON Manuals is launched! Read the announcement.

Electronically Controlled Brake System: Wiring Diagram: Notes

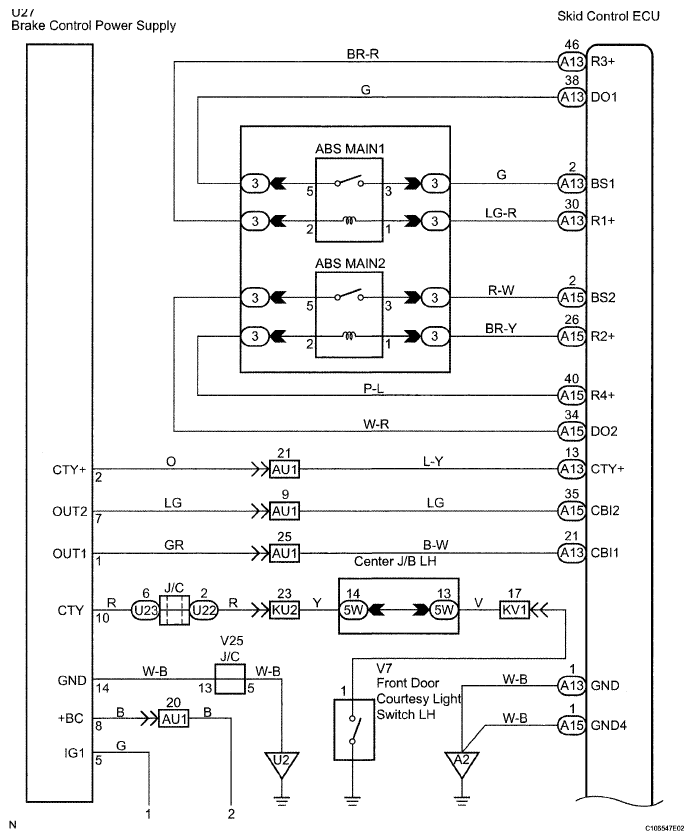
Fig 1: IG1 / IG2 Power Source Circuit - Wiring Diagram (1 Of 3)
G05297064Courtesy of © TOYOTA, LICENSE AGREEMENT TMS1002
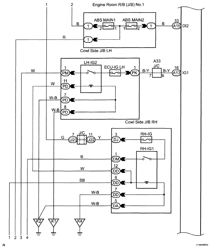
Fig 2: IG1 / IG2 Power Source Circuit - Wiring Diagram (2 Of 3)
G05297065Courtesy of © TOYOTA, LICENSE AGREEMENT TMS1002
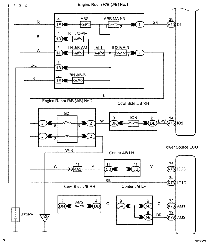
Fig 3: IG1 / IG2 Power Source Circuit - Wiring Diagram (3 Of 3)
G05297066Courtesy of © TOYOTA, LICENSE AGREEMENT TMS1002