LEMON Manuals: Even more car manuals for everyone: 1960-2025
Home >> Lexus >> 2007 >> GS 350 RWD >> Repair and Diagnosis >> Electrical >> Body Electrical >> OEM System Circuits >> Taillight >> Notes
April 5, 2026: LEMON Manuals is launched! Read the announcement.

OEM System Circuits: Taillight: Notes

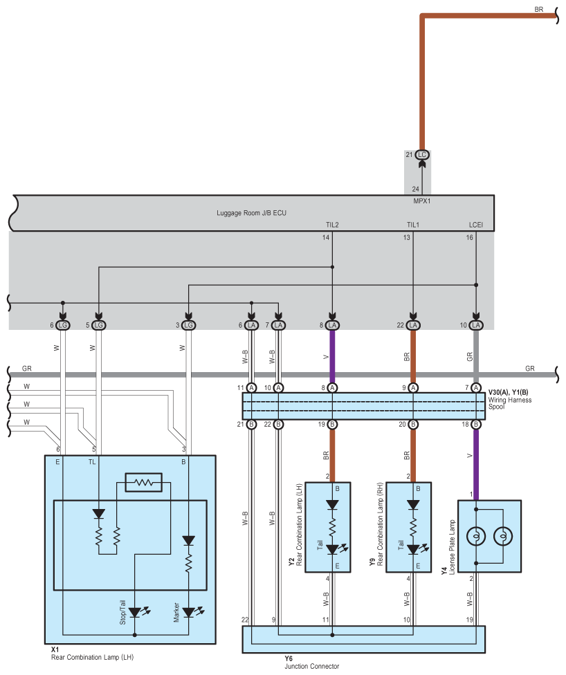
Fig 1: Taillight System Wiring Diagram (1 Of 7)
G08915662Courtesy of © TOYOTA, LICENSE AGREEMENT TMS1002
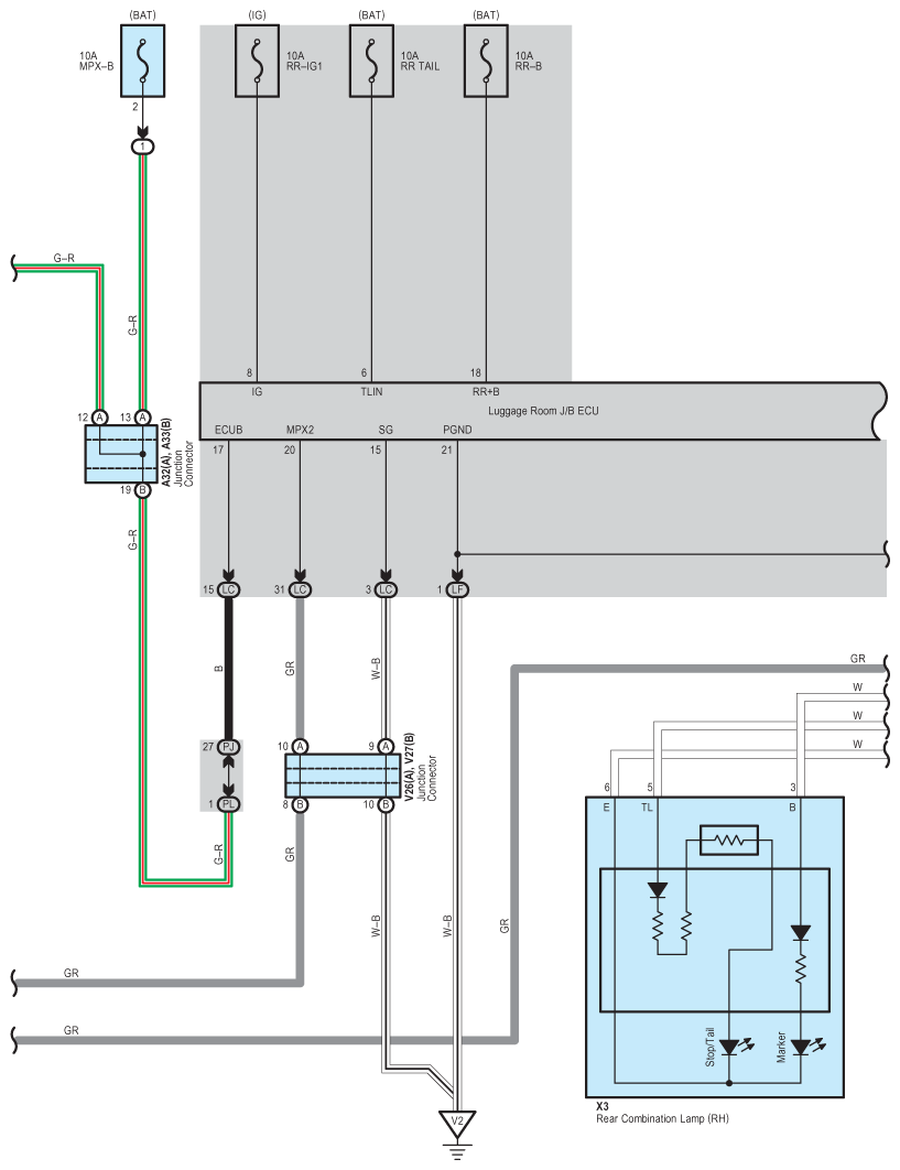
Fig 2: Taillight System Wiring Diagram (2 Of 7)
G08915663Courtesy of © TOYOTA, LICENSE AGREEMENT TMS1002
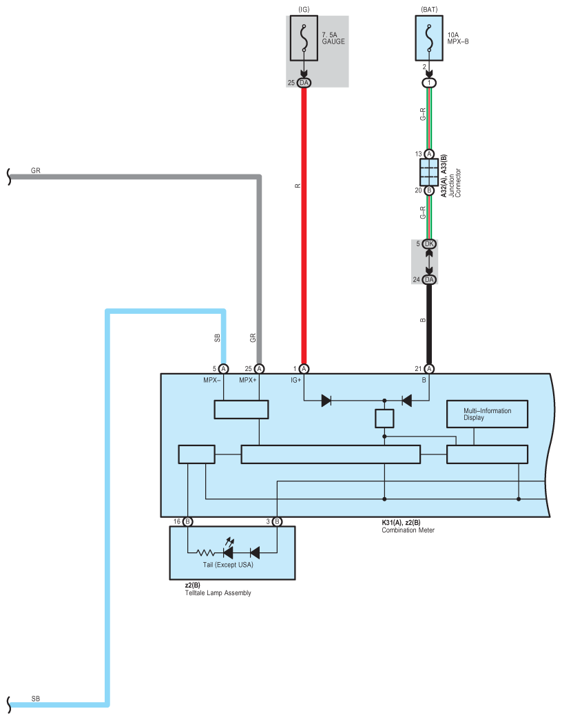
Fig 3: Taillight System Wiring Diagram (3 Of 7)
G08915664Courtesy of © TOYOTA, LICENSE AGREEMENT TMS1002
Fig 4: Taillight System Wiring Diagram (4 Of 7)
G08915665Courtesy of © TOYOTA, LICENSE AGREEMENT TMS1002
Fig 5: Taillight System Wiring Diagram (5 Of 7)
G08915666Courtesy of © TOYOTA, LICENSE AGREEMENT TMS1002
Fig 6: Taillight System Wiring Diagram (6 Of 7)
G08915667Courtesy of © TOYOTA, LICENSE AGREEMENT TMS1002
Fig 7: Taillight System Wiring Diagram (7 Of 7)
G08915668Courtesy of © TOYOTA, LICENSE AGREEMENT TMS1002