LEMON Manuals: Even more car manuals for everyone: 1960-2025
Home >> Lexus >> 2007 >> GS 350 RWD >> Repair and Diagnosis >> Electrical >> Body Electrical >> OEM System Circuits >> Vehicle Dynamics Integrated Management >> Notes
April 5, 2026: LEMON Manuals is launched! Read the announcement.

Vehicle Dynamics Integrated Management: Notes

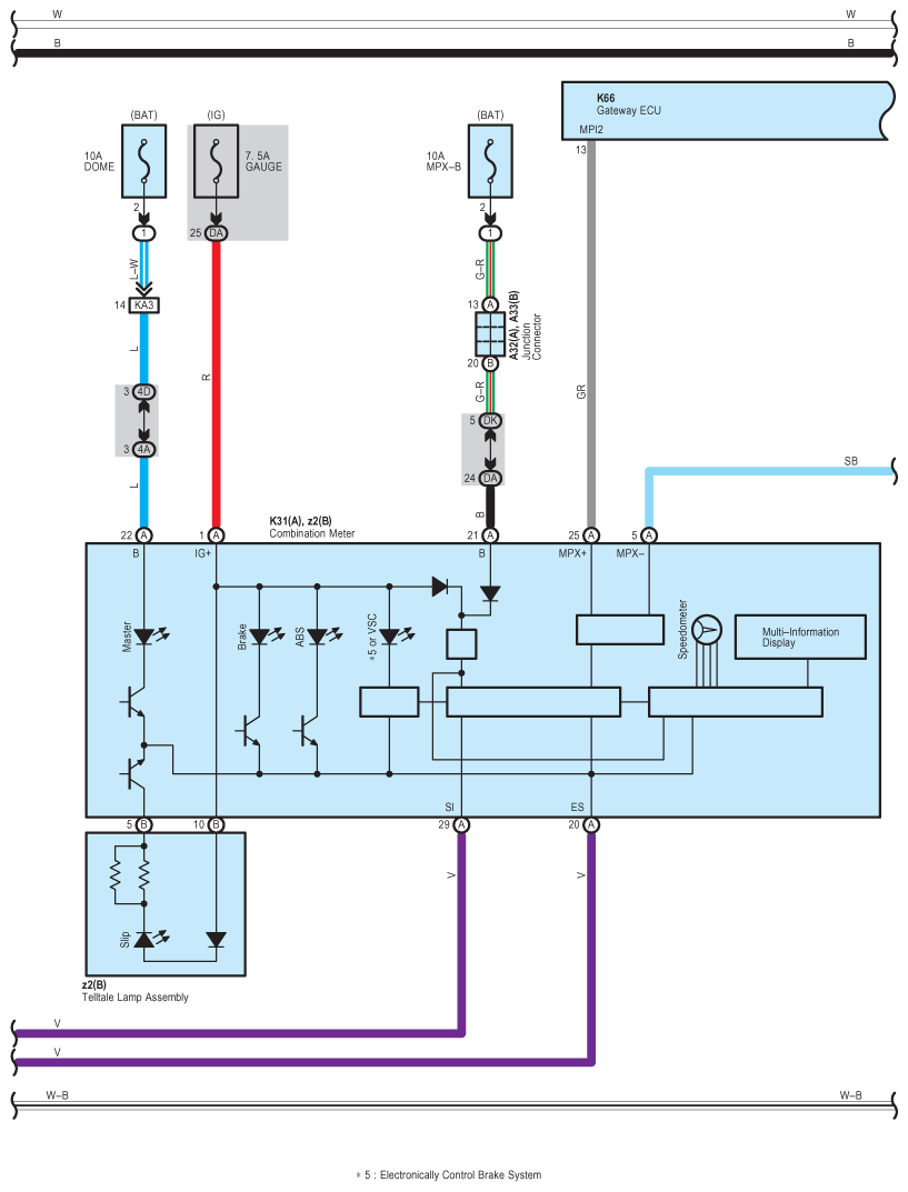
Fig 1: Vehicle Dynamics Integrated Management System Wiring Diagram (1 Of 12)
G08915815Courtesy of © TOYOTA, LICENSE AGREEMENT TMS1002
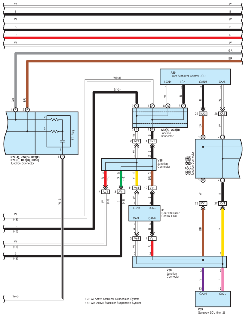
Fig 2: Vehicle Dynamics Integrated Management System Wiring Diagram (2 Of 12)
G08915816Courtesy of © TOYOTA, LICENSE AGREEMENT TMS1002
Fig 3: Vehicle Dynamics Integrated Management System Wiring Diagram (3 Of 12)
G08915817Courtesy of © TOYOTA, LICENSE AGREEMENT TMS1002
Fig 4: Vehicle Dynamics Integrated Management System Wiring Diagram (4 Of 12)
G08915818Courtesy of © TOYOTA, LICENSE AGREEMENT TMS1002
Fig 5: Vehicle Dynamics Integrated Management System Wiring Diagram (5 Of 12)
G08915819Courtesy of © TOYOTA, LICENSE AGREEMENT TMS1002
Fig 6: Vehicle Dynamics Integrated Management System Wiring Diagram (6 Of 12)
G08915820Courtesy of © TOYOTA, LICENSE AGREEMENT TMS1002
Fig 7: Vehicle Dynamics Integrated Management System Wiring Diagram (7 Of 12)
G08915821Courtesy of © TOYOTA, LICENSE AGREEMENT TMS1002
Fig 8: Vehicle Dynamics Integrated Management System Wiring Diagram (8 Of 12)
G08915822Courtesy of © TOYOTA, LICENSE AGREEMENT TMS1002
Fig 9: Vehicle Dynamics Integrated Management System Wiring Diagram (9 Of 12)
G08915823Courtesy of © TOYOTA, LICENSE AGREEMENT TMS1002
Fig 10: Vehicle Dynamics Integrated Management System Wiring Diagram (10 Of 12)
G08915824Courtesy of © TOYOTA, LICENSE AGREEMENT TMS1002
Fig 11: Vehicle Dynamics Integrated Management System Wiring Diagram (11 Of 12)
G08915825Courtesy of © TOYOTA, LICENSE AGREEMENT TMS1002
Fig 12: Vehicle Dynamics Integrated Management System Wiring Diagram (12 Of 12)
G08915826Courtesy of © TOYOTA, LICENSE AGREEMENT TMS1002