LEMON Manuals: Even more car manuals for everyone: 1960-2025
Home >> Lexus >> 2007 >> GS 350 RWD >> Repair and Diagnosis >> Engine Performance >> System >> Engine Control System (2GR-FSE) - System And Circuit Testing, On-Vehicle Inspection, Removal, Inspection, Installation >> EVAP System >> Wiring Diagram
April 5, 2026: LEMON Manuals is launched! Read the announcement.

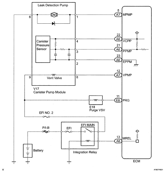
EVAP System: Wiring Diagram

Fig 1: Canister Pressure Sensor - Wiring Diagram
G05285256Courtesy of © TOYOTA, LICENSE AGREEMENT TMS1002