LEMON Manuals: Even more car manuals for everyone: 1960-2025
Home >> Lexus >> 2007 >> GS 430 V8-4.3L (3UZ-FE) >> Repair and Diagnosis >> Powertrain Management >> Computers and Control Systems >> Information Bus >> Diagrams >> Electrical Diagrams >> Multiplex Communication System - CAN >> Multiplex Communication System - CAN Part 2
April 5, 2026: LEMON Manuals is launched! Read the announcement.

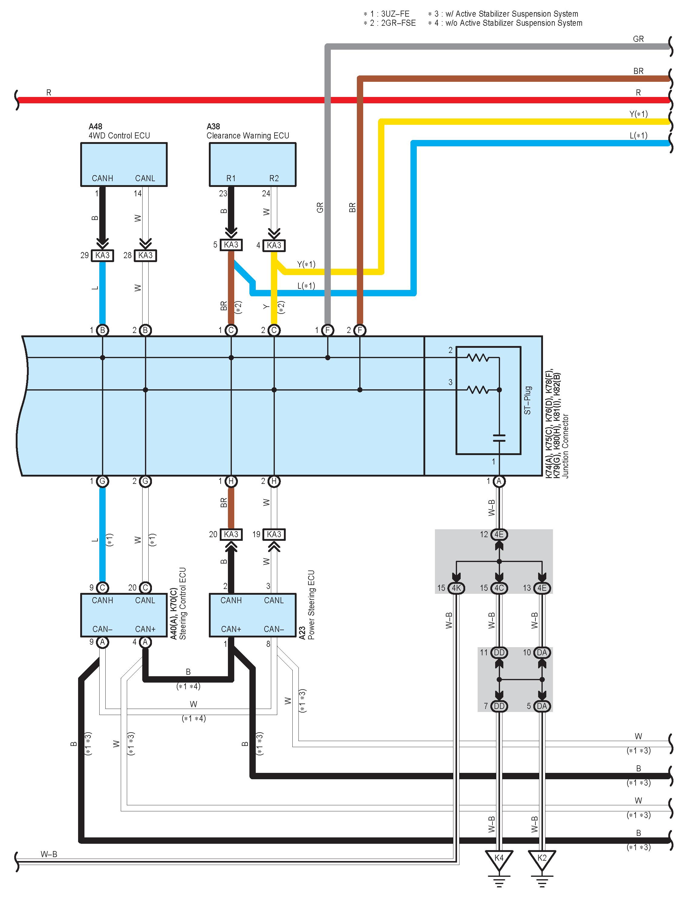
Multiplex Communication System - CAN Part 2

Multiplex Communication System - CAN Part 2:




Diagram Legend Part 1:




Diagram Legend Part 2:






Next Diagram Multiplex Communication System - CAN Part 3

Previous Diagram Multiplex Communication System - CAN Part 1

Locations: The locations of components, connectors, ground points, and splices referred to within these diagrams can be found at Vehicle Locations. Locations

Connector Views: The connector views for connectors referred to within these diagrams can be found at Vehicle level Connector Views. Connector Views