LEMON Manuals: Even more car manuals for everyone: 1960-2025
Home >> Lexus >> 2007 >> GS 430 >> Repair and Diagnosis >> Accessories & Equipment >> Cruise Control Systems >> Cruise Control >> Dynamic Radar Cruise Control System >> Distance Control ECU Power Source Circuit >> Wiring Diagram
April 5, 2026: LEMON Manuals is launched! Read the announcement.

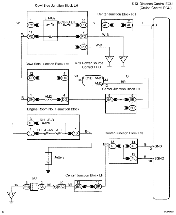
Distance Control ECU Power Source Circuit: Wiring Diagram

Fig 1: Distance Control ECU Power Source Circuit - Wiring Diagram
G05298718Courtesy of © TOYOTA, LICENSE AGREEMENT TMS1002