LEMON Manuals: Even more car manuals for everyone: 1960-2025
Home >> Lexus >> 2007 >> GS 430 >> Repair and Diagnosis >> Electrical >> Body Electrical >> OEM System Circuits >> Cruise Control for 3UZ-FE >> Notes
April 5, 2026: LEMON Manuals is launched! Read the announcement.

Cruise Control for 3UZ-FE: Notes

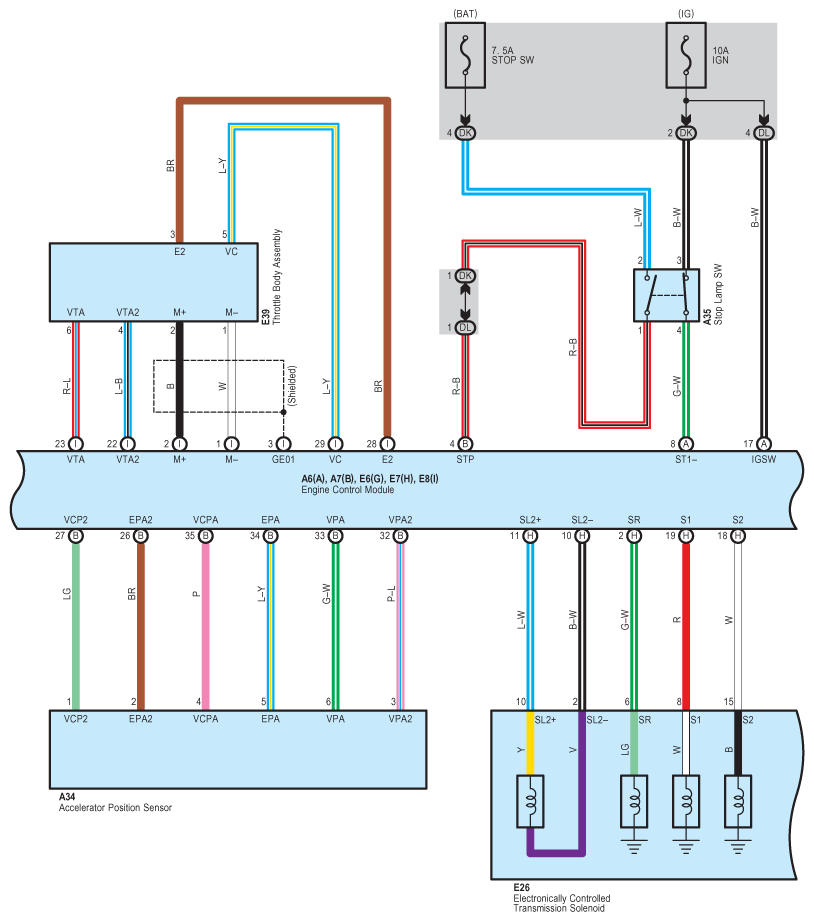
Fig 1: Cruise Control For 3UZ-FE System Wiring Diagram (1 Of 9)
G08915798Courtesy of © TOYOTA, LICENSE AGREEMENT TMS1002
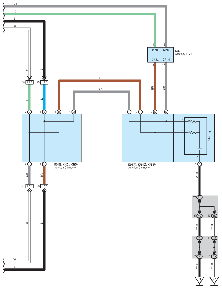
Fig 2: Cruise Control For 3UZ-FE System Wiring Diagram (2 Of 9)
G08915799Courtesy of © TOYOTA, LICENSE AGREEMENT TMS1002
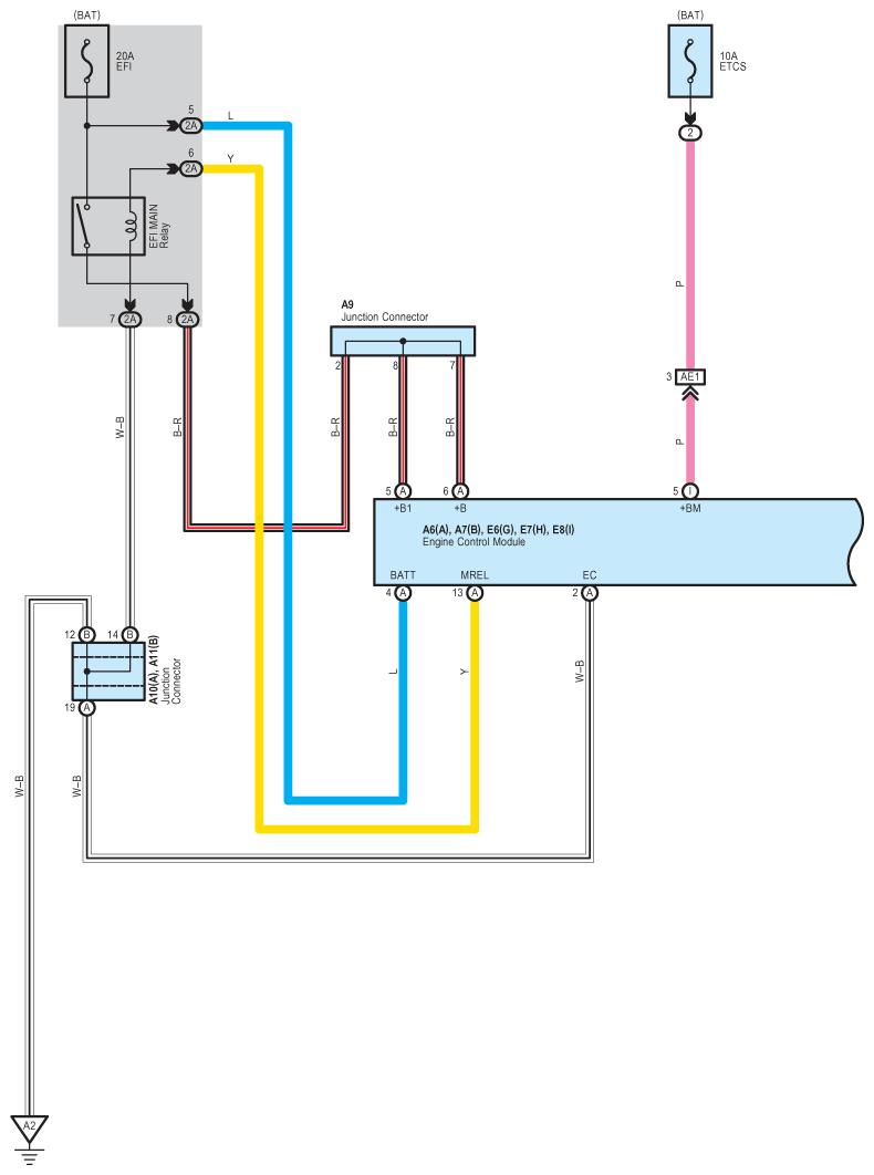
Fig 3: Cruise Control For 3UZ-FE System Wiring Diagram (3 Of 9)
G08915800Courtesy of © TOYOTA, LICENSE AGREEMENT TMS1002
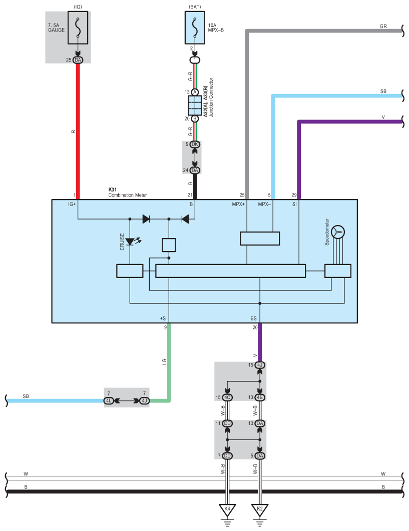
Fig 4: Cruise Control For 3UZ-FE System Wiring Diagram (4 Of 9)
G08915801Courtesy of © TOYOTA, LICENSE AGREEMENT TMS1002
Fig 5: Cruise Control For 3UZ-FE System Wiring Diagram (5 Of 9)
G08915802Courtesy of © TOYOTA, LICENSE AGREEMENT TMS1002
Fig 6: Cruise Control For 3UZ-FE System Wiring Diagram (6 Of 9)
G08915803Courtesy of © TOYOTA, LICENSE AGREEMENT TMS1002
Fig 7: Cruise Control For 3UZ-FE System Wiring Diagram (7 Of 9)
G08915804Courtesy of © TOYOTA, LICENSE AGREEMENT TMS1002
Fig 8: Cruise Control For 3UZ-FE System Wiring Diagram (8 Of 9)
G08915805Courtesy of © TOYOTA, LICENSE AGREEMENT TMS1002
Fig 9: Cruise Control For 3UZ-FE System Wiring Diagram (9 Of 9)
G08915806Courtesy of © TOYOTA, LICENSE AGREEMENT TMS1002