LEMON Manuals: Even more car manuals for everyone: 1960-2025
Home >> Lexus >> 2007 >> GS 430 >> Repair and Diagnosis >> Electrical >> Body Electrical >> OEM System Circuits >> Dynamic Radar Cruise Control for 3UZ-FE >> Notes
April 5, 2026: LEMON Manuals is launched! Read the announcement.

Dynamic Radar Cruise Control for 3UZ-FE: Notes

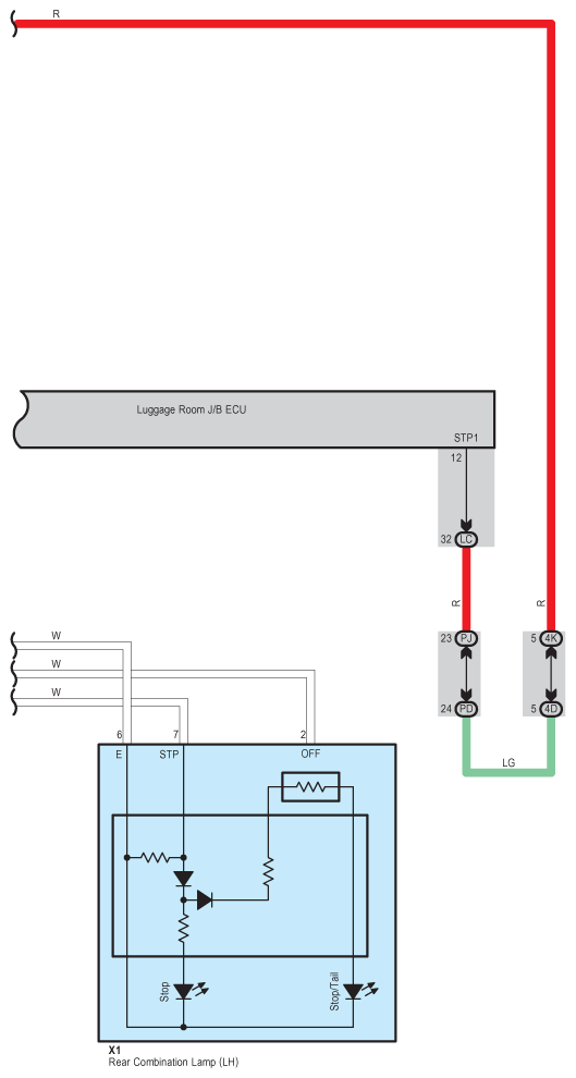
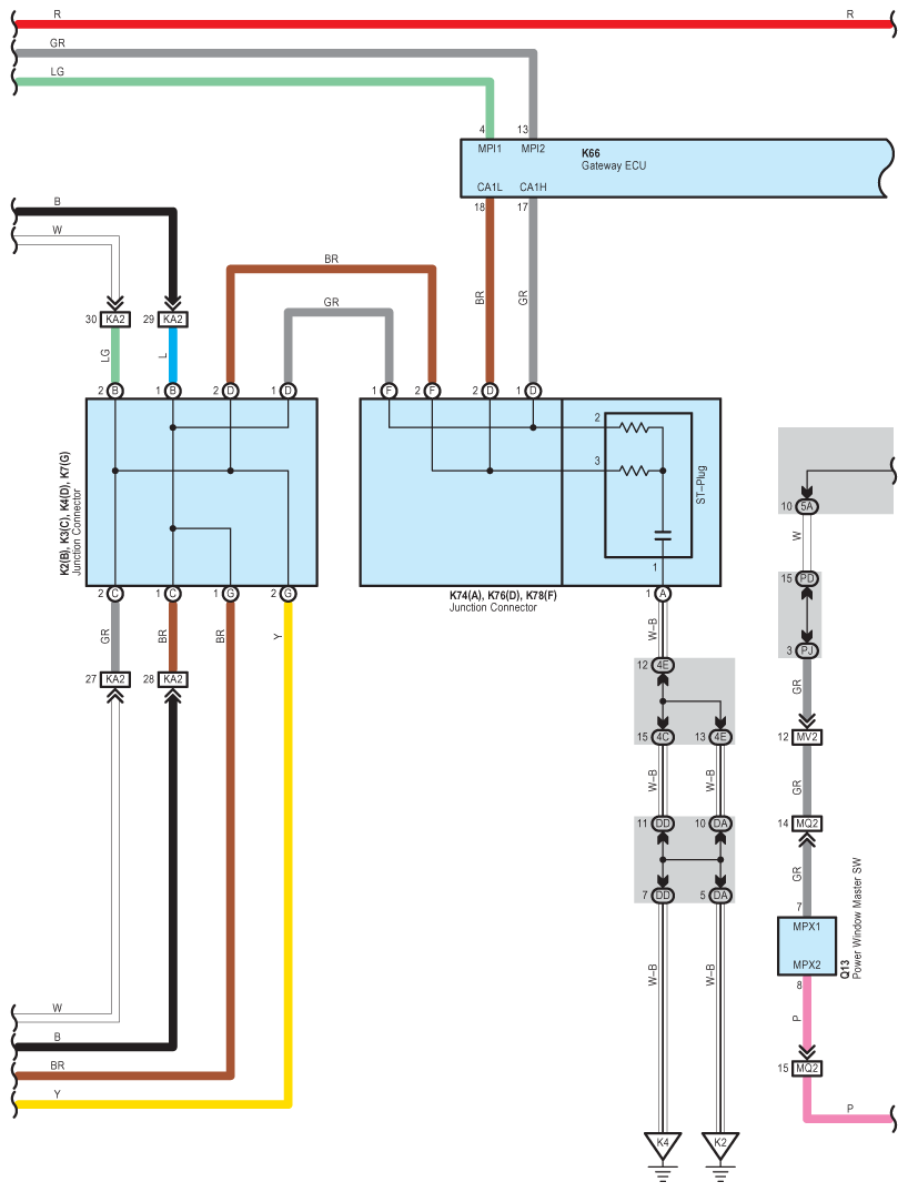
Fig 1: Dynamic Radar Cruise Control For 3UZ-FE System Wiring Diagram (1 Of 15)
G08915768Courtesy of © TOYOTA, LICENSE AGREEMENT TMS1002
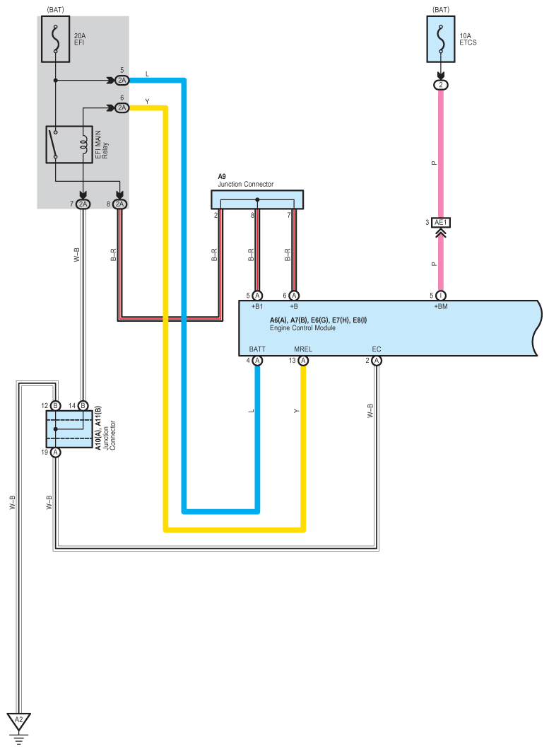
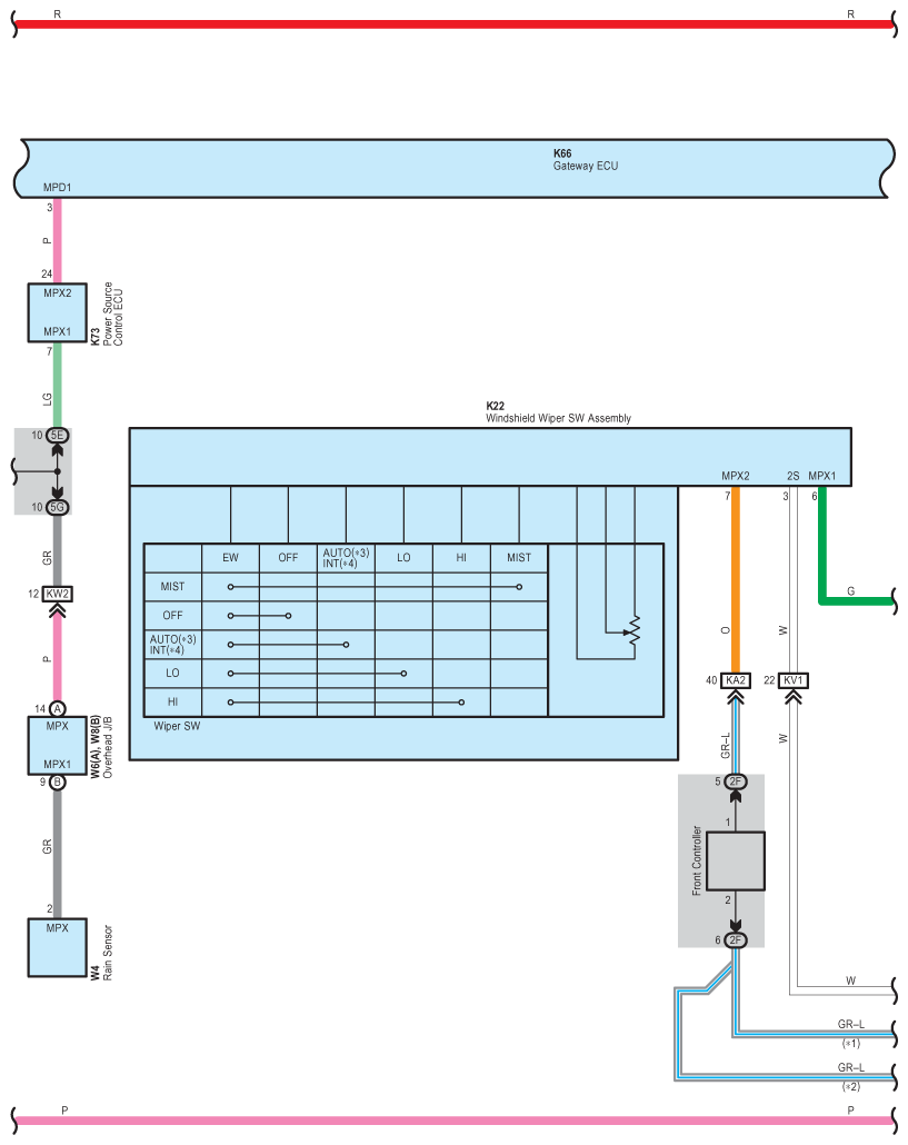
Fig 2: Dynamic Radar Cruise Control For 3UZ-FE System Wiring Diagram (2 Of 15)
G08915769Courtesy of © TOYOTA, LICENSE AGREEMENT TMS1002
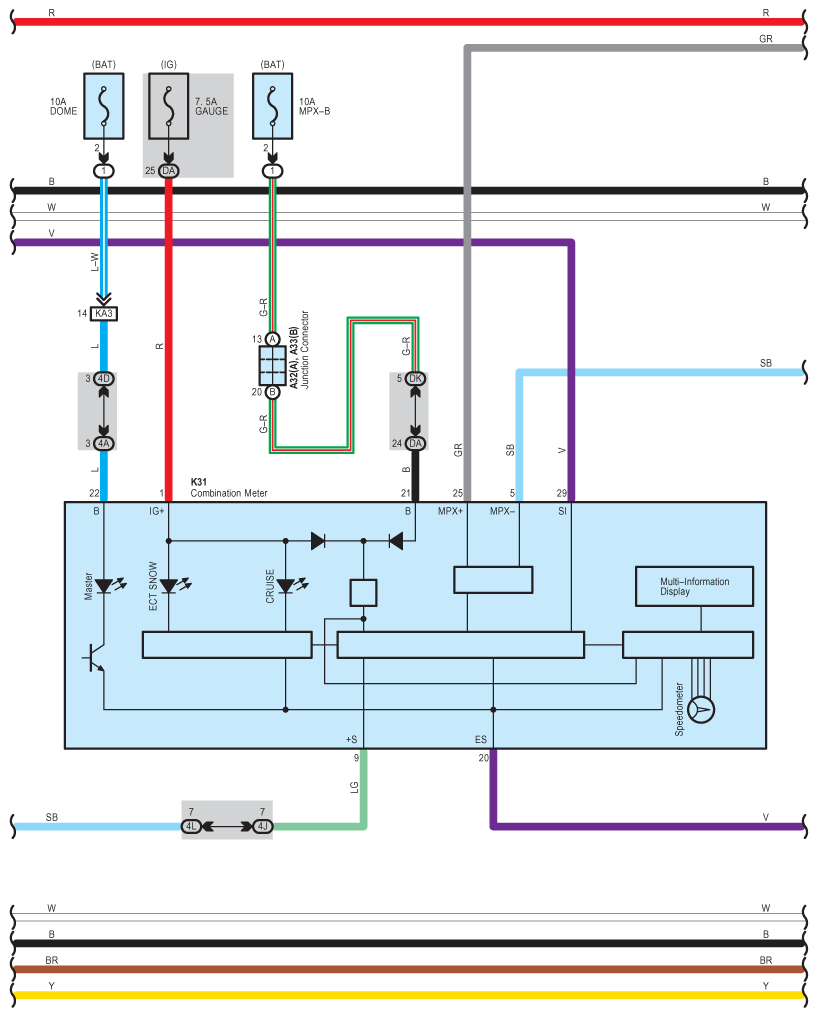
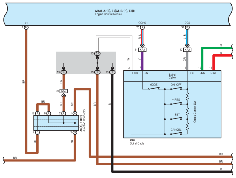
Fig 3: Dynamic Radar Cruise Control For 3UZ-FE System Wiring Diagram (3 Of 15)
G08915770Courtesy of © TOYOTA, LICENSE AGREEMENT TMS1002
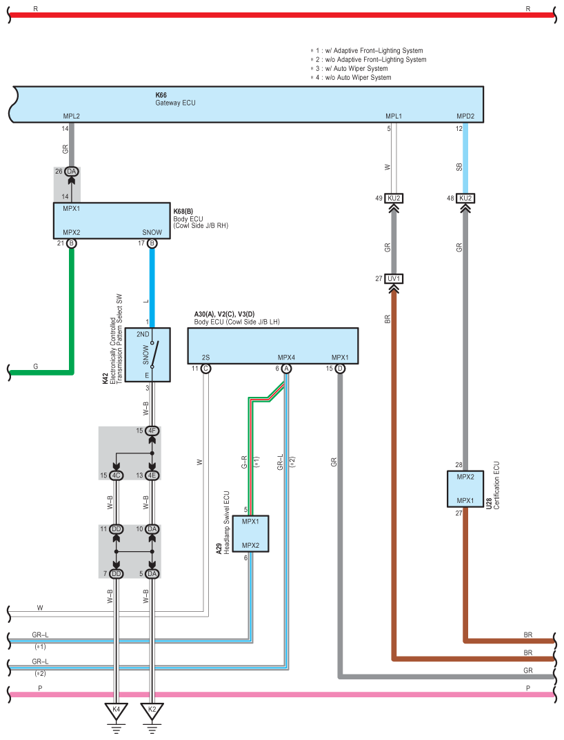
Fig 4: Dynamic Radar Cruise Control For 3UZ-FE System Wiring Diagram (4 Of 15)
G08915771Courtesy of © TOYOTA, LICENSE AGREEMENT TMS1002
Fig 5: Dynamic Radar Cruise Control For 3UZ-FE System Wiring Diagram (5 Of 15)
G08915772Courtesy of © TOYOTA, LICENSE AGREEMENT TMS1002
Fig 6: Dynamic Radar Cruise Control For 3UZ-FE System Wiring Diagram (6 Of 15)
G08915773Courtesy of © TOYOTA, LICENSE AGREEMENT TMS1002
Fig 7: Dynamic Radar Cruise Control For 3UZ-FE System Wiring Diagram (7 Of 15)
G08915774Courtesy of © TOYOTA, LICENSE AGREEMENT TMS1002
Fig 8: Dynamic Radar Cruise Control For 3UZ-FE System Wiring Diagram (8 Of 15)
G08915775Courtesy of © TOYOTA, LICENSE AGREEMENT TMS1002
Fig 9: Dynamic Radar Cruise Control For 3UZ-FE System Wiring Diagram (9 Of 15)
G08915776Courtesy of © TOYOTA, LICENSE AGREEMENT TMS1002
Fig 10: Dynamic Radar Cruise Control For 3UZ-FE System Wiring Diagram (10 Of 15)
G08915777Courtesy of © TOYOTA, LICENSE AGREEMENT TMS1002
Fig 11: Dynamic Radar Cruise Control For 3UZ-FE System Wiring Diagram (11 Of 15)
G08915778Courtesy of © TOYOTA, LICENSE AGREEMENT TMS1002
Fig 12: Dynamic Radar Cruise Control For 3UZ-FE System Wiring Diagram (12 Of 15)
G08915779Courtesy of © TOYOTA, LICENSE AGREEMENT TMS1002
Fig 13: Dynamic Radar Cruise Control For 3UZ-FE System Wiring Diagram (13 Of 15)
G08915780Courtesy of © TOYOTA, LICENSE AGREEMENT TMS1002
Fig 14: Dynamic Radar Cruise Control For 3UZ-FE System Wiring Diagram (14 Of 15)
G08915781Courtesy of © TOYOTA, LICENSE AGREEMENT TMS1002
Fig 15: Dynamic Radar Cruise Control For 3UZ-FE System Wiring Diagram (15 Of 15)
G08915782Courtesy of © TOYOTA, LICENSE AGREEMENT TMS1002