LEMON Manuals: Even more car manuals for everyone: 1960-2025
Home >> Lexus >> 2007 >> GS 430 >> Repair and Diagnosis >> Electrical >> Body Electrical >> OEM System Circuits >> Fuel Lid Opener >> Notes
April 5, 2026: LEMON Manuals is launched! Read the announcement.

Fuel Lid Opener: Notes

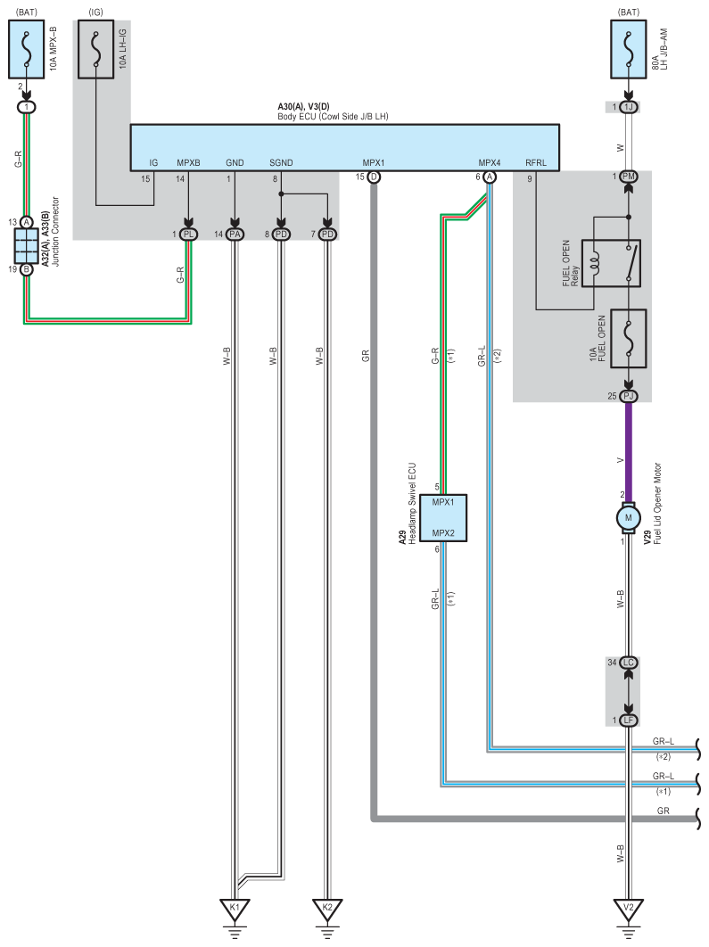
Fig 1: Fuel Lid Opener System Wiring Diagram (1 Of 2)
G08915900Courtesy of © TOYOTA, LICENSE AGREEMENT TMS1002
Fig 2: Fuel Lid Opener System Wiring Diagram (2 Of 2)
G08915901Courtesy of © TOYOTA, LICENSE AGREEMENT TMS1002