LEMON Manuals: Even more car manuals for everyone: 1960-2025
Home >> Lexus >> 2007 >> GS 430 >> Repair and Diagnosis >> Electrical >> Body Electrical >> OEM System Circuits >> Ignition for 2GR-FSE >> Notes
April 5, 2026: LEMON Manuals is launched! Read the announcement.

Ignition for 2GR-FSE: Notes

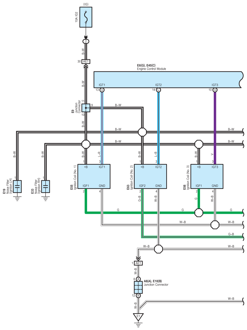
Fig 1: Ignition For 2GR-FSE System Wiring Diagram (1 Of 2)
G08915584Courtesy of © TOYOTA, LICENSE AGREEMENT TMS1002
Fig 2: Ignition For 2GR-FSE System Wiring Diagram (2 Of 2)
G08915585Courtesy of © TOYOTA, LICENSE AGREEMENT TMS1002