LEMON Manuals: Even more car manuals for everyone: 1960-2025
Home >> Lexus >> 2007 >> GS 430 >> Repair and Diagnosis >> Electrical >> Body Electrical >> OEM System Circuits >> Illumination >> Notes
April 5, 2026: LEMON Manuals is launched! Read the announcement.

OEM System Circuits: Illumination: Notes

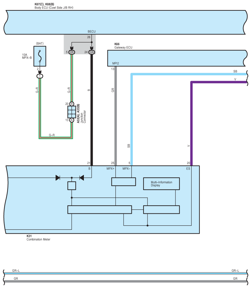
Fig 1: Illumination System Wiring Diagram (1 Of 10)
G08915652Courtesy of © TOYOTA, LICENSE AGREEMENT TMS1002
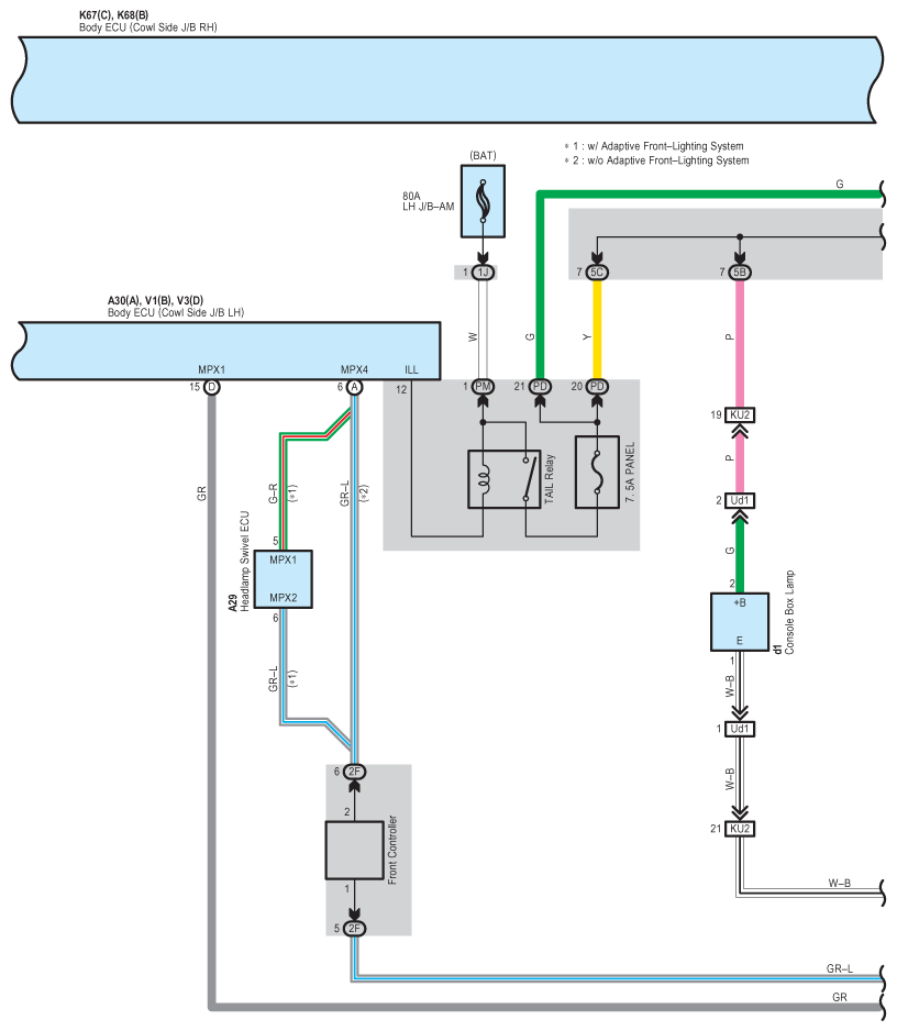
Fig 2: Illumination System Wiring Diagram (2 Of 10)
G08915653Courtesy of © TOYOTA, LICENSE AGREEMENT TMS1002
Fig 3: Illumination System Wiring Diagram (3 Of 10)
G08915654Courtesy of © TOYOTA, LICENSE AGREEMENT TMS1002
Fig 4: Illumination System Wiring Diagram (4 Of 10)
G08915655Courtesy of © TOYOTA, LICENSE AGREEMENT TMS1002
Fig 5: Illumination System Wiring Diagram (5 Of 10)
G08915656Courtesy of © TOYOTA, LICENSE AGREEMENT TMS1002
Fig 6: Illumination System Wiring Diagram (6 Of 10)
G08915657Courtesy of © TOYOTA, LICENSE AGREEMENT TMS1002
Fig 7: Illumination System Wiring Diagram (7 Of 10)
G08915658Courtesy of © TOYOTA, LICENSE AGREEMENT TMS1002
Fig 8: Illumination System Wiring Diagram (8 Of 10)
G08915659Courtesy of © TOYOTA, LICENSE AGREEMENT TMS1002
Fig 9: Illumination System Wiring Diagram (9 Of 10)
G08915660Courtesy of © TOYOTA, LICENSE AGREEMENT TMS1002
Fig 10: Illumination System Wiring Diagram (10 Of 10)
G08915661Courtesy of © TOYOTA, LICENSE AGREEMENT TMS1002